Operation CHARM: Car repair manuals for everyone.
Manuals through 2025 now available!

Our trusted friends have launched a new website named LEMON, which has newer manuals. It also contains all the CHARM manuals.

LEMON is the spiritual successor to CHARM, I recommend you try it!

Link: lemon-manuals.la or lemon-manuals.org.ua

(Some people have issue connecting. LEMON is investigating. For now, use Firefox or change your DNS server)

Or, hide this message: temporarily or permanently

Battery Cable: Service and Repair



Battery Negative Cable Disconnection and Connection (LZ4/LY7)

Disconnect Procedure

Caution: Refer to Restraint System Service Precautions.

Caution: Refer to Battery Disconnect Caution.




1. Record all of the vehicle preset radio stations.
2. Turn OFF all the lamps and the accessories.
3. Make sure the ignition switch is in the OFF position.
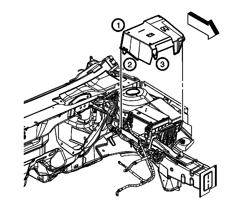
4. Remove the battery cover. Disengage the retainers in order to remove the cover.




5. Disconnect the negative battery cable from the battery.

Connect Procedure






Notice: Refer to Fastener Notice.

Important: Clean any existing oxidation from the contact face of the battery terminal and battery cable using a wire brush before installing the battery cable to the battery terminal.

1. Connect the negative battery cable to the battery.

Tighten the bolt to 17 N.m (13 lb ft).




2. Install the battery cover.

1. Install the locking tab next to the strut tower first.
2. Install the locking tab next to the engine second.
3. Install the locking tab next to the powertrain control module (PCM) last.

3. Reset the radio stations and the clock.
4. Re-initialize the power windows. Refer to Power Window Reinitialization.