Operation CHARM: Car repair manuals for everyone.
Manuals through 2025 now available!

Our trusted friends have launched a new website named LEMON, which has newer manuals. It also contains all the CHARM manuals.

LEMON is the spiritual successor to CHARM, I recommend you try it!

Link: lemon-manuals.la or lemon-manuals.org.ua

(Some people have issue connecting. LEMON is investigating. For now, use Firefox or change your DNS server)

Or, hide this message: temporarily or permanently

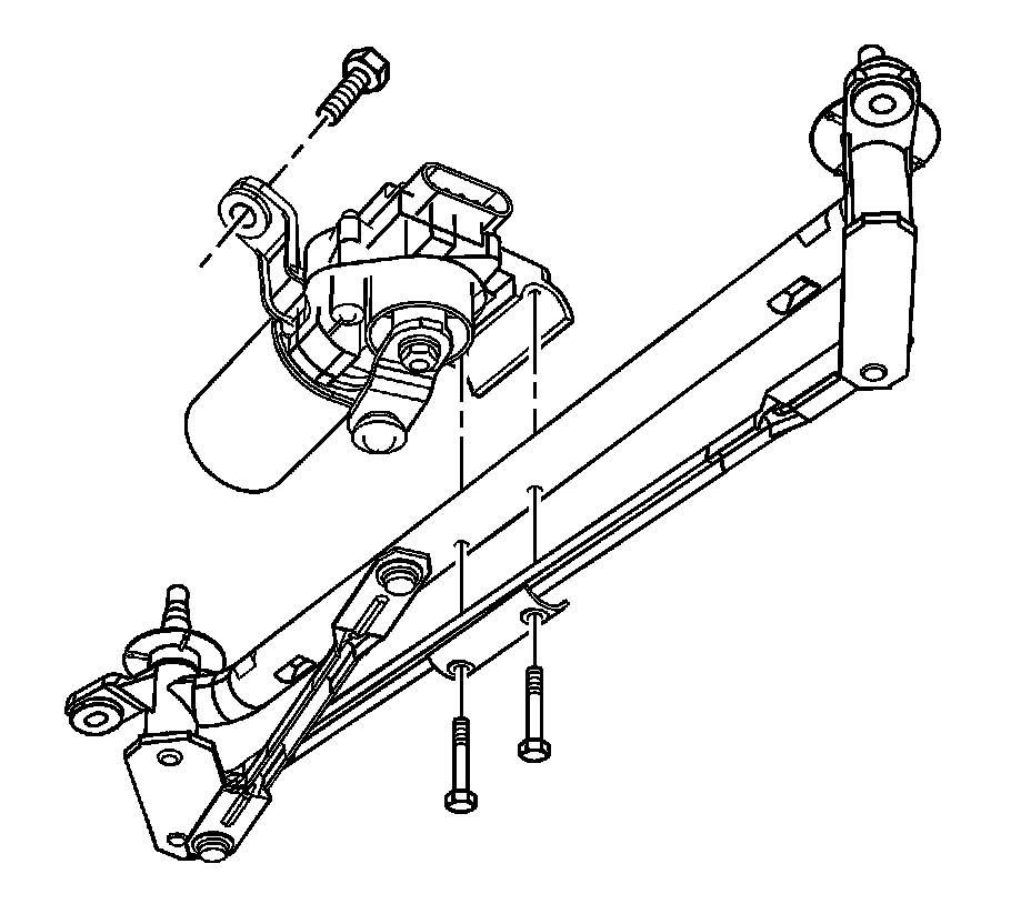
Wiper Control Module: Service and Repair



Wiper Drive System Module Replacement

Removal Procedure

Important: The new wiper drive system module does not include the wiper motor nor the motor support bracket. You must install the old components to the new wiper system module.




1. Remove the wiper arms.
2. Remove the air inlet grille panel.
3. Remove the bolts attaching the wiper module to the plenum.
4. Carefully lift the wiper module out of the plenum.
5. Disconnect the electrical connector from the wiper motor.
6. Disconnect the clip retaining the electrical harness to the wiper module.
7. Remove the wiper module assembly from the vehicle.




8. Remove the wiper motor.

Installation Procedure




1. Install the wiper motor.
2. Connect the electrical connector to the wiper motor.
3. Connect the clip retaining the electrical harness to the wiper module.




4. Position the wiper module assembly into the plenum.

Notice: Refer to Fastener Notice.

5. Install the fasteners attaching the wiper module assembly to the plenum.

Tighten the fasteners to 10 N.m (89 lb in).

6. Install the air inlet grille panel.
7. Install the wiper arms.
8. Inspect the washers for proper operation.