Operation CHARM: Car repair manuals for everyone.
Manuals through 2025 now available!

Our trusted friends have launched a new website named LEMON, which has newer manuals. It also contains all the CHARM manuals.

LEMON is the spiritual successor to CHARM, I recommend you try it!

Link: lemon-manuals.la or lemon-manuals.org.ua

(Some people have issue connecting. LEMON is investigating. For now, use Firefox or change your DNS server)

Or, hide this message: temporarily or permanently

Liquid Line Replacement



Liquid Line Replacement

Tools Required

J39400-A Halogen Leak Detector

Removal Procedure

1. Recover the refrigerant. Refer to Refrigerant Recovery and Recharging.
2. Remove right headlamp assembly.
3. Remove the front grill.




4. Remove the liquid line bolt from the A/C condenser (1).
5. Disconnect the liquid line from the A/C condenser (2).




6. Remove the liquid line to auxiliary tube nut (1).




7. Disconnect the liquid line (2) and evaporator hose/tube from the TXV at plenum panel.




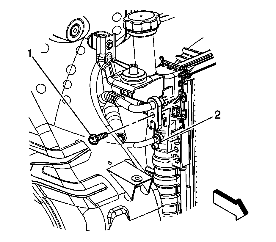
8. Remove the attaching liquid line clamp nuts along right inner frame rail and plenum panel (1).
9. Remove the liquid line bracket bolt at right side of upper tie bar support (2).
10. Remove the liquid line.
11. Remove and discard the discharge line sealing washer.

Installation Procedure




1. Install new sealing washers to the liquid line.
2. Connect the liquid line (2) and evaporator hose/tube to the TXV at plenum panel.

Notice: Refer to Fastener Notice.

3. Install the liquid line to TXV nut (1).

Tighten the bolt to 9 N.m (80 lb in).




4. Connect the liquid line to the auxiliary evaporator tube.
5. Install the liquid line nut (1).

Tighten the bolt to 9 N.m (80 lb in).




6. Install the liquid line to the condenser (2).
7. Install the liquid line nut (1).

Tighten the bolt to 9 N.m (80 lb in).




8. Install liquid line bracket bolt to upper tie bar support (2).

Tighten the bolt to 9 N.m (80 lb in).

9. Install the liquid line bracket nuts along frame rail and plenum panel (1).

Tighten the bolt to 4 N.m (35 lb in).

10. Install the right headlamp assembly.
11. Install the front grill.
12. Evacuate and recharge the refrigerant system. Refer to Refrigerant Recovery and Recharging.
13. Leak test the fittings of the component using J39400-A.