Operation CHARM: Car repair manuals for everyone.
Manuals through 2025 now available!

Our trusted friends have launched a new website named LEMON, which has newer manuals. It also contains all the CHARM manuals.

LEMON is the spiritual successor to CHARM, I recommend you try it!

Link: lemon-manuals.la or lemon-manuals.org.ua

(Some people have issue connecting. LEMON is investigating. For now, use Firefox or change your DNS server)

Or, hide this message: temporarily or permanently

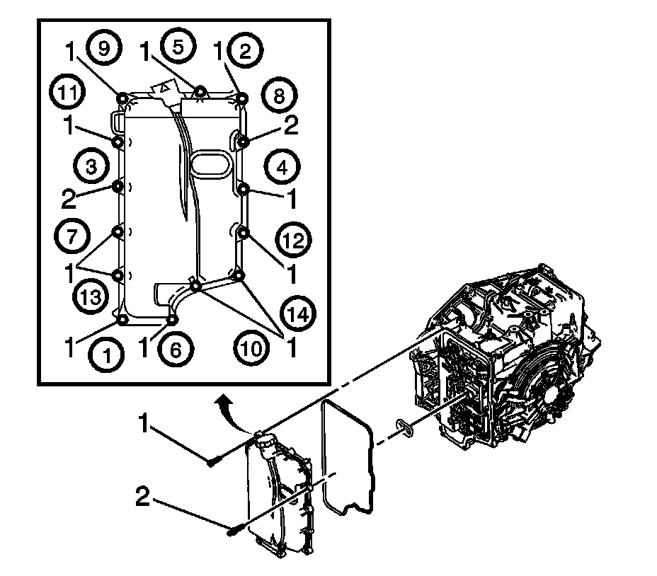
Control Valve Body Cover Replacement



Control Valve Body Cover Replacement

Removal Procedure

1. Disconnect the negative battery cable.
2. Remove the air cleaner assembly.




3. Remove the oil cooler inlet hose (1) from the retainer on the control valve body cover.
4. Remove the oil cooler outlet hose retainer nut (5) from the control valve body cover.
5. Remove the oil cooler outlet hose (4) from the retainer on the control valve body cover.
6. Raise and support the vehicle. Refer to Vehicle Lifting.
7. Remove the left engine splash shield.
8. Drain the transmission.




9. Remove the wire harness retainer (2) from the control valve body cover stud.
10. Disconnect the control valve body transmission control module (TCM) electrical connector (1).




11. Remove the 2 control valve body cover studs M6 x 30.
12. Remove the 12 control valve body cover bolts M6 x 30.
13. Support the transmission with a transmission jack.
14. Using the transmission jack raise the transmission to gain clearance for removal of the control valve body cover.
15. Remove the control valve body cover.
16. Remove the control valve body cover gasket.
17. Remove the control valve body cover wiring connector hole seal from the TCM.
18. Remove all traces of the old gasket material. Clean the transmission case and control valve body cover gasket surfaces.

Installation Procedure





Important: The holes in the control valve body cover wiring connector hole seal must face toward the TCM. If the holes face toward the valve body cover, there is a potential for a leak around the seal.

1. Install the control valve body cover wiring connector hole seal to the TCM.
2. Install the control valve body cover gasket to the control valve body cover.
3. Install the control valve body cover.
4. Lower the transmission and remove the transmission jack.

Important: Install all control valve body cover bolts and studs by hand then torque all bolts and studs in sequence.

Notice: Refer to Fastener Notice.

5. Install the 12 control valve body cover bolts (1) M6 x 30.

Tighten the bolts in sequence to 12 N.m (106 lb in).

6. Install the 2 control valve body cover studs (2) M6 x 30.

Tighten the studs in sequence to 12 N.m (106 lb in).




7. Connect the control valve body TCM electrical connector (1).
8. Install the wire harness retainer (2) to the control valve body cover stud.

Tighten the nut to 12 N.m (106 lb in).

9. Install the left engine splash shield.
10. Lower the vehicle.




11. Install the oil cooler outlet hose (4) to the retainer on the control valve body cover.
12. Install the oil cooler outlet hose retainer nut (5) to the control valve body cover.

Tighten the nut to 12 N.m (106 lb in).

13. Install the oil cooler inlet hose (1) to the retainer on the control valve body cover.
14. Connect the negative battery cable.
15. Fill the transmission.
16. Start the engine. Warm up the transmission, and check for leaks.