Operation CHARM: Car repair manuals for everyone.
Manuals through 2025 now available!

Our trusted friends have launched a new website named LEMON, which has newer manuals. It also contains all the CHARM manuals.

LEMON is the spiritual successor to CHARM, I recommend you try it!

Link: lemon-manuals.la or lemon-manuals.org.ua

(Some people have issue connecting. LEMON is investigating. For now, use Firefox or change your DNS server)

Or, hide this message: temporarily or permanently

Turn Signal Multifunction Switch Replacement



Turn Signal Multifunction Switch Replacement

Removal Procedure

1. Disable the SIR system. Refer to SIR Disabling and Enabling.
2. Remove the knee bolster trim panel.
3. Remove the steering wheel.




4. Remove the tilt lever close out plate.




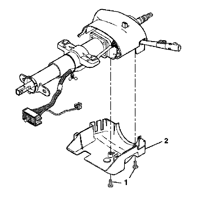
5. Remove the trim cover screws (1) from the lower steering column.




6. Tilt the lower trim cover down and slide the lower trim cover rearward in order to disengage the locking tabs.




7. Remove the upper trim cover screws.
8. Remove the ignition lock cylinder.
9. Remove the upper trim cover (2) from the steering column.

Installation Procedure

1. Install the upper trim cover to the steering column.
2. Install the lock cylinder.

Notice: Refer to Fastener Notice.

3. Install the upper trim cover screws to the steering column.

Tighten the screws to 1.5 N.m (13 lb in).




4. Match the tab slots on the lower trim cover with the locking tabs on the upper trim cover.
5. Tilt the lower trim cover up and slide the lower trim cover until the locking tabs snap into the tab slots.




6. Install the screws (1) to the lower trim cover (2).

Tighten the screws to 3.5 N.m (31 lb in).




7. Install the tilt lever close out plate.
8. Install the steering wheel.
9. Install the knee bolster trim panel.
10. Enable the SIR system. Refer to SIR Disabling and Enabling.