Operation CHARM: Car repair manuals for everyone.
Manuals through 2025 now available!

Our trusted friends have launched a new website named LEMON, which has newer manuals. It also contains all the CHARM manuals.

LEMON is the spiritual successor to CHARM, I recommend you try it!

Link: lemon-manuals.la or lemon-manuals.org.ua

(Some people have issue connecting. LEMON is investigating. For now, use Firefox or change your DNS server)

Or, hide this message: temporarily or permanently

63. Intake Manifold Installation



Intake Manifold Installation





Notice: Refer to Fastener Notice in Service Precautions.

1. Install the intake manifold studs in the manifold face.

Tighten the intake manifold studs to 6 N.m (60 lb in).





Important: Gaskets must be clean. Swollen gaskets should be replaced.

2. Install a NEW intake manifold gasket on the intake manifold, if necessary.
3. Install the intake manifold.
4. Install the intake manifold bolts and nuts. Follow the tightening sequence.

Tighten the bolts and nuts to 10 N.m (89 lb in).




5. Lubricate NEW fuel injector tip insulators with engine oil.
6. Install the NEW fuel injector tip insulators.




7. Install the fuel rail assembly.
8. Install the fuel rail bolts.

Tighten the bolts to 10 N.m (89 lb in).




9. Install a NEW throttle body stud, if necessary.

Tighten the bolts and nuts to 6 N.m (60 lb in).




10. Install the throttle body, bolts and nut.

Tighten the bolt and nuts to 10 N.m (89 lb in).





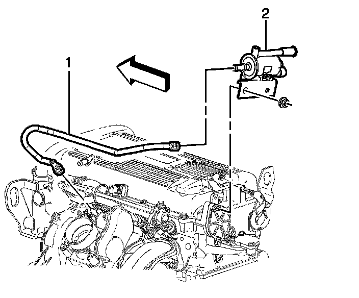
Important: Ensure that the rear metal tab of the evaporative emission (EVAP) canister valve is resting on the power steering pump metal body.

11. Install the EVAP canister valve (2).

Tighten the EVAP canister valve nut to 18 N.m (13 lb ft).

12. Install the EVAP canister valve tube (1).