Operation CHARM: Car repair manuals for everyone.
Manuals through 2025 now available!

Our trusted friends have launched a new website named LEMON, which has newer manuals. It also contains all the CHARM manuals.

LEMON is the spiritual successor to CHARM, I recommend you try it!

Link: lemon-manuals.la or lemon-manuals.org.ua

(Some people have issue connecting. LEMON is investigating. For now, use Firefox or change your DNS server)

Or, hide this message: temporarily or permanently

Timing Cover: Service and Repair



Engine Front Cover Replacement

Removal Procedure




1. Remove the drive belt tensioner.
2. Remove the crankshaft balancer.
3. Install the engine support fixture.
4. Remove the engine mount to bracket bolts (2).
5. Remove the engine mount to side rail nuts (1).
6. Remove the engine mount from the engine compartment.




7. Remove the engine mount bracket to engine bolts.
8. Remove the engine mount bracket.




9. Remove the engine front cover to water pump bolt.




10. Raise and suitably support the vehicle. Refer to Vehicle Lifting.
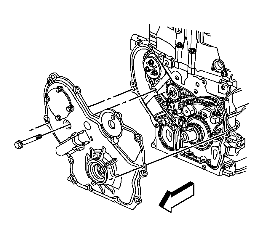
11. Remove the engine front cover bolts.
12. Remove the engine front cover.




13. Remove and discard the engine front cover gasket.

Installation Procedure




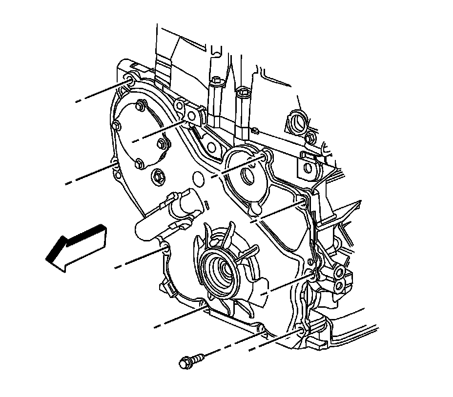
1. Install a NEW engine front cover gasket to the dowel pins.
2. Install the engine front cover.





Notice: Refer to Fastener Notice.

3. Install the engine front cover bolts.

Tighten the bolts to 25 N.m (18 lb ft).

4. Lower the vehicle.




5. Install the engine front cover to water pump bolt.

Tighten the bolt to 25 N.m (18 lb ft).




6. Position the engine mount bracket to the engine.
7. Install the engine mount bracket bolts in the following locations.

- The long bolts in the forward and lower rear holes
- The short bolt in the upper rear hole

8. Tighten the engine mount bracket bolts in the following sequence.

1. Upper left
2. Lower left
3. Right

Tighten the bolts to 100 N.m (74 lb ft).




9. Install the engine mount to the engine compartment.
10. Install the engine mount to side rail nuts (1).

Tighten the nuts to 100 N.m (74 lb ft).

11. Install the engine mount to bracket bolts (2).
12. Tighten the engine mount to bracket bolts in the following sequence.

1. Middle
2. Rear
3. Front

Tighten the bolts to 50 N.m (37 lb ft).

13. Remove the engine support fixture.
14. Install the crankshaft balancer.
15. Install the drive belt tensioner.