Operation CHARM: Car repair manuals for everyone.
Manuals through 2025 now available!

Our trusted friends have launched a new website named LEMON, which has newer manuals. It also contains all the CHARM manuals.

LEMON is the spiritual successor to CHARM, I recommend you try it!

Link: lemon-manuals.la or lemon-manuals.org.ua

(Some people have issue connecting. LEMON is investigating. For now, use Firefox or change your DNS server)

Or, hide this message: temporarily or permanently

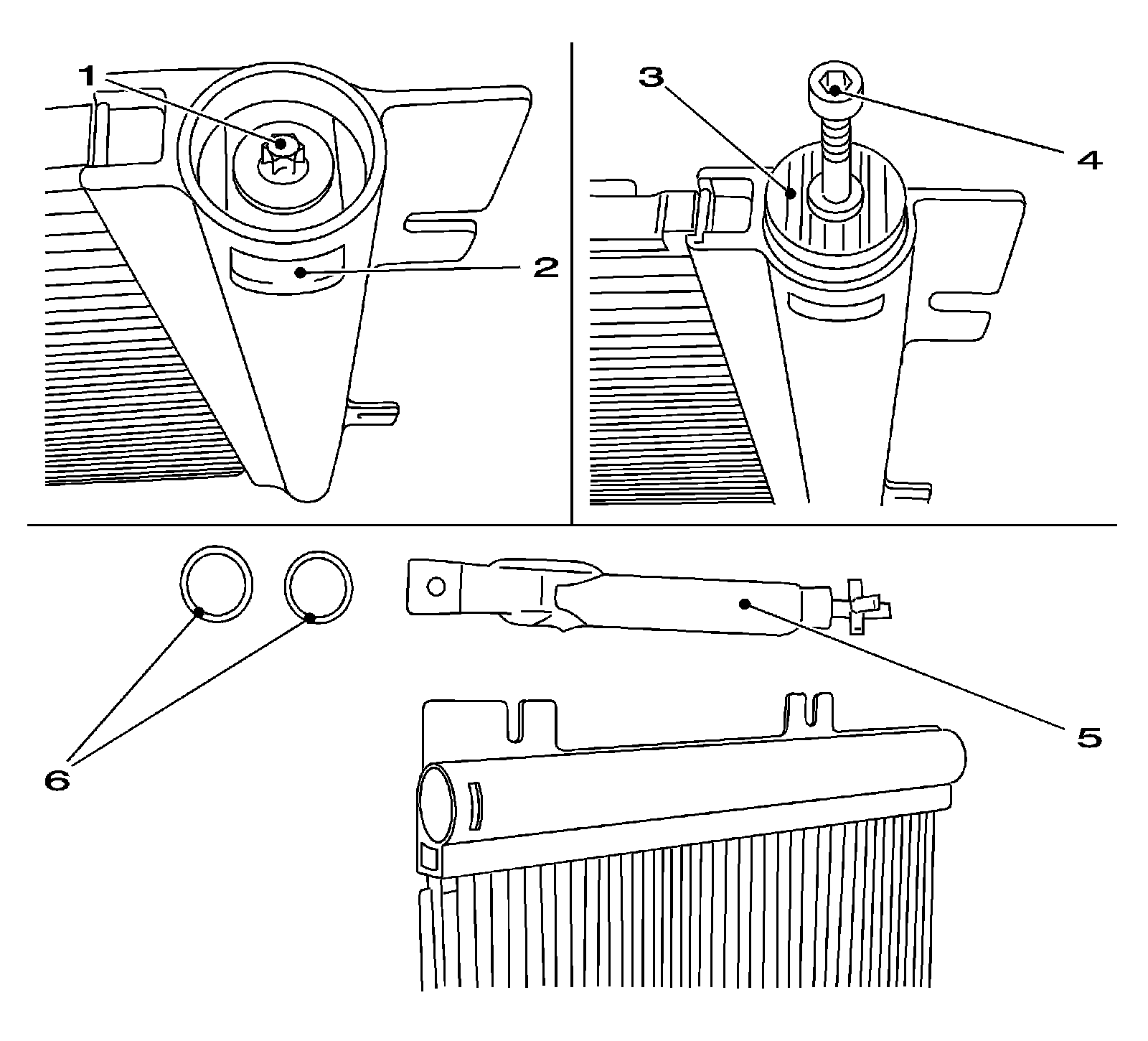
Receiver Dryer: Service and Repair



Receiver Dehydrator Replacement

Removal Procedure

1. Remove the condenser. Refer to Condenser Replacement (Service and Repair) .




2. Remove the dryer insert (5).
3. Remove the cover cap.
4. Remove the bolt (1).
5. Remove the retaining plate (2).
6. Remove the dryer insert cover (3).
If necessary use M6 bolt (4).

Important: Wet the sealing rings with mineral oil before installation.


7. Replace the sealing rings (6).



Installation Procedure






Important: Only for vehicles with reduced dryer housing height.


1. Shorten dryer insert.
Cut the dryer insert at notched point (arrow) using a suitable tool.
2. Install the dryer insert.
3. Install the dryer insert cover.
4. Install the retaining plate.

1. Install the bolt.
2. Attach the cover cap.

5. Install the condenser. Refer to Condenser Replacement (Service and Repair) .