Operation CHARM: Car repair manuals for everyone.
Manuals through 2025 now available!

Our trusted friends have launched a new website named LEMON, which has newer manuals. It also contains all the CHARM manuals.

LEMON is the spiritual successor to CHARM, I recommend you try it!

Link: lemon-manuals.la or lemon-manuals.org.ua

(Some people have issue connecting. LEMON is investigating. For now, use Firefox or change your DNS server)

Or, hide this message: temporarily or permanently

Component Location



Component Location

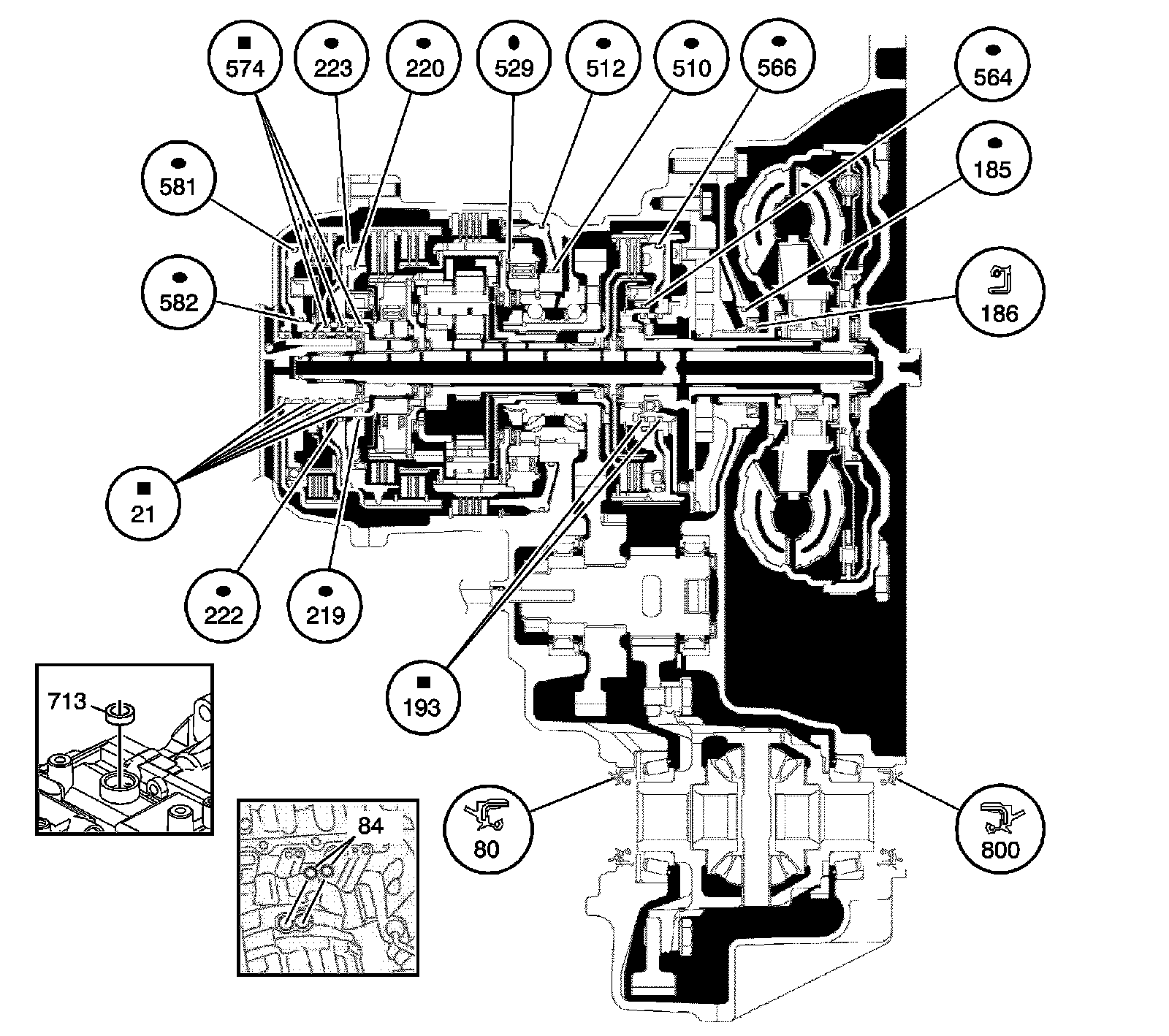
Seal Locations




21 - Transmission Case Cover Fluid Seal Ring (Qty: 5)
80 - Front Wheel Drive Shaft Oil Seal
84 - Transmission Case Fluid Passage Seal
185 - Transmission Fluid Pump Body O-Ring Seal
186 - Transmission Fluid Pump Body Seal Assembly
193 - Fluid Pump Cover O-Ring Seals (Qty: 2)
219 - Coast Clutch Piston Inner Seal
220 - Coast Clutch Piston Outer Seal
222 - Overdrive Clutch Piston Inner Seal
223 - Overdrive Clutch Piston Outer Seal
510 - 1st and Reverse Clutch Piston Inner Seal
512 - 1st and Reverse Clutch Piston Outer Seal
529 - Front Planetary Ring Gear O-Ring Seal
564 - Reverse Gear Clutch Piston Inner Seal
566 - Reverse Gear Clutch Piston Outer Seal
574 - Forward Clutch Housing Seal - Slotted
581 - Forward Clutch Piston Outer Seal
582 - Forward Clutch Piston Inner Seal
713 - Manual Shift Shaft Seal Assembly
800 - Front Differential Carrier Seal Assembly

Bearing, Race and Thrust Washer Locations




90 - Front Differential Transfer Drive Gear Assembly Bearing
226 - Overdrive and Coast Clutch Housing Thrust Washer
237 - Output Gear Bearing Assembly
262 - Front Differential Transfer Drive Gear Front Thrust Bearing Assembly
264 - Front Differential Transfer Drive Gear Drive Pinion Bearing Inner Race
267 - Front Differential Transfer Drive Gear Bearing Inner Race
521 - Overrun Clutch Inner Race Thrust Washer
522 - Overrun Clutch Inner Race Thrust Bearing Race
523 - Overrun Clutch Inner Race Thrust Bearing with Race
525 - Overrun Clutch End Bearing
527 - Overrun Clutch Thrust Washer
532 - Front Planetary Ring Gear Flange Thrust Washer
548 - Sun Gear Input Flange Thrust Washer
608 - Coast Clutch End Bearing
614 - Rear Planetary Ring Gear Flange Thrust Washer
630 - Front Differential Side Gear Thrust Washer
632 - Front Differential Pinion Shaft Thrust Washer
637 - Front Differential Tapered Outer Roller Bearing
641 - Front Differential Tapered Outer Roller Bearing
645 - Front Differential Carrier Bearing Shim - Selective
646 - Front Differential Carrier Bearing Race
647 - Front Differential Carrier Bearing Race
808 - Front Differential Transfer Drive Gear Assembly Bearing

Front Valve Body Strainer Location




321 - Fluid Strainer

Middle Valve Body Check Ball and Relief Valve Spring Location




322 - Check Ball
340 - Pressure Relief Valve Spring
341 - Pressure Relief Valve

Middle Valve Body Bypass Valve Spring Location




338 - Pressure Relief Valve
339 - Pressure Relief Valve Spring

Rear Valve Body Check Balls, Strainers and Check Valve Spring Location




317 - Check Valve B
318 - Check Valve Spring B
319 - Check Valve A
320 - Check Valve A Spring
321 - Fluid Strainer

Rear Valve Body Cover No. 1 Check Ball Location




435 - Rear Valve Body Cover No. 1 Check Ball