Operation CHARM: Car repair manuals for everyone.
Manuals through 2025 now available!

Our trusted friends have launched a new website named LEMON, which has newer manuals. It also contains all the CHARM manuals.

LEMON is the spiritual successor to CHARM, I recommend you try it!

Link: lemon-manuals.la or lemon-manuals.org.ua

(Some people have issue connecting. LEMON is investigating. For now, use Firefox or change your DNS server)

Or, hide this message: temporarily or permanently

Electrical Diagrams



Engine Controls Schematics

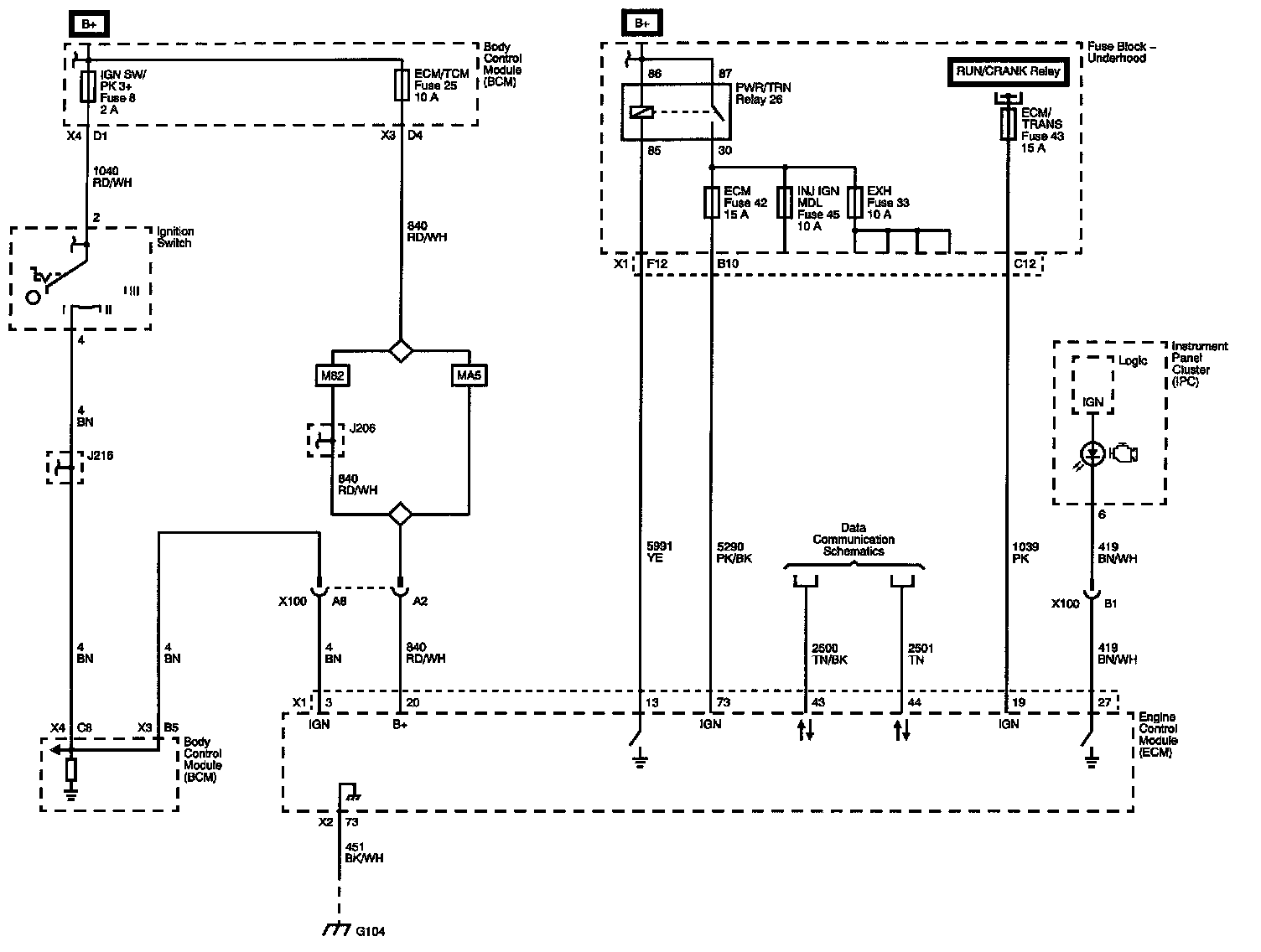
Power, Ground, Data Link, and MIL

Power, Ground, Data Link, And MIL:






5-Volt and Low Reference

5-Volt And Low Reference:






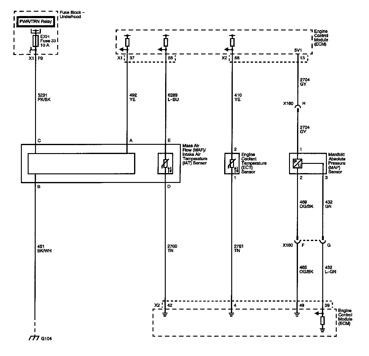
Engine Data Sensors - Pressure and Temperature

Engine Data Sensors- Pressure And Temperature:






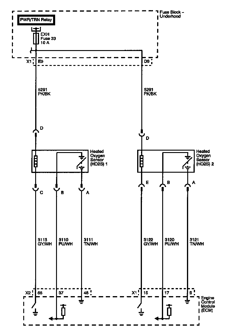
Engine Data Sensors - Oxygen Sensors

Engine Data Sensors- Oxygen Sensors:






Engine Data Sensors - Electronic Throttle Controls

Engine Data Sensors- Electronic Throttle Controls:






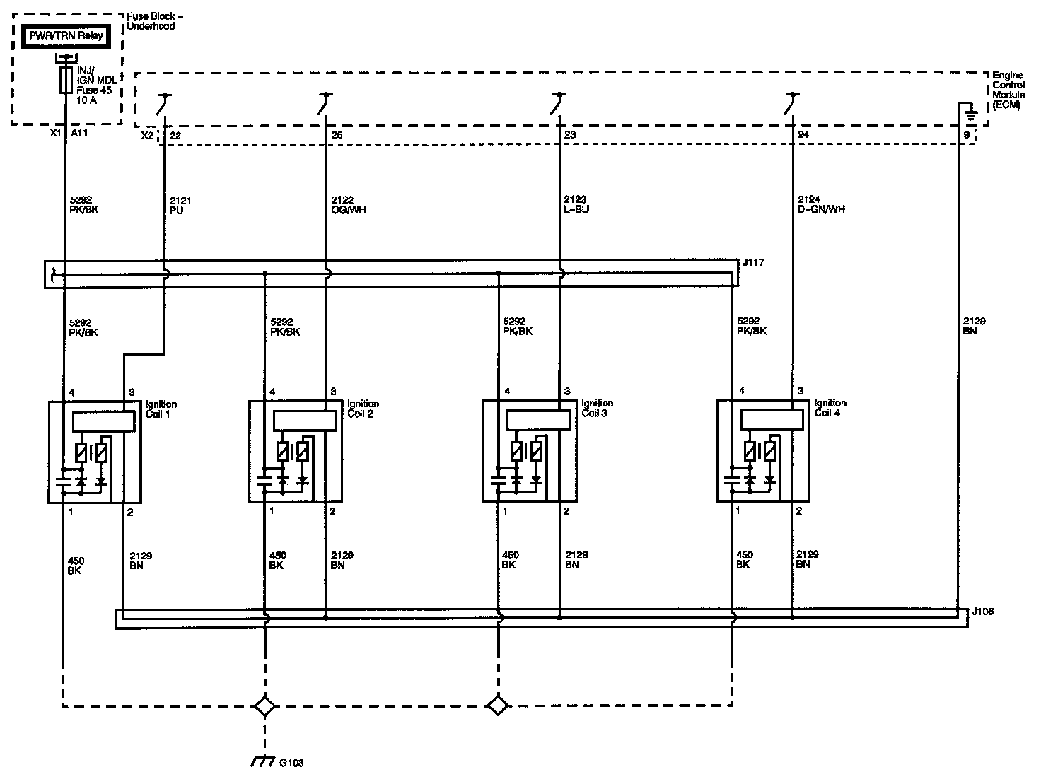
Ignition Controls - Ignition System

Ignition Controls- Ignition System:






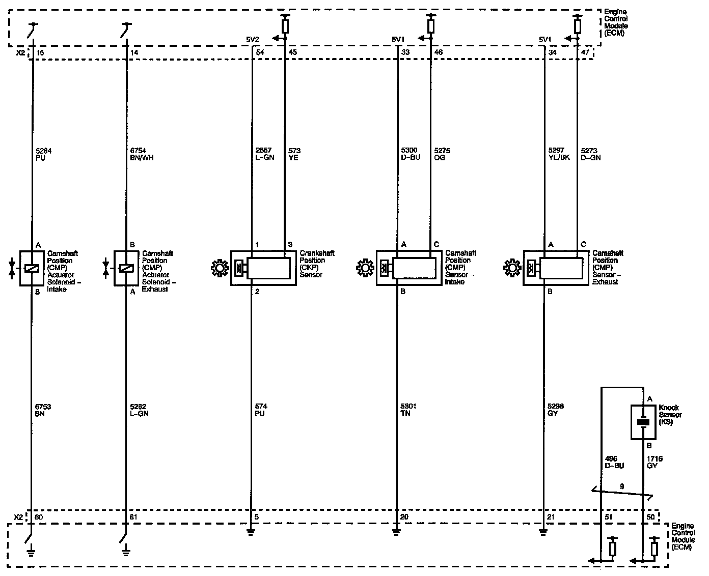
Ignition Controls - Sensors

Ignition Controls- Sensors:






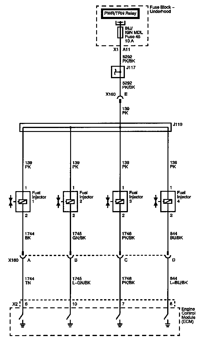
Fuel Controls - Fuel Injectors

Fuel Controls- Fuel Pump Controls And Fuel Injectors:






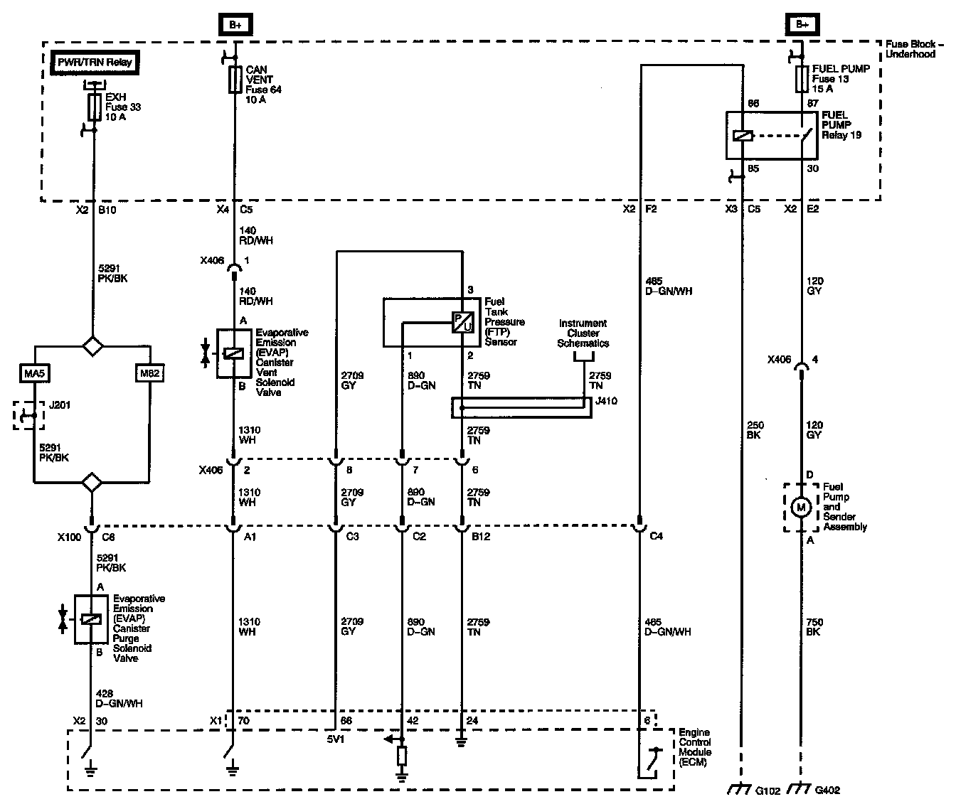
Fuel Controls - Fuel Pump and EVAP Controls

Fuel Controls- EVAP Controls:






Controlled/Monitored Subsystem References

Controlled/Monitored Subsystem References: