Operation CHARM: Car repair manuals for everyone.
Manuals through 2025 now available!

Our trusted friends have launched a new website named LEMON, which has newer manuals. It also contains all the CHARM manuals.

LEMON is the spiritual successor to CHARM, I recommend you try it!

Link: lemon-manuals.la or lemon-manuals.org.ua

(Some people have issue connecting. LEMON is investigating. For now, use Firefox or change your DNS server)

Or, hide this message: temporarily or permanently

Upper Intake Manifold Replacement



Upper Intake Manifold Replacement

Removal Procedure





1. Remove the air cleaner outlet duct. Refer to Air Cleaner Outlet Duct Replacement (Air Cleaner Outlet Duct Replacement) .
2. Disconnect the wiring harness electrical connector (3) from the throttle body (4).




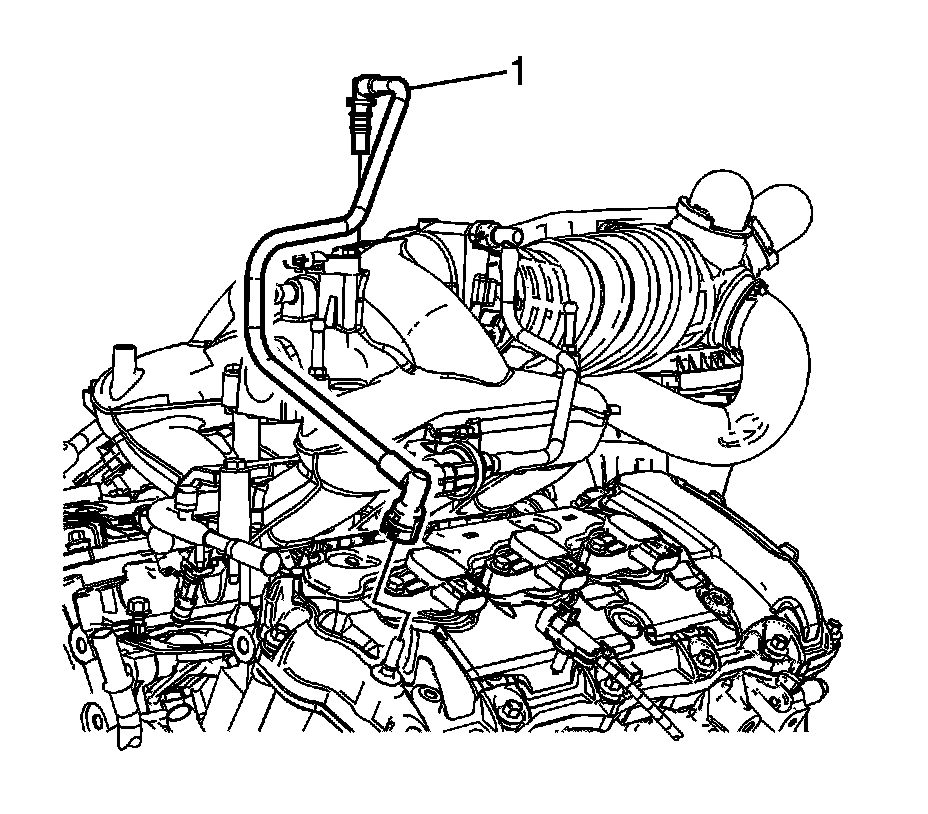
3. Disconnect the PCV line (1) from the top of the intake manifold and reposition aside.




4. Disconnect the evaporative emissions (EVAP) canister purge line (1) and reposition aside.




5. Disconnect the coolant hose bleed pipe.
6. Remove the engine harness retaining clips (1) from the bleed pipe.
7. Remove the bleed pipe bolts (2).
8. Remove the bleed pipe hose clamp (3).
9. Reposition the bleed pipe.
10. Remove the brake booster vacuum hose from the intake manifold.




11. Disconnect the manifold air pressure (MAP) sensor electrical connector from the map sensor (1).




12. Remove the EVAP purge solenoid valve bolt (1).




13. Remove the engine harness bracket bolt (1).




14. Remove the upper intake retaining bolts (1).
15. Remove the upper intake manifold and gasket. Discard the gasket.
16. If replacing the upper intake manifold complete the following steps:

1. Remove the evaporative emissions (EVAP) purge solenoid valve. Refer to Evaporative Emission Canister Purge Solenoid Valve Replacement (Service and Repair) .
2. Remove the throttle body. Refer to Throttle Body Assembly Replacement (Removal and Replacement) .




Installation Procedure





1. Install the upper intake manifold gaskets to the lower intake manifold and install the fir tree retainers to retain the upper intake manifold gasket position.
2. Install the upper intake manifold.
3. Apply threadlock to the bolt threads. Refer to Adhesives, Fluids, Lubricants, and Sealers (Specifications) .

Notice: Refer to Fastener Notice (Fastener Notice) .

4. Install the upper intake manifold bolts (1).

Tighten the bolts to 25 N.m (18 lb ft).

5. If the upper manifold was replaced, complete the following steps:

1. Install the throttle body. Refer to Throttle Body Assembly Replacement (Removal and Replacement) .
2. Install the EVAP purge solenoid valve. Refer to Evaporative Emission Canister Purge Solenoid Valve Replacement (Service and Repair) .





6. Install the engine harness bracket bolt (1).




7. Install the EVAP purge solenoid valve bolt (1).

Tighten the bolt to 10 N.m (89 lb in).





8. Connect the manifold air pressure (MAP) sensor electrical connector to the map sensor (1).




9. Install the brake booster vacuum hose to the intake manifold.
10. Position the bleed pipe.
11. Install the bleed pipe hose clamp (3).
12. Install the bleed pipe bolts (2).

Tighten the nut to 10 N.m (89 lb in).

13. Install the engine harness retaining clips (1) to the fuel feed pipe.
14. Connect the coolant hose bleed pipe.




15. Connect the EVAP canister purge line (1).




16. Connect the PCV line (1) to the top of the intake manifold .




17. Connect the wiring harness electrical connector (3) to the throttle body (4).
18. Install the air cleaner outlet duct. Refer to Air Cleaner Outlet Duct Replacement (Air Cleaner Outlet Duct Replacement) .