Operation CHARM: Car repair manuals for everyone.
Manuals through 2025 now available!

Our trusted friends have launched a new website named LEMON, which has newer manuals. It also contains all the CHARM manuals.

LEMON is the spiritual successor to CHARM, I recommend you try it!

Link: lemon-manuals.la or lemon-manuals.org.ua

(Some people have issue connecting. LEMON is investigating. For now, use Firefox or change your DNS server)

Or, hide this message: temporarily or permanently

Battery Tray: Service and Repair




Battery Tray Replacement (LAT) (2.4L Hybrid)

Removal Procedure




1. Remove the battery. Refer to Battery Replacement (without LAT) (Service and Repair)Battery Replacement (LAT) (Service and Repair).
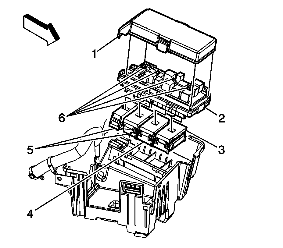
2. Remove the underhood bussed electrical center (UBEC) cover.
3. Loosen the integral bolt (5) on the positive battery cable lead (4) and remove the lead from the UBEC.
4. Reposition the positive battery cable out of the way.




5. Loosen the integral bolt (4) on the steering column harness package lead and remove the lead from the UBEC.




6. Loosen the junction block bolts (6), once loose, tap the bolts once in order the disengage the bolts from the electrical connectors.
7. Remove the junction block (2).

Note: Note the color and location of each electrical connector.

8. Remove the engine wiring harness UBEC electrical connector (3) from the UBEC bracket and secure out of the way.
9. Remove the forward lamp wiring harness UBEC electrical connector (4) from the UBEC bracket and secure out of the way.
10. Remove the body wiring harness UBEC electrical connectors (5) from the UBEC bracket and secure out of the way.




11. Disconnect the body wiring harness electrical connector (1) from the engine control module (ECM).




12. Disconnect the engine wiring harness electrical connectors (2) from the ECM.
13. Remove the engine wiring harness clips (3) from the ECM/transmission control module (TCM) bracket (4).
14. Disconnect the engine wiring harness electrical connector (1) from the TCM.




15. Remove the ECM/TCM bracket bolt (1).
16. Slide the ECM/TCM bracket up and remove the bracket (2) (With the ECM and TCM still attached) from the battery tray.




17. Remove the battery tray bolts (1), nut (2), and battery tray (3).

Installation Procedure





Caution: Refer to Fastener Caution (Fastener Caution).

1. Set the battery tray (3) into position and install the bolts (1), and nut (2). Tighten the bolts to 25 Nm (18 lb ft).




2. Slide the ECM/TCM bracket (2) into position on the battery tray.
3. Install the ECM/TCM bracket bolt (1) and tighten to 8 Nm (71 lb in).




4. Connect the engine wiring harness electrical connector (1) to the TCM.
5. Connect the engine wiring harness electrical connectors (2) to the ECM.
6. Install the engine wiring harness clips (3) to the ECM/TCM bracket (4).




7. Connect the body wiring harness electrical connector (1) to the ECM.




8. Position the body wiring harness UBEC electrical connectors (5) to the UBEC bracket and snap into place.
9. Position the forward lamp wiring harness UBEC electrical connector (4) to the UBEC bracket and snap into place.
10. Position the engine wiring harness UBEC electrical connector (3) to the UBEC bracket and snap into place.
11. Install junction block (12).
12. Tighten the junction block bolts (6) until the bolts engage the electrical connectors, an audible click will be heard. Tighten the bolts to 4 Nm (35 lb in).




13. Position the steering column harness package lead to the UBEC and tighten the integral bolt (4). Tighten the bolt to 5 Nm (44 lb in).




14. Position the positive battery cable to the battery.
15. Position positive battery cable lead (4) to the UBEC and tighten the integral bolt (5). Tighten the bolt to 5 Nm (44 lb in).
16. Install the UBEC cover.
17. Install the battery. Refer to Battery Replacement (without LAT) (Service and Repair)Battery Replacement (LAT) (Service and Repair).