Operation CHARM: Car repair manuals for everyone.
Manuals through 2025 now available!

Our trusted friends have launched a new website named LEMON, which has newer manuals. It also contains all the CHARM manuals.

LEMON is the spiritual successor to CHARM, I recommend you try it!

Link: lemon-manuals.la or lemon-manuals.org.ua

(Some people have issue connecting. LEMON is investigating. For now, use Firefox or change your DNS server)

Or, hide this message: temporarily or permanently

Removal Procedure




Engine Replacement

Special Tools
* J 38185 Hose Clamp Pliers
* J 43828 Ball Joint Separator
* J 44015 Steering Linkage Installer
* SA91100C Tie Rod Separator

Removal Procedure

1. Disconnect the negative battery cable. Refer to Battery Negative Cable Disconnection and Connection (Service and Repair).
2. For the LAT engine, disconnect the hybrid battery. Refer to Hybrid Battery Service Disconnect/Connect ().
3. Remove the hood. Refer to Hood Replacement (Service and Repair).
4. Recover the refrigerant. Refer to Refrigerant Recovery and Recharging (With HP5) (Refrigerant Recovery and Recharging)Refrigerant Recovery and Recharging (Without HP5) (Refrigerant Recovery and Recharging).




5. Relieve the fuel system pressure. Refer to Fuel Pressure Relief (With CH 48027-100) (Service and Repair)Fuel Pressure Relief (Without CH 48027-100) (Service and Repair).
6. Remove the air cleaner outlet duct. Refer to Air Cleaner Outlet Duct Replacement (Air Cleaner Outlet Duct Replacement).
7. Remove the air cleaner assembly. Refer to Air Cleaner Assembly Replacement (Service and Repair).
8. Disconnect the fuel feed pipe (1) quick connect fitting at the fuel rail. Refer to Metal Collar Quick Connect Fitting Service (Metal Collar Quick Connect Fitting Service).
9. Disconnect the evaporative emission (EVAP) line (3) quick connect fitting from the EVAP purge solenoid. Refer to Plastic Collar Quick Connect Fitting Service (Plastic Collar Quick Connect Fitting Service).
10. Remove the fuel feed pipe clip (2) from the fuel line bracket.




11. Remove the transaxle shift cable clip (1) from the fuel line bracket.
12. Remove the bolts from the engine control module and position aside. Refer to Engine Control Module Replacement (Service and Repair).
13. For the LE5, remove the battery box. Refer to Battery Box Replacement (Battery Box Replacement).
14. For the LAT, remove the battery tray. Refer to Battery Tray Replacement (HP7) ().
15. On the LAT engine, remove the generator starter. Refer to Generator with Starter Replacement ().
16. Remove the exhaust manifold heat shield. Refer to Exhaust Manifold Heat Shield Replacement (LAT or LE5) (Service and Repair).
17. Remove the oxygen sensors. Refer to Heated Oxygen Sensor Replacement - Sensor 1 (Service and Repair) and Heated Oxygen Sensor Replacement - Sensor 2 (Service and Repair).
18. Remove the throttle body. Refer to Throttle Body Assembly Replacement (Removal and Replacement).
19. Remove the engine oil level indicator.
20. Raise and support the vehicle. Refer to Lifting and Jacking the Vehicle (Service and Repair).
21. Remove the front wheels and tires. Refer to Tire and Wheel Removal and Installation (Service and Repair).
22. Drain the cooling system. Refer to Cooling System Draining and Filling (Static Fill With HP5) (Service and Repair)Cooling System Draining and Filling (Static Fill Without HP5) (Service and Repair)Cooling System Draining and Filling (GE 47716 Fill With HP5) (Service and Repair)Cooling System Draining and Filling (GE 47716 Fill Without HP5) (Service and Repair).
23. Drain the engine oil. Refer to Engine Oil and Oil Filter Replacement (Service and Repair).
24. Lower the vehicle.




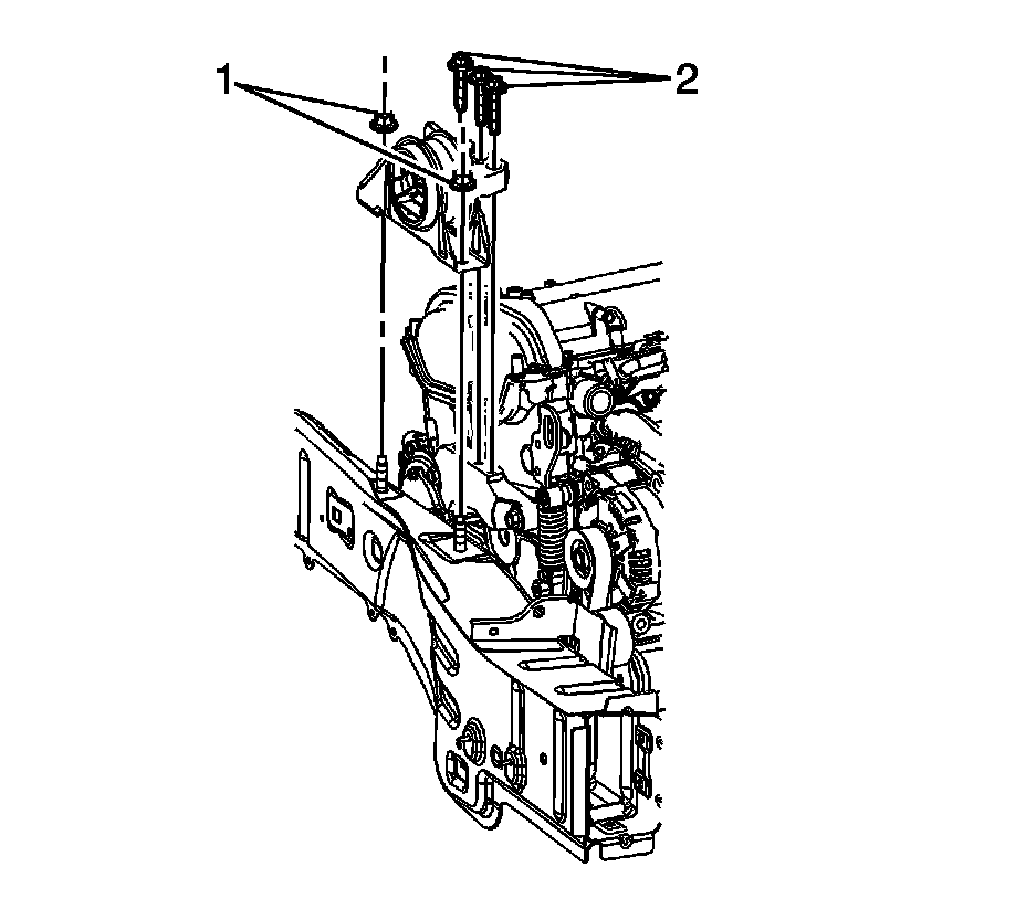
25. On all engines, reposition the vacuum brake booster hose clamp (1) at the intake manifold.
26. Remove the vacuum brake booster hose (2) from the intake manifold. Reposition the brake booster hose out of the way.




27. Remove the coolant recovery inlet hose clamp (2) at the cylinder head.
28. Remove the coolant recovery inlet pipe clip from the fuel rail.
29. Remove the coolant recovery inlet hose (1) from the cylinder head. Reposition the hose/pipe out of the way.




30. Reposition the radiator inlet hose clamp using the J 38185 .
31. Remove the radiator inlet hose from the cylinder head.
32. Remove the radiator outlet hose. Refer to Radiator Outlet Hose Replacement (LAT) (Service and Repair)Radiator Outlet Hose Replacement (LY7) (Service and Repair)Radiator Outlet Hose Replacement (LZ4) (Service and Repair)Radiator Outlet Hose Replacement (LE5) (Service and Repair)Radiator Outlet Hose Replacement (HP5) (Service and Repair).




33. On LAT engine, reposition the generator control module coolant hose clamp (1) at the generator control module.
34. Remove the generator control module coolant hose from the generator control module.




35. Disconnect the engine wiring harness electrical connector (1) from the transaxle auxiliary pump module.




36. Remove the auxiliary heater water pump hose clip (1) from the heater outlet hose.
37. On all engines, reposition the heater inlet hose clamp at the thermostat housing.
38. Remove the heater inlet hose (3) from the thermostat housing.
39. Reposition the coolant recovery reservoir/heater inlet hose (2) clamp at the thermostat housing.
40. Remove the coolant recovery reservoir/heater inlet hose (2) from the thermostat housing.
41. Raise and support the vehicle. Refer to Lifting and Jacking the Vehicle (Service and Repair).




42. On LAT engine, disconnect the engine wiring harness electrical connector (1) from the generator control module coolant pump.
43. On all engines, disconnect the engine wiring harness electrical connector (2) from the air conditioning (A/C) compressor.




44. On LAT engine, remove the generator control module coolant pump bolt and pump.




45. On all engines, unbolt the A/C compressor and reposition out of the way.




46. Remove the engine wiring harness ground lead nut (1) from the transaxle stud.
47. Remove the negative battery cable lead (2) from the transaxle stud. Reposition the negative battery cable out of the way.




48. Remove the positive battery cable to starter motor nut (4).
49. Remove the positive battery cable lead (1) from the starter motor.
50. Remove the positive battery cable from in between the starter and the engine. Reposition the positive battery cable out of the way.




51. On LAT engine, disconnect the engine wiring harness electrical connector (2) from the auxiliary heater water pump.




52. Remove the auxiliary heater water pump bolt and pump.
53. On all engines, lower the vehicle.




54. Remove the transaxle shift cable from the range select lever.
55. Release the shift control cable retaining clip and remove the cable from the shift control cable bracket.





Note: The radiator/condenser/fan assembly will stay in the vehicle during engine removal.

56. Using long tie straps, secure the radiator/condenser/fan assembly to the radiator support.
57. Raise the vehicle.
58. Remove the front wheelhouse liners. Refer to Front Wheelhouse Liner Replacement (Service and Repair).

Note: A piece of hardwood should be used between the transaxle and the engine cradle. This wood will support the engine when the left side engine mounts bolts are removed.

59. Install a piece of hardwood 1 x 2 x 4 between the transaxle and the engine cradle.

Note: A piece of hardwood should be used between the oil pan and the engine cradle. This wood will support the engine when the right side engine mounts are removed.

60. Install a piece of hardwood 1 x 2 x 4 between the oil pan and the engine frame.




61. Drain the transaxle fluid.
62. Remove the transaxle oil cooler line to transaxle nut (1).
63. Remove the transaxle oil cooler lines from the transaxle.
64. Remove the catalytic converter. Refer to Catalytic Converter Replacement (Service and Repair).





Note: Secure the steering wheel in the straight forward position before separating the intermediate shaft from the steering gear, or damage to the SIR coil will occur.

65. Remove the intermediate to steering gear pinch bolt and disconnect the intermediate shaft from the steering gear. Discard the pinch bolt.




66. Remove and discard both outer tie rod to steering knuckle nuts.

Note: Hold the ball stud to prevent turning during removal of the nut.

67. Using the SA91100C




68. Remove the stabilizer link to stabilizer shaft nuts and disconnect the stabilizer links from the stabilizer shaft.




69. Remove and discard both of the lower control arm ball stud cotter pins.
70. Loosen the ball stud nuts until the nuts are level with the top of the ball stud.




71. Using the J 43828
72. Remove the ball stud nuts.
73. Remove the wheel drive shafts. Refer to Front Wheel Drive Shaft Replacement (Front Wheel Drive Shaft Replacement).
74. Lower the vehicle.




75. Remove the engine mount to engine mount bracket bolts (2).




76. Remove the transaxle mount to transaxle adapter bolts.
77. Raise the vehicle.





Note: During the powertrain removal support the vehicle body by placing a jack at the rear of the vehicle.

78. Position a engine support table under the powertrain assembly.

Note: Blocks of wood can be used between the front of the frame and the oil pan to table in order to level the powertrain during the removal.

79. With the table positioned, fully raise the table to contact with the powertrain assembly.
80. Remove the frame to body bolts. Discard the bolts.

Note: When lowering the engine/transaxle assembly, verify all brake lines, shifter cables and other components are free during removal.

81. Lower the engine table and raise the body on the hoist until the engine/transaxle and cradle are free from the vehicle.




82. Disconnect the engine wiring harness electrical connector (1) from the throttle actuator.
83. Disconnect the engine wiring harness electrical connector (8) from the fuel injector wiring harness electrical connector (7).
84. Remove the engine wiring harness clip (3) from the oil level indicator tube bracket.




85. Disconnect the engine wiring harness electrical connectors (1) from the ignition coils.
86. Disconnect the engine wiring harness electrical connectors (2, 3) from the camshaft actuators.




87. Disconnect the engine wiring harness electrical connector (1) from the crankshaft position (CKP) sensor.
88. Disconnect the engine wiring harness electrical connector (2) from the oil pressure sensor.
89. Disconnect the engine wiring harness electrical connector (3) from the knock sensor.




90. Disconnect the engine wiring harness electrical connector (1) from the intake camshaft position (CMP) sensor.
91. Disconnect the engine wiring harness electrical connector (2) from the EVAP emission canister purge solenoid valve.




92. Disconnect the engine wiring harness electrical connector (1) from the exhaust CMP sensor.




93. Disconnect the engine wiring harness electrical connector (1) from the engine coolant temperature (ECT) sensor.
94. Disconnect the engine wiring harness electrical connector (3) from the heated oxygen sensor (HO2S) electrical connector.
95. Remove the engine wiring harness clip (5) from the stud.




96. Remove the engine wiring harness ground bolt (1) and reposition the ground terminal from the engine.
97. Gather all branches of the engine wiring harness and reposition the harness out of the way.




98. Remove the starter motor bolts and starter.




99. Remove the torque converter to flexplate bolts (1).
100. Install a suitable lifting devise to the engine.




101. Remove the transaxle bolts from the engine.
102. Separate the engine from the transaxle.
103. Install the engine to a suitable engine stand.