Operation CHARM: Car repair manuals for everyone.
Manuals through 2025 now available!

Our trusted friends have launched a new website named LEMON, which has newer manuals. It also contains all the CHARM manuals.

LEMON is the spiritual successor to CHARM, I recommend you try it!

Link: lemon-manuals.la or lemon-manuals.org.ua

(Some people have issue connecting. LEMON is investigating. For now, use Firefox or change your DNS server)

Or, hide this message: temporarily or permanently

Timing Chain: Service and Repair




Camshaft Timing Chain, Sprocket, and Tensioner Replacement

Special Tools
* J 45027 Tensioner Tool
* J 45059 Angle Meter

Removal Procedure




1. Remove the number 1 cylinder spark plug. Refer to Spark Plug Replacement (Service and Repair).
2. Rotate the crankshaft in the engine rotational direction clockwise, until the number 1 piston is at top dead center (TDC) on the exhaust stroke.
3. Remove the camshaft cover. Refer to Camshaft Cover Replacement (LE5) (Service and Repair)Camshaft Cover Replacement (LAT) (Service and Repair).
4. Remove the engine front cover. Refer to Engine Front Cover Replacement (LAT) (Service and Repair)Engine Front Cover Replacement (LE5) (Service and Repair).
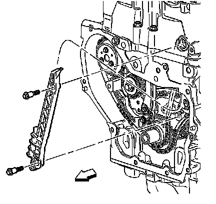
5. Remove the upper timing chain guide bolts and guide.





Note: The timing chain tensioner must be removed to unload chain tension before the timing chain is removed. If it is not, the timing chain will become cocked and it will be difficult to remove.

6. Remove the timing chain tensioner.




7. Install a 24 mm wrench on the hex on the exhaust camshaft in order to hold the camshaft.
8. Remove and discard the exhaust camshaft actuator bolt (2).
9. Remove the exhaust camshaft actuator (1, 3) from the camshaft and timing chain.




10. Remove the timing chain tensioner guide bolt and guide.




11. Remove the fixed timing chain guide access plug.




12. Remove the fixed timing chain guide bolts and guide.




13. Install a 24 mm wrench on the hex on the intake camshaft in order to hold the camshaft.
14. Remove and discard the intake camshaft actuator bolt (2).
15. Remove the intake camshaft actuator (3), and the timing chain through the top of the cylinder head.




16. Remove the timing chain crankshaft sprocket.




17. If replacing the balance shaft timing chain and sprocket, perform the following steps, if not proceed to step 10 in the installation procedure.
18. Remove the balance shaft drive chain tensioner bolts and tensioner.




19. Remove the adjustable balance shaft chain guide bolt and guide.




20. Remove the small balance shaft drive chain guide bolts and guide.




21. Remove the upper balance shaft drive chain guide bolts and guide.





Note: It may ease removal of the balance shaft drive chain to get all the slack in the chain between the crankshaft and water pump sprockets.

22. Remove the balance shaft drive chain (7).
23. Remove the balance shaft drive sprocket.

Installation Procedure




1. If replacing the balance shaft timing chain, perform the following steps, if not proceed to step 10.
2. Install the balance shaft drive sprocket.

Note: If the balance shafts are not properly timed to the engine, the engine may vibrate or make noise.

3. Install the balance shaft drive chain (1) with the colored link lined up with the marks on the balance shaft sprockets and the balance shaft drive sprocket.
There are three colored links on the chain. Two are chrome and one is copper. Use the following steps in order to line up the links with the sprockets.

1. Place the copper link (5) so that it lines up with the timing mark (2) on the intake side balance shaft sprocket.
2. Working clockwise around the chain, place the chrome link (4) in line with the timing mark (3) on the balance shaft drive sprocket. (Approximately 6 o'clock position on the sprocket).
3. Place the chain (7) on the water pump drive sprocket. The alignment is not critical.
4. Align the last chrome link (6) with the timing mark (1) on the exhaust side balance shaft drive sprocket.





Caution: Refer to Fastener Caution (Fastener Caution).

4. Install the upper balance shaft drive chain guide and bolt and tighten to 15 Nm (11 lb ft).




5. Install the small balance shaft drive chain guide and bolts and tighten to 15 Nm (11 lb ft).




6. Install the adjustable balance shaft chain guide and bolt and tighten to 10 Nm (89 lb in).




7. Reset the timing chain tensioner by performing the following steps:

1. Rotate the tensioner plunger 90 degrees in its bore and compress the plunger.
2. Rotate the tensioner back to the original 12 o'clock position and insert a paper clip through the hole in the plunger body and into the hose in the tensioner plunger.

8. Install the balance shaft drive chain tensioner and bolts and tighten to 10 Nm (89 lb in).
9. Remove the paper clip from the balance shaft drive chain tensioner.




10. Ensure the intake camshaft notch is in the 5 o'clock position (2) and the exhaust camshaft notch is in the 7 o'clock position (1). The number 1 piston should be at top dead center (TDC), crankshaft key at 12 o'clock.




11. Install the timing chain drive sprocket to the crankshaft with the timing mark in the 5 o'clock position and the front of the sprocket facing out.





Note:
* There are 3 colored links on the timing chain. 2 links are of matching color, and 1 link is of a unique color. Use the following procedure to line up the links with the actuators. Orient the chain so that the colored links are visible.
* Always use new actuator bolts.

12. Assemble the intake camshaft actuator into the timing chain with the timing mark lined up with the uniquely colored link (1).




13. Lower the timing chain through the opening in the cylinder head. Use care to ensure that the chain goes around both sides of the cylinder block bosses (1, 2).
14. Install the intake camshaft actuator onto the intake camshaft while aligning the dowel pin into the camshaft slot.
15. Hand tighten the new intake camshaft actuator bolt.




16. Route the timing chain around the crankshaft sprocket and line up the first matching colored link (2) with the timing mark on the crankshaft sprocket, in approximately the 5 o'clock position.




17. Rotate the crankshaft clockwise to remove all chain slack. Do not rotate the intake camshaft.
18. Install the adjustable timing chain guide down through the opening in the cylinder head and install the adjustable timing chain bolt.
Tighten the adjustable timing chain guide bolt to 10 Nm (89 lb in).





Note: Always install NEW actuator bolts.

19. Install the exhaust camshaft actuator into the timing chain with the timing mark lined up with the second matching colored link.




20. Install the exhaust camshaft actuator onto the exhaust camshaft, aligning the dowel pin into the camshaft slot.
21. Using a 23 mm open end wrench, rotate the exhaust camshaft approximately 45 degrees until the dowel pin in the camshaft actuator goes into the camshaft slot.




22. When the actuator seats on the cam, tighten the new exhaust camshaft actuator bolt hand tight.




23. Verify that all of the colored links and the appropriate timing marks are still aligned. If they are not aligned, repeat the portion of the procedure necessary to align the timing marks.




24. Install the fixed timing chain guide and bolts and tighten to 12 Nm (106 lb in).




25. Install the upper timing chain guide and bolts and tighten to 10 Nm (89 lb in).




26. Reset the timing chain tensioner by performing the following steps:

1. Remove the snap ring.
2. Remove the piston assembly from the body of the timing chain tensioner.
3. Install the J 45027-2 (2) into a vise.
4. Install the notch end of the piston assembly into the J 45027-2 (2).
5. Using the J 45027-1 (1), turn the ratchet cylinder into the piston.
6. Reinstall the piston assembly into the body of the tensioner.
7. Install the snap ring.




27. Inspect the timing chain tensioner seal for damage. If damaged, replace the seal.
28. Inspect to ensure all dirt and debris is removed from the timing chain tensioner threaded hole in the cylinder head.

Note: Ensure the timing chain tensioner seal is centered throughout the torque procedure to eliminate the possibility of an oil leak.

29. Install the timing chain tensioner assembly and tighten to tensioner to 75 Nm (55 lb ft).
30. The timing chain tensioner is released by compressing it 2 mm (0.079 in), which will release the locking mechanism in the ratchet. To release the timing chain tensioner, use a suitable tool with a rubber tip on the end. Feed the tool down through the cam drive chest to rest on the cam chain. Then give a sharp jolt diagonally downwards to release the tensioner.




31. Using a 23 mm wrench, engage the hex on the intake camshaft, and using a torque wrench, tighten the camshaft actuator bolt to 30 Nm (22 lb ft), plus 100 degrees using the J 45059 .
32. Using a 23 mm wrench, engage the hex on the exhaust camshaft, and using a torque wrench, tighten the camshaft actuator bolt to 30 Nm (22 lb ft), plus 100 degrees using the J 45059 .




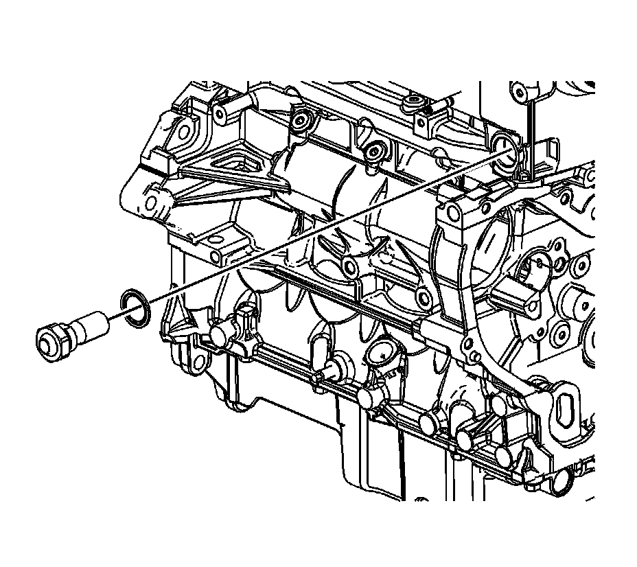
33. Install the timing chain oiling nozzle and tighten the bolt to 10 Nm (89 lb in).




34. Apply sealant compound GM P/N 12345382 (Canadian P/N 10953489) to the thread of the timing chain guide bolt access hole plug.
35. Install the timing chain guide bolt access hole plug and tighten to 90 Nm (66 lb ft).
36. Install the engine front cover. Refer to Engine Front Cover Replacement (LAT) (Service and Repair)Engine Front Cover Replacement (LE5) (Service and Repair).
37. Install the camshaft cover. Refer to Camshaft Cover Replacement (LE5) (Service and Repair)Camshaft Cover Replacement (LAT) (Service and Repair).
38. Install the number 1 cylinder spark plug. Refer to Spark Plug Replacement (Service and Repair).