Operation CHARM: Car repair manuals for everyone.
Manuals through 2025 now available!

Our trusted friends have launched a new website named LEMON, which has newer manuals. It also contains all the CHARM manuals.

LEMON is the spiritual successor to CHARM, I recommend you try it!

Link: lemon-manuals.la or lemon-manuals.org.ua

(Some people have issue connecting. LEMON is investigating. For now, use Firefox or change your DNS server)

Or, hide this message: temporarily or permanently

Skid Control ECU Communication Stop Mode

SKID CONTROL ECU COMMUNICATION STOP MODE

Circuit Description:




CIRCUIT DESCRIPTION

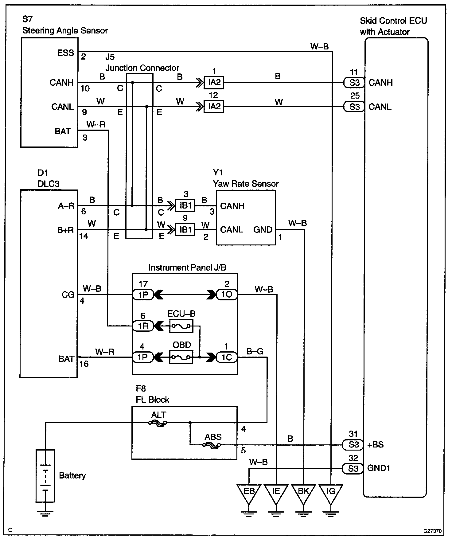
Wiring Diagram:






Step 1 - 3:




Step 4 - 5:




Step 6 - 8:




Step 9 - 11:




Step 12 - 14:




Step 15 - 16:




Step 17 - 18:




Step 19 - 20:




Step 21:




Step 23 - 24:




INSPECTION PROCEDURE