Operation CHARM: Car repair manuals for everyone.
Manuals through 2025 now available!

Our trusted friends have launched a new website named LEMON, which has newer manuals. It also contains all the CHARM manuals.

LEMON is the spiritual successor to CHARM, I recommend you try it!

Link: lemon-manuals.la or lemon-manuals.org.ua

(Some people have issue connecting. LEMON is investigating. For now, use Firefox or change your DNS server)

Or, hide this message: temporarily or permanently

Heater or Boost Ventilator Control Assembly

HEATER OR BOOST VENTILATOR CONTROL ASSEMBLY

REPLACEMENT

1. REMOVE INSTRUMENT CLUSTER FINISH PANEL GARNISH NO.2
2. REMOVE INSTRUMENT CLUSTER FINISH PANEL GARNISH NO.1




3. REMOVE HEATER CONTROL KNOB
a. Remove the 3 heater control knobs.




4. REMOVE INSTRUMENT CLUSTER FINISH PANEL SUB ASSEMBLY CTR
a. Remove the 4 screws.
b. Disengage the 4 clips and the claw, and then remove the instrument cluster finish panel sub assembly CTR.
c. Disconnect the connectors.

5. REMOVE HEATER CONTROL & ACCESSORY ASSEMBLY




a. Disengage the 3 claws and disconnect the heater control & accessory assembly.




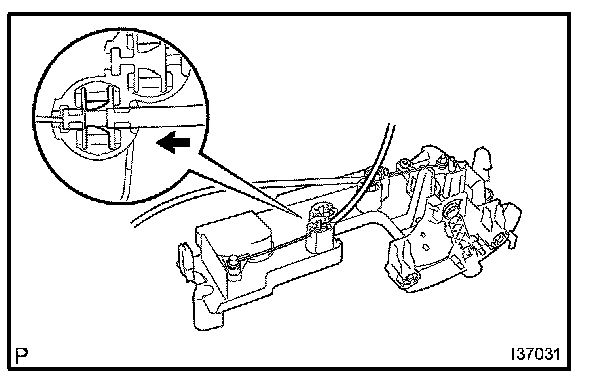
b. Using a screwdriver, open the claw of the cable clamp and disconnect the defroster damper control cable sub assembly.

NOTE:
- Be careful not to bend the cable wire.
- If the cable wire bends, the defroster damper control cable sub assembly operation may be affected.

HINT: Tape up the screwdriver tip before use.




c. Using a screwdriver, open the claw of the cable clamp and disconnect the air mix damper control cable sub assembly.

NOTE:
- Be careful not to bend the cable wire.
- If the cable wire bends, the air mix damper control cable sub assembly operation may be affected.

HINT: Tape up the screwdriver tip before use.

d. Remove the heater control & accessory assembly.




6. REMOVE AIR INLET DAMPER CONTROL LEVER
a. Disengage the claw, and remove the air inlet damper control lever.




7. REMOVE HEATER SWITCH ASSEMBLY
a. Remove the 2 screws and heater switch.

8. REMOVE HEATER OR BOOST VENTILATOR CONTROL ASSEMBLY

9. INSTALL HEATER CONTROL & ACCESSORY ASSEMBLY




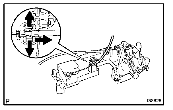
a. Install the inner cable end of the air mix damper control cable sub assembly on the heater control & accessory assembly.
b. Install the outer cable of the air mix damper control cable sub assembly on the cable clamp.

NOTE:
- Be careful not to bend the cable wire.
- If the cable wire bends, the air mix damper control cable sub assembly operation may be affected.

HINT:
- Operating the heater control knob, check that it properly stops at both ends of MAX. COOL and MAX. HOT and no recoil is identified.
- Check that the outer cable is not disengaged (moved) from the heater control & accessory assembly when the cable is pulled.




c. Install the inner cable end of the defroster damper control cable sub assembly on the heater control lever.
d. Install the outer cable of the defroster damper control cable sub assembly on the cable clamp.
e. Connect the connector and install the heater control & accessory assembly.

NOTE:
- Be careful not to bend the cable wire.
- If the cable wire bends, the heater control & accessory assembly operation may be affected.

HINT:
- Operating the heater control knob, check that it properly stops at both ends of FACE and DEF and no recoil is identified.
- Check that the outer cable is not disengaged (moved) from the heater control & accessory assembly when the cable is pulled.