Manuals through 2025 now available!
Our trusted friends have launched a new website named LEMON, which has newer manuals. It also contains all the CHARM manuals.
LEMON is the spiritual successor to CHARM, I recommend you try it!
Link:
lemon-manuals.la or
lemon-manuals.org.ua
(Some people have issue connecting. LEMON is investigating. For now, use Firefox or change your DNS server)
Or, hide this message:
temporarily or
permanently
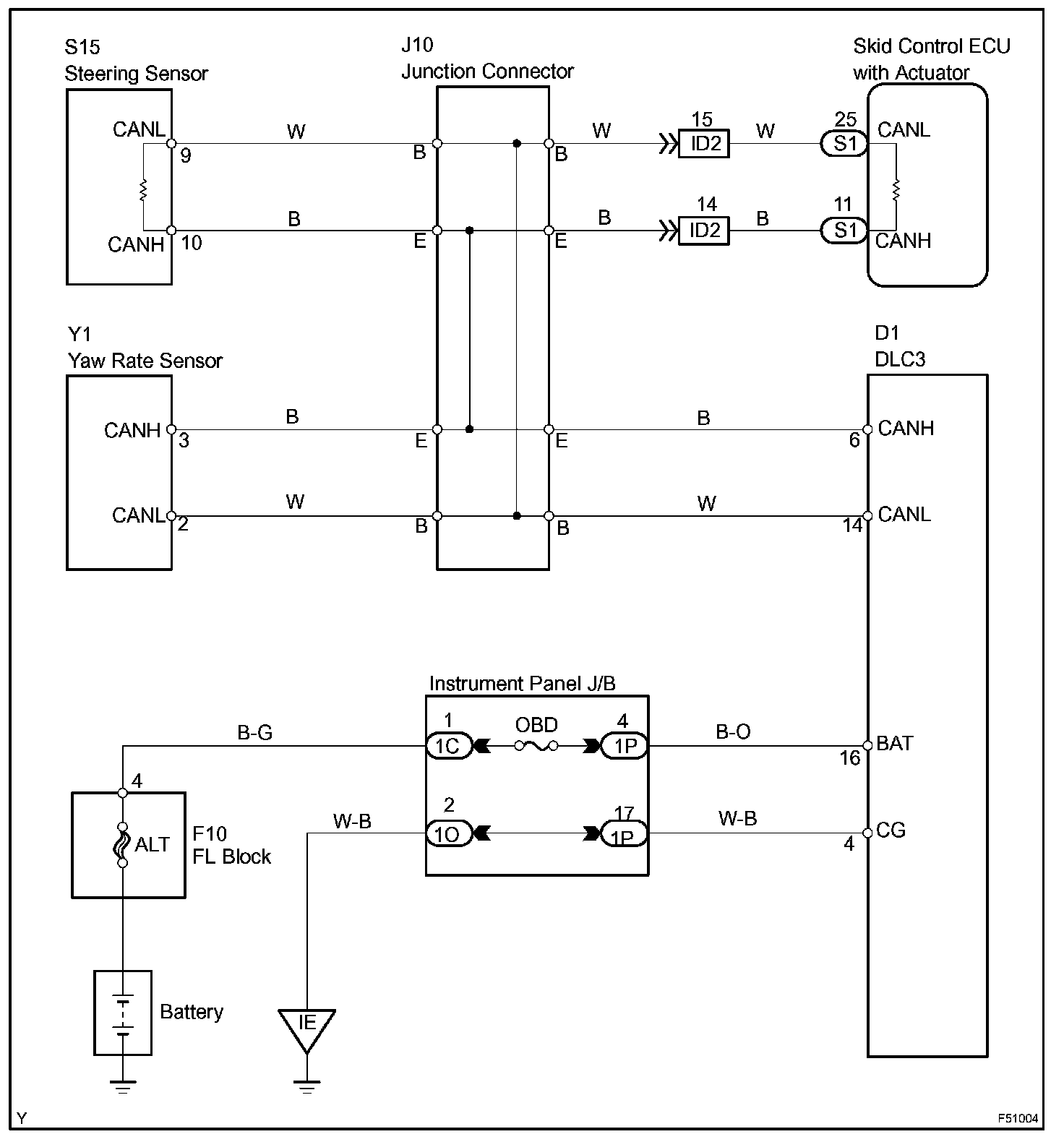
Check CAN Bus Line
CHECK CAN BUS LINECIRCUIT DESCRIPTIONWhen a CAN communication DTC is output, first measure the resistance between the terminals of the
DLC3 to specify the trouble area.
Wiring Diagram:
Step 1-2:
Step 3-5:
INSPECTION PROCEDURE