Operation CHARM: Car repair manuals for everyone.
Manuals through 2025 now available!

Our trusted friends have launched a new website named LEMON, which has newer manuals. It also contains all the CHARM manuals.

LEMON is the spiritual successor to CHARM, I recommend you try it!

Link: lemon-manuals.la or lemon-manuals.org.ua

(Some people have issue connecting. LEMON is investigating. For now, use Firefox or change your DNS server)

Or, hide this message: temporarily or permanently

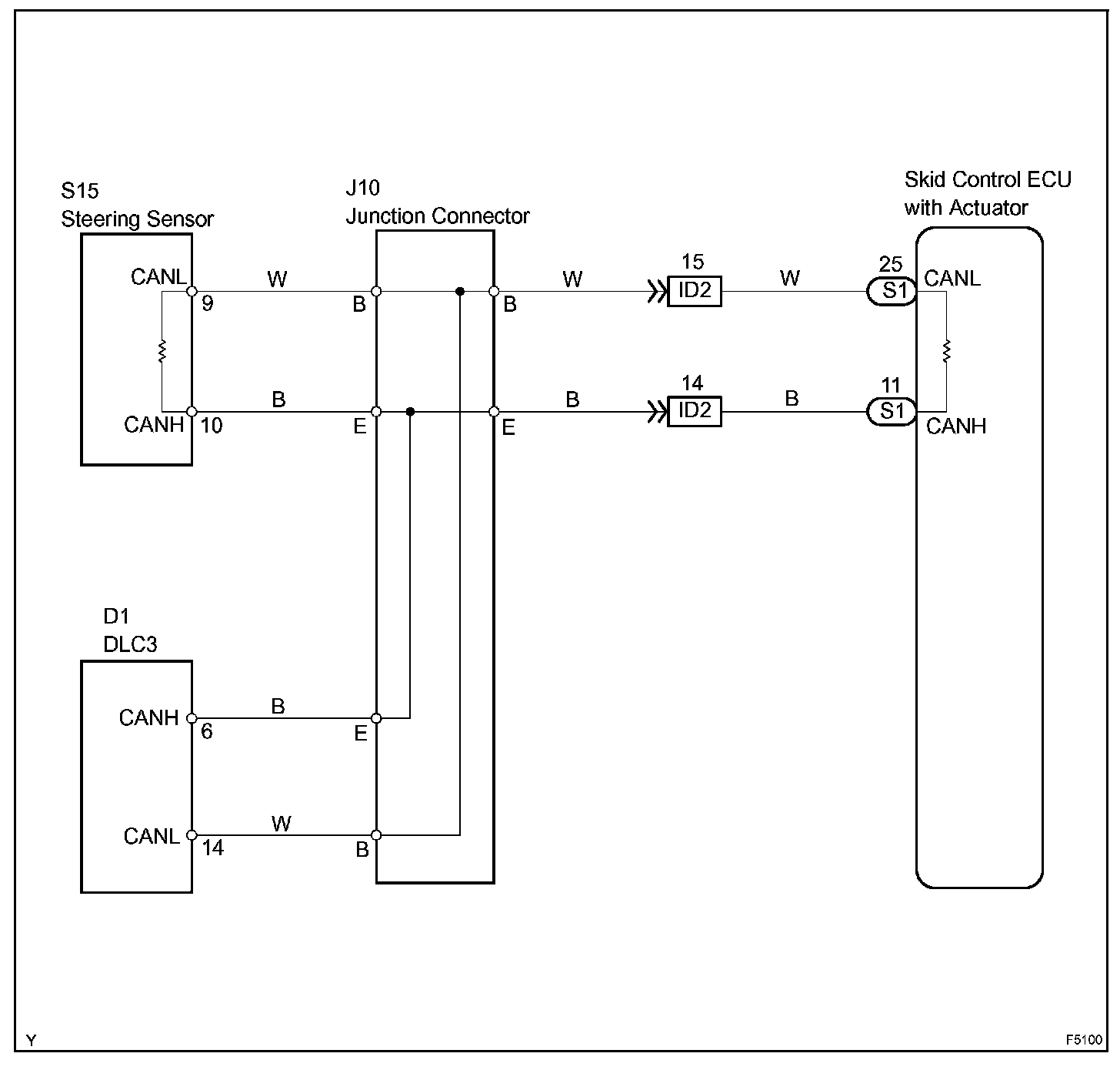
Check CAN Main Bus Line For Disconnection

CHECK CAN MAIN BUS LINE FOR DISCONNECTION

CIRCUIT DESCRIPTION




The CAN main bus line and DLC3 sub bus line may be disconnected when the resistance between terminals, 6 (CANH) and 14 (CANL) of the DLC3 is more than 69 Ohms.

Wiring Diagram:






Step 1-2:




Step 3-4:




INSPECTION PROCEDURE