Operation CHARM: Car repair manuals for everyone.
Manuals through 2025 now available!

Our trusted friends have launched a new website named LEMON, which has newer manuals. It also contains all the CHARM manuals.

LEMON is the spiritual successor to CHARM, I recommend you try it!

Link: lemon-manuals.la or lemon-manuals.org.ua

(Some people have issue connecting. LEMON is investigating. For now, use Firefox or change your DNS server)

Or, hide this message: temporarily or permanently

Key Lock In Prevention Function Does Not Work Properly (Manual Operation and Key Linked Lock Are Available)

KEY LOCK-IN PREVENTION FUNCTION DOES NOT WORK PROPERLY (MANUAL OPERATION AND KEY-LINKED LOCK ARE AVAILABLE)

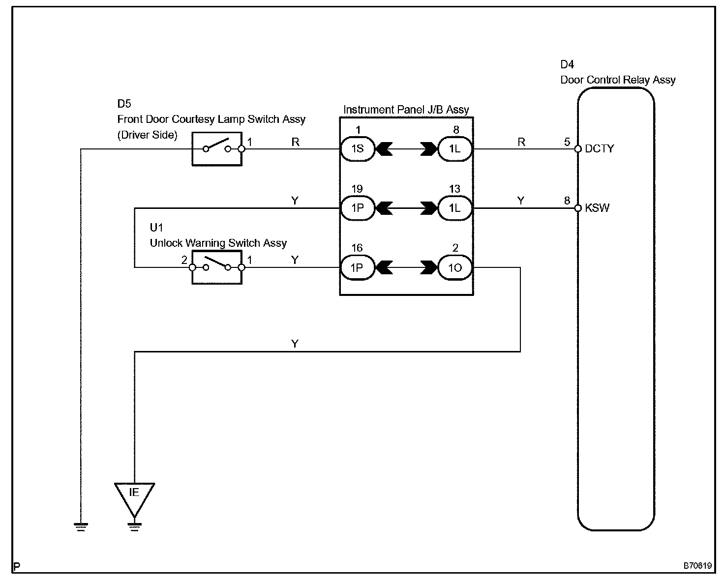
CIRCUIT DESCRIPTION

To prevent the key from being locked in the vehicle, the door control relay assembly prevents doors from being locked by monitoring 2 switches: 1) the unlock warning switch, which turns ON when the key is inserted into the ignition key cylinder; and 2) the driver side courtesy lamp switch, which turns ON when the driver side door is opened.

Wiring Diagram:






Step 1 - 2:




Step 3 - 4:




INSPECTION PROCEDURE