Operation CHARM: Car repair manuals for everyone.
Manuals through 2025 now available!

Our trusted friends have launched a new website named LEMON, which has newer manuals. It also contains all the CHARM manuals.

LEMON is the spiritual successor to CHARM, I recommend you try it!

Link: lemon-manuals.la or lemon-manuals.org.ua

(Some people have issue connecting. LEMON is investigating. For now, use Firefox or change your DNS server)

Or, hide this message: temporarily or permanently

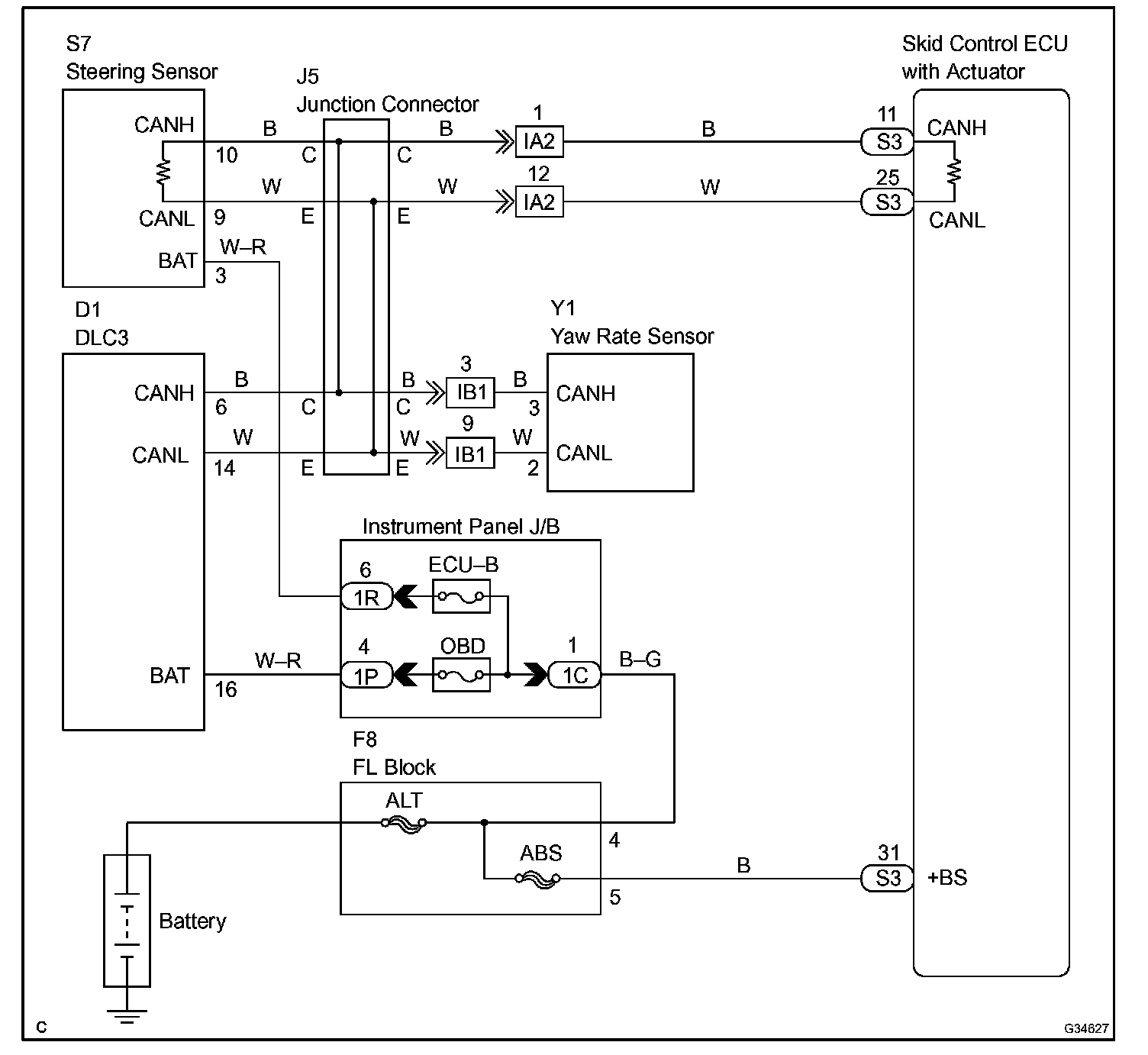
Check CAN Bus Line (CAN-H) For Short to B+

CHECK CAN BUS LINE (CAN-H) FOR SHORT TO +B

CIRCUIT DESCRIPTION




A short to +B is suspected in the CAN bus line when there is continuity between terminals 16 (BAT) and 6 (CANH) of the DLC3.

Wiring Diagram:






Step 1 - 3:




Step 4 - 6:




Step 7:




INSPECTION PROCEDURE