Knock Sensor: Service and Repair
Knock Sensor Components:
Knock Sensor Components:
Knock Sensor Components:
REPLACEMENT
1. DRAIN ENGINE COOLANT
2. REMOVE AIR CLEANER ASSEMBLY
3. SEPARATE ACCELERATOR CONTROL CABLE ASSEMBLY
4. REMOVE TRANSMISSION OIL LEVEL GAGE SUB-ASSEMBLY (A/T TRANSAXLE)
5. REMOVE TRANSMISSION OIL FILLER TUBE SUB-ASSEMBLY (A/T TRANSAXLE)
6. SEPARATE THROTTLE BODY ASSEMBLY
a. Disconnect the ISC valve connector.
b. Disconnect the throttle position sensor connector. (M/T TRANSAXLE)
c. Remove the wire harness clamp.
d. Remove the bolt and 2 nuts, then remove the accelerator control cable bracket and throttle body.
e. Remove the gasket from the intake manifold.
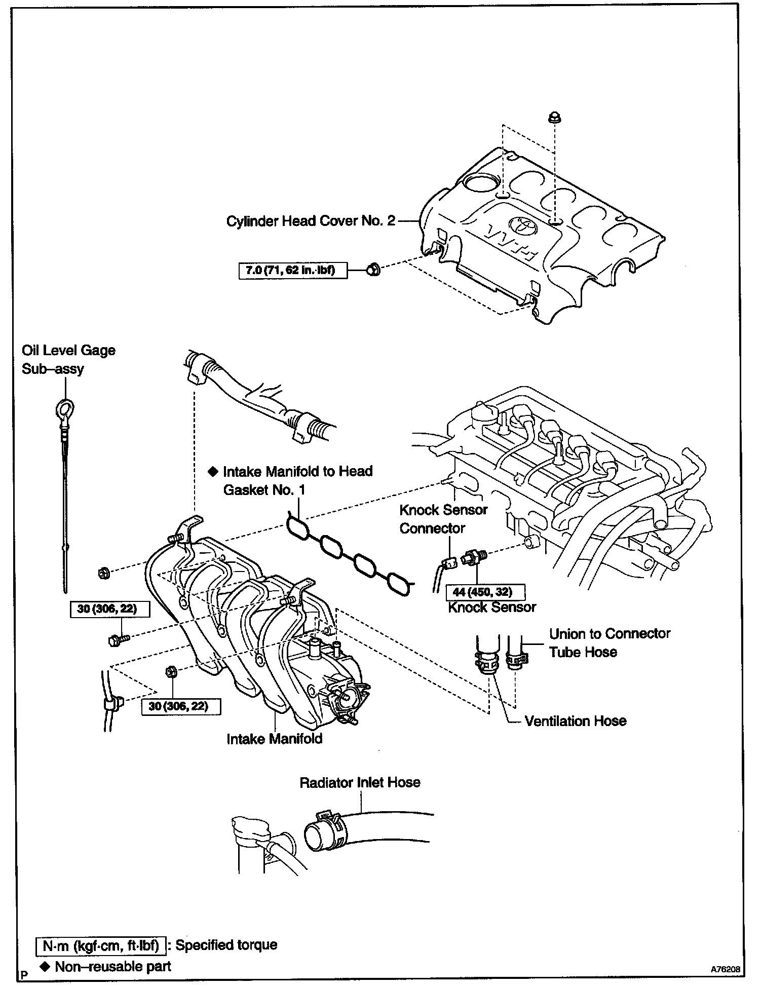
7. REMOVE CYLINDER HEAD COVER NO.2
a. Remove the 4 nuts and cylinder head cover.
8. DISCONNECT RADIATOR HOSE INLET
9. REMOVE OIL LEVEL GAGE SUB-ASSEMBLY
10. REMOVE INTAKE MANIFOLD
a. Disconnect the ventilation hose.
b. Disconnect the union to connector tube hose.
c. Remove the 3 wire harness clamps.
d. In order to remove the intake manifold, using several steps, remove the 3 bolts and 2 nuts in the sequence shown in the illustration.
e. Remove the gasket from the intake manifold.
11. REMOVE KNOCK SENSOR
a. Disconnect the knock sensor connector.
b. Using SST, remove the knock sensor.
SST 09816-30010
12. INSTALL KNOCK SENSOR
a. Using SST, install the knock sensor.
SST 09816-30010
Torque: 44 N.m (450 kgf.cm, 32 ft.lbf)
b. Connect the knock sensor connector.
13. INSTALL INTAKE MANIFOLD
a. Install a new gasket to the intake manifold.
b. Install the intake manifold with the 3 bolts and 2 nuts. Using several steps, tighten the bolts and nuts uniformly in the sequence shown in the illustration.
Torque: 30 N.m (306 kgf.cm, 22 ft.lbf)
c. Install the 3 wire harness clamps.
d. Connect the union to connector tube hose.
e. Connect the ventilation hose.
14. INSTALL OIL LEVEL GAGE SUB-ASSEMBLY
15. CONNECT RADIATOR HOSE INLET
16. INSTALL CYLINDER HEAD COVER NO.2
a. Install the cylinder head cover.
b. First tighten nut A, then tighten nut B.
Torque: 7.0 Nm (71 kgf.cm, 62 in.lbf)
17. INSTALL THROTTLE BODY ASSEMBLY
a. Install a new gasket to the intake manifold.
b. Install the throttle body and accelerator control cable bracket with the bolt and 2 nuts.
Torque: 30 N.m (306 kgf.cm, 22 ft.lbf)
c. Install the wire harness clamp.
d. Connect the throttle position sensor connector. (M/T TRANSAXLE)
e. Connect the ISC valve connector.
18. INSTALL TRANSMISSION OIL FILLER TUBE SUB-ASSEMBLY (A/T TRANSAXLE)
19. INSTALL TRANSMISSION OIL LEVEL GAGE SUB-ASSEMBLY (A/T TRANSAXLE)
20. INSTALL ACCELERATOR CONTROL CABLE ASSEMBLY
21. INSTALL AIR CLEANER ASSEMBLY
22. ADD ENGINE COOLANT
23. CHECK FOR ENGINE COOLANT LEAKS