Operation CHARM: Car repair manuals for everyone.
Manuals through 2025 now available!

Our trusted friends have launched a new website named LEMON, which has newer manuals. It also contains all the CHARM manuals.

LEMON is the spiritual successor to CHARM, I recommend you try it!

Link: lemon-manuals.la or lemon-manuals.org.ua

(Some people have issue connecting. LEMON is investigating. For now, use Firefox or change your DNS server)

Or, hide this message: temporarily or permanently

Component Tests and General Diagnostics

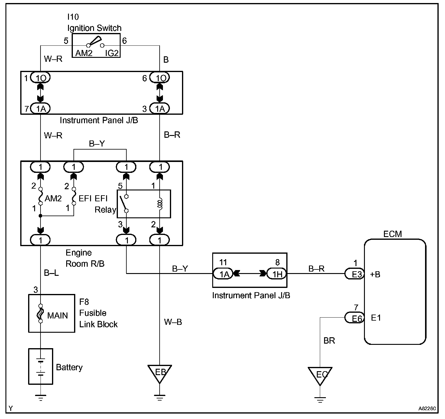
ECM POWER SOURCE CIRCUIT

CIRCUIT DESCRIPTION

When the ignition switch is turned to ON, the positive battery voltage is applied to the coil, which closes the contacts of the EFI main relay (Marked: EFI) and supplies power to terminal +B of the ECM.

If the ignition switch is turned off, the ECM continues to switch on the EFI relay for a maximum of 2 seconds for the initial setting of the throttle valve.

Wiring Diagram:






Step 1 - 3:




Step 4 - 5:




Step 6 - 7:




Step 8 - 9:




Step 10:




INSPECTION PROCEDURE