Operation CHARM: Car repair manuals for everyone.
Manuals through 2025 now available!

Our trusted friends have launched a new website named LEMON, which has newer manuals. It also contains all the CHARM manuals.

LEMON is the spiritual successor to CHARM, I recommend you try it!

Link: lemon-manuals.la or lemon-manuals.org.ua

(Some people have issue connecting. LEMON is investigating. For now, use Firefox or change your DNS server)

Or, hide this message: temporarily or permanently

Charging System: Testing and Inspection

CHARGING SYSTEM

ON-VEHICLE INSPECTION

1. CHECK BATTERY CONDITION

NOTE: If the battery is weak or if the engine is difficult to start, perform the following procedures.

a. Check the battery for damage and deformation. If severe damage, deformation or leakage is found, replace the battery.

b. Check the electrolyte quantity of each cell.




1. For maintenance-free batteries:
- If the electrolyte quantity is below the lower line, replace the battery.
- If the electrolyte quantity is above the lower line, check the battery voltage when cranking the engine. If the voltage is less than 9.6 V, recharge or replace the battery.

HINT: Before checking the battery voltage, turn off all the electrical systems (headlights, blower motor, rear defogger, etc.).




2. For non-maintenance-free batteries:
- If the electrolyte quantity is below the lower line, add distilled water to each cell. Then, recharge the battery and check the electrolyte's specific gravity.

Standard specific gravity: 1.25 to 1.29 at 20 degrees C (68 degrees F)

- If the electrolyte quantity is above the lower line, check the battery voltage when cranking the engine. If the voltage is less than 9.6 V, recharge or replace the battery.

HINT: Before checking the battery voltage, turn off all the electrical systems (headlights, blower motor, rear defogger, etc.).

2. CHECK BATTERY TERMINALS AND FUSES
a. Check that the battery terminals are not loose or corroded.
If the terminals are corroded, clean the terminals.

b. Measure the resistance of the H-fuse and fuses.

Standard resistance: Below 1 Ohm

If the results are not as specified, replace the fuses as necessary.

3. CHECK V-RIBBED BELT




a. Check the belt for wear, cracks and other signs of damage.
If any defect is found, replace the drive belt.

HINT: Replace the drive belt, if the following defects are found:
- The belt is worn out and wire is exposed.
- The cracks reach the wire in more than one place.
- The belt has chunks missing from the ribs.




b. Check that the belt fits properly in the ribbed grooves.

HINT: With your hand, confirm that the belt has not slipped out of the grooves on the bottom of the pulley.

4. VISUALLY CHECK GENERATOR WIRING
a. Check that the wiring is in good condition.

5. LISTEN FOR ABNORMAL NOISE FROM GENERATOR
a. Check that the generator does not emit any abnormal noise while the engine is running.

6. CHECK CHARGE WARNING LIGHT CIRCUIT
a. Turn the ignition switch ON. Check that the charge warning light turns on.
b. Start the engine and check that the light turns off.
If the light does not operate as specified, troubleshoot the charge warning light circuit.




7. CHECK CHARGING CIRCUIT WITHOUT LOAD
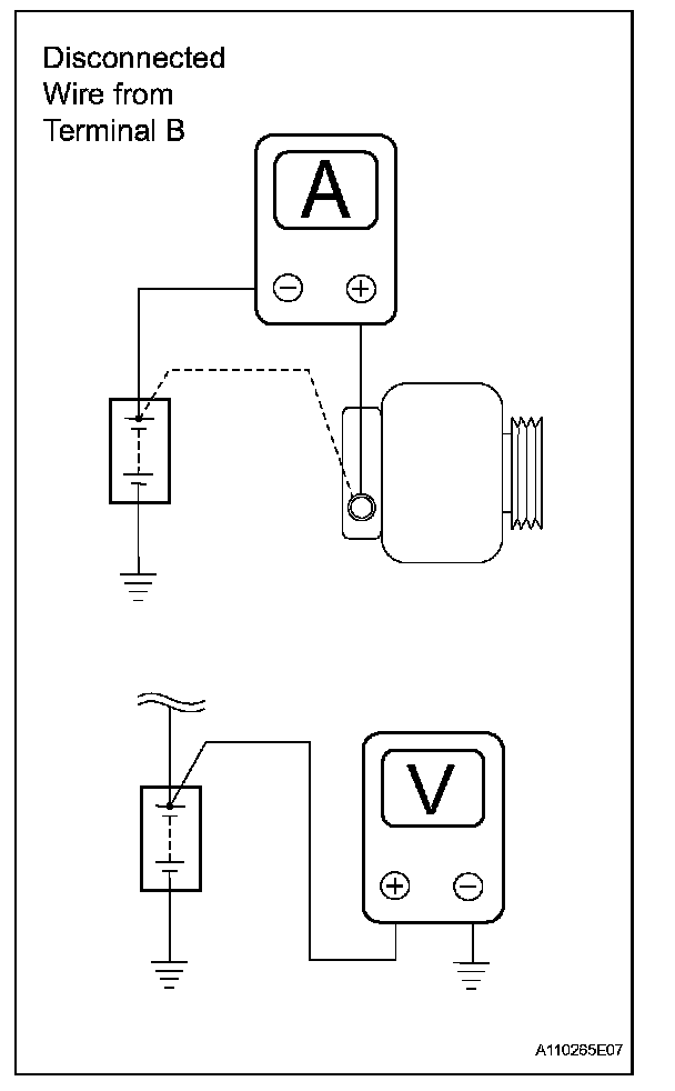
a. Connect a voltmeter and ammeter to the charging circuit as follows.

HINT: If a battery/generator tester is available, connect the tester to the charging circuit according to the manufacturer's instructions.

1. Disconnect the wire from terminal B of the generator and connect it to the negative (-) lead of the ammeter.
2. Connect the ammeter's positive (+) lead to terminal B of the generator.
3. Connect the voltmeter's positive (+) lead to positive (+) terminal B of the battery. 4. Ground the voltmeter's negative (-) lead.

b. Check the charging circuit.
1. Keep the engine speed at 2,000 rpm. Check the reading on the ammeter and voltmeter.

Standard amperage: 10 A or less
Standard voltage: 12.9 to 14.9 V

If the voltmeter reading is more than the standard voltage, replace the voltage regulator. If the voltmeter reading is less than the standard voltage, check the voltage regulator and generator.

8. CHECK CHARGING CIRCUIT WITH LOAD
a. With the engine running at 2,000 rpm, turn on the high beam headlights and turn the heater blower switch to the HI position.
b. Check the reading on the ammeter.

Standard amperage: 30 A or more

If the ammeter reading is less than the standard amperage, repair the generator. If the battery is fully charged, the indication will sometimes be less than the standard amperage.