Operation CHARM: Car repair manuals for everyone.
Manuals through 2025 now available!

Our trusted friends have launched a new website named LEMON, which has newer manuals. It also contains all the CHARM manuals.

LEMON is the spiritual successor to CHARM, I recommend you try it!

Link: lemon-manuals.la or lemon-manuals.org.ua

(Some people have issue connecting. LEMON is investigating. For now, use Firefox or change your DNS server)

Or, hide this message: temporarily or permanently

Only Wireless Control Function Is Inoperative








DOOR LOCK: WIRELESS DOOR LOCK CONTROL SYSTEM: Only Wireless Control Function is Inoperative

Only Wireless Control Function is Inoperative

DESCRIPTION

The door control receiver receives signals from the transmitter and sends these signals to the main body ECU. The main body ECU then controls all doors by sending lock / unlock signals to each door, and sends hazard flasher relay signals to the turn signal flasher relay (hazard warning lights).

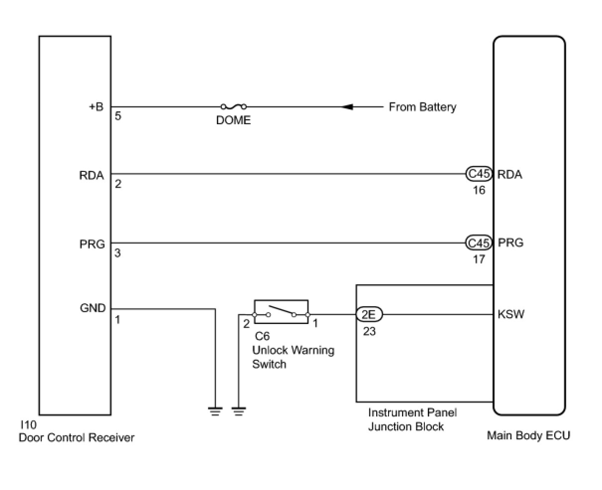
WIRING DIAGRAM





INSPECTION PROCEDURE

PROCEDURE

1. CHECK WIRELESS DOOR LOCK CONTROL FUNCTIONS
(a) Check the wireless door lock control functions Wireless Door Lock Control System.
OK:
Each function of wireless door lock control system operates normally using transmitter switch.
NG -- CHECK TRANSMITTER LED ILLUMINATION
OK -- USE SIMULATION METHOD TO CHECK
2. CHECK TRANSMITTER LED ILLUMINATION
(a) Check that the transmitter's LED illuminates 3 times when the switch is pressed 3 times.
OK:
Transmitter's LED illuminates 3 times when switch is pressed 3 times.
NG -- CHECK TRANSMITTER BATTERY
OK -- Continue to next step.
3. CHECK WIRELESS DOOR LOCK CONTROL FUNCTIONS (STANDARD OPERATION FUNCTION)
HINT: Use the following standard test procedure to check the transmitter again.
(a) Hold the transmitter approximately 1 m (3.28 ft.) from the driver side door outside handle. The transmitter must be held parallel to the ground and perpendicular to the side of the vehicle.
(b) Press and hold either the LOCK or UNLOCK transmitter switch for 1 second, and check that the doors are locked or unlocked accordingly.
OK:
Doors can be locked and unlocked with transmitter switches.
NG -- CHECK ROOM LIGHT ASSEMBLY
OK -- Continue to next step.
4. CHECK TRANSMITTER BATTERY
(a) Remove the battery from the inoperative wireless door control transmitter Replacement.
(b) Measure the voltage according to the value(s) in the table below.
Standard voltage:






NG -- REPLACE TRANSMITTER BATTERY
OK -- REPLACE DOOR CONTROL TRANSMITTER MODULE
5. CHECK ROOM LIGHT ASSEMBLY
(a) Check that the room light illumination operates normally.
OK:
Room light operation normally.
NG -- Go to LIGHTING SYSTEM
OK -- Continue to next step.
6. SWITCH TO SELF-DIAGNOSTIC MODE
(a) Switch to self-diagnostic mode by operating the ignition key cylinder.
(1) Make sure the vehicle is in its initial condition. Then insert the key into the ignition key cylinder and remove it.
(2) Within 5 seconds of removing the key, insert the key into the ignition key cylinder (ignition switch OFF). Then turn the ignition switch ON and OFF.
(3) Within 30 seconds of turning the ignition switch OFF, perform the following operation 9 times: turn the ignition switch ON and OFF.
NOTE: If the system cannot enter self-diagnostic mode, the system returns to normal mode.
HINT:
- Turning the ignition switch ON after the above operations have been completed ends self-diagnostic mode.
- Do not lock or unlock doors during self-diagnostic mode.





(b) Check that the system has switched to self-diagnostic mode by checking the room light flash pattern.
OK:
Flash pattern is same as illustration.
NG -- INSPECT UNLOCK WARNING SWITCH ASSEMBLY
OK -- Continue to next step.
7. CHECK BY SELF DIAGNOSTIC MODE





(a) Inspect the diagnosis outputs when the door control transmitter switch is held down. The diagnosis outputs can be checked by the flash patterns of the room light.

Result:





C -- CHECK DOOR CONTROL RECEIVER (RESPONSE)
B -- REPLACE MAIN BODY ECU
A -- Continue to next step.
8. REGISTER RECOGNITION CODE
(a) Check that the system can be switched to rewrite mode or add mode, and that a recognition code can be registered Registration.
OK:
Recognition code can be registered.
NG -- REPLACE DOOR CONTROL TRANSMITTER MODULE
OK -- END
9. CHECK DOOR CONTROL RECEIVER (RESPONSE)
(a) Prepare the door control transmitter of another vehicle.
(b) Held down the door control transmitter,s switch.
(c) Check that an unmatching recognition code is output.
OK:
Unmatching recognition code is output.
NG -- REPLACE DOOR CONTROL RECEIVER
OK -- REPLACE DOOR CONTROL TRANSMITTER MODULE
10. REPLACE DOOR CONTROL RECEIVER
(a) Temporarily replace the door lock control receiver with a new or normally functioning one Removal.
NEXT -- Continue to next step.
11. REGISTER RECOGNITION CODE
(a) Perform the REGISTRATION procedures Registration.
NEXT -- Continue to next step.
12. CHECK DOOR CONTROL RECEIVER (OPERATION)
(a) Check that the doors can be locked and unlocked by using the transmitter LOCK and UNLOCK switches.
OK:
Doors can be locked and unlocked with transmitter.
NG -- REPLACE MAIN BODY ECU
OK -- END (DOOR CONTROL RECEIVER IS DEFECTIVE)
13. INSPECT UNLOCK WARNING SWITCH ASSEMBLY





(a) Remove the unlock warning switch Removal.
(b) Measure the resistance according to the value(s) in the table below.
Standard resistance:





(c) Reconnect the unlock warning switch.
NG -- REPLACE UNLOCK WARNING SWITCH ASSEMBLY
OK -- Continue to next step.
14. CHECK HARNESS AND CONNECTOR (UNLOCK WARNING SWITCH - MAIN BODY ECU AND BODY GROUND)





(a) Disconnect the C6 unlock warning switch connector.
(b) Disconnect the 2E main body ECU connector.
(c) Measure the resistance according to the value(s) in the table below.
Standard resistance:





(d) Reconnect the unlock warning switch connector.
(e) Reconnect the main body ECU connector
NG -- REPAIR OR REPLACE HARNESS OR CONNECTOR
OK -- Continue to next step.
15. CHECK DOOR CONTROL RECEIVER (OUTPUT)





(a) Measure the voltage according to the value(s) in the table below.
Standard voltage:






NG -- REPLACE DOOR CONTROL TRANSMITTER MODULE
OK -- REPLACE MAIN BODY ECU
16. REPLACE DOOR CONTROL TRANSMITTER MODULE
(a) Temporarily replace the door control transmitter module with a new or normally functioning one Removal.
NEXT -- Continue to next step.
17. REGISTER RECOGNITION CODE
(a) Perform the REGISTRATION procedures Registration.
NEXT -- Continue to next step.
18. CHECK DOOR CONTROL TRANSMITTER MODULE
(a) Check that the doors can be locked and unlocked by using the transmitter LOCK and UNLOCK switches.
OK:
Doors can be locked and unlocked with transmitter.
NG -- REPLACE DOOR CONTROL RECEIVER
OK -- END (DOOR CONTROL TRANSMITTER MODULE IS DEFECTIVE)