Open in CAN Main Wire
NETWORKING: CAN COMMUNICATION SYSTEM: Open in CAN Main Wire
- Open in CAN Main Wire
DESCRIPTION
There may be an open circuit in the CAN main wire and/or DLC3 CAN branch wire when the resistance between terminals 6 (CANH) and 14 (CANL) of the DLC3 is 69 Ohms or higher.
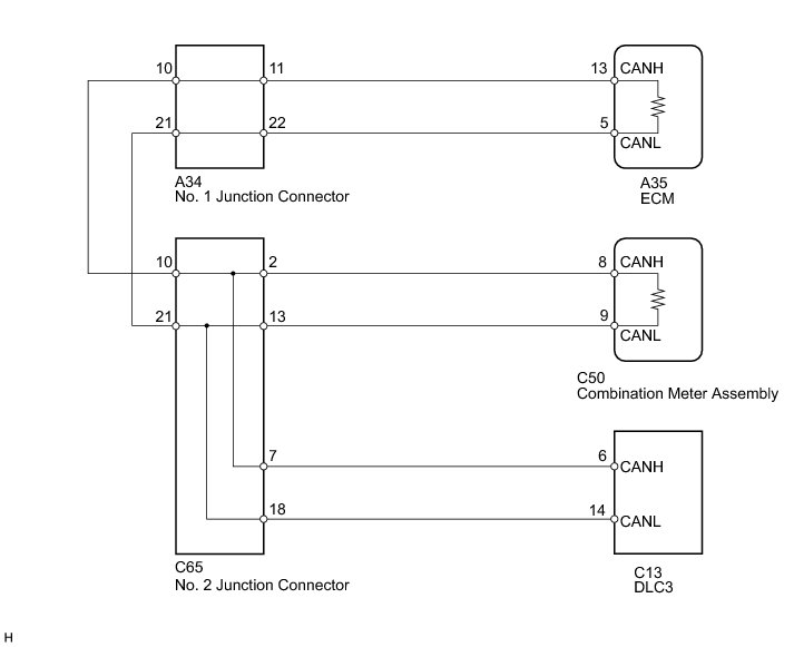
WIRING DIAGRAM
INSPECTION PROCEDURE
HINT
Operating the ignition switch, any switches or any doors triggers related ECU and sensor communication with the CAN, which causes resistance variation.
PROCEDURE
1. DISCONNECT CABLE FROM NEGATIVE BATTERY TERMINAL
(a) Disconnect the cable from the negative (-) battery terminal before measuring the resistance of the CAN main wire and CAN branch wire.
CAUTION:
Wait at least 90 seconds after disconnecting the cable from the negative (-) battery terminal to disable the SRS system.
NOTICE:
When disconnecting the cable, some systems need to be initialized after the cable is reconnected Repair Instruction - Initialization.
NEXT -- Continue to next step.
2. CHECK FOR OPEN IN CAN BUS WIRE (NO. 2 JUNCTION CONNECTOR - DLC3)
(a) Disconnect the C65 No. 2 junction connector.
(b) Measure the resistance according to the value(s) in the table below.
Standard Resistance:
Text in Illustration
NG -- REPAIR OR REPLACE CAN BRANCH WIRE CONNECTED TO DLC3 (CANH, CANL)
OK -- Continue to next step.
3. CHECK FOR OPEN IN CAN BUS WIRE (NO. 2 JUNCTION CONNECTOR - ECM)
(a) Measure the resistance according to the value(s) in the table below.
Standard Resistance:
Text in Illustration
NG -- CONNECT CONNECTOR
OK -- Continue to next step.
4. CHECK FOR OPEN IN CAN BUS WIRE (NO. 2 JUNCTION CONNECTOR - COMBINATION
METER ASSEMBLY)
(a) Measure the resistance according to the value(s) in the table below.
Standard Resistance:
Text in Illustration
NG -- CONNECT CONNECTOR
OK -- REPLACE NO. 2 JUNCTION CONNECTOR
5. CONNECT CONNECTOR
(a) Reconnect the C65 No. 2 junction connector.
NEXT -- Continue to next step.
6. CHECK FOR OPEN IN CAN BUS WIRE (COMBINATION METER ASSEMBLY)
(a) Disconnect the C50 combination meter assembly connector.
(b) Measure the resistance according to the value(s) in the table below.
Standard Resistance:
Text in Illustration
NG -- REPAIR OR REPLACE CAN MAIN WIRE CONNECTED TO COMBINATION METER ASSEMBLY (CANH, CANL)
OK -- REPLACE COMBINATION METER ASSEMBLY Removal
7. CONNECT CONNECTOR
(a) Reconnect the C65 No. 2 junction connector.
NEXT -- Continue to next step.
8. CHECK FOR OPEN IN CAN BUS WIRE (NO. 1 JUNCTION CONNECTOR - ECM)
(a) Disconnect the A34 No. 1 junction connector.
(b) Measure the resistance according to the value(s) in the table below.
Standard Resistance:
Text in Illustration
NG -- CONNECT CONNECTOR
OK -- Continue to next step.
9. CHECK FOR OPEN IN CAN BUS WIRE (NO. 1 JUNCTION CONNECTOR - NO. 2 JUNCTION CONNECTOR)
(a) Measure the resistance according to the value(s) in the table below.
Standard Resistance:
Text in Illustration
NG -- REPAIR OR REPLACE CAN MAIN WIRE OR CONNECTOR (NO. 1 JUNCTION CONNECTOR - NO. 2 JUNCTION CONNECTOR)
OK -- REPLACE NO. 1 JUNCTION CONNECTOR
10. CONNECT CONNECTOR
(a) Reconnect the A34 No. 1 junction connector.
NEXT -- Continue to next step.
11. CHECK FOR OPEN IN CAN BUS WIRE (ECM)
(a) Disconnect the A35 ECM connector.
(b) Measure the resistance according to the value(s) in the table below.
Standard Resistance:
Text in Illustration
NG -- REPAIR OR REPLACE CAN MAIN WIRE CONNECTED TO ECM (CANH, CANL)
OK -- REPLACE ECM Removal