Operation CHARM: Car repair manuals for everyone.
Manuals through 2025 now available!

Our trusted friends have launched a new website named LEMON, which has newer manuals. It also contains all the CHARM manuals.

LEMON is the spiritual successor to CHARM, I recommend you try it!

Link: lemon-manuals.la or lemon-manuals.org.ua

(Some people have issue connecting. LEMON is investigating. For now, use Firefox or change your DNS server)

Or, hide this message: temporarily or permanently

Information Bus: Description and Operation











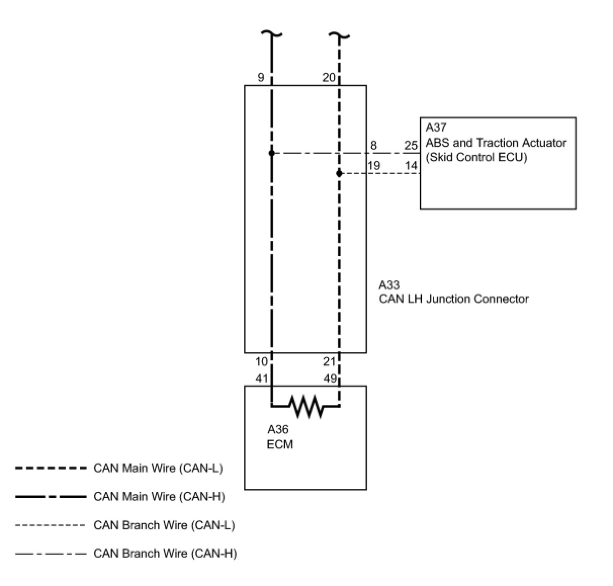
CAN COMMUNICATION: CAN COMMUNICATION SYSTEM: SYSTEM DIAGRAM









HINT
* The ABS and traction actuator (skid control ECU) detects and stores steering sensor and yaw rate sensor DTCs and performs DTC communication by receiving information from the steering sensor and yaw rate sensor.
* The power steering ECU and the center airbag sensor assembly uses the conventional communication line (SIL) to perform DTC communication.

SYSTEM DESCRIPTION

1. BRIEF DESCRIPTION

(a) The CAN (Controller Area Network) is a serial data communication system for real time application. It is a vehicle multiplex communication system which has a high communication speed (500 kbps) and the ability to detect malfunctions.

(b) By pairing the CANH and CANL bus lines, the CAN performs communication based on differential voltages.

(c) Many ECUs (sensors) installed on the vehicle operate by sharing information and communicating with each other.

(d) The CAN has two 120 Ohms resistors which are necessary to communicate with the main wire.

2. DEFINITION OF TERMS

(a) Main wire

(1) The main wire is a wire harness between the two terminus circuits on the bus (communication line). This is the main bus in the CAN communication system.

(b) Branch wire

(1) A branch wire is a wire harness which diverges from the main wire to an ECU or sensor.

(c) Terminus circuit

(1) A terminus circuit is a circuit which converts the communication current of the CAN communication into the bus voltage. It consists of a resistor and condenser. Two terminus circuits are necessary on a bus.

(d) CAN junction connector

(1) A CAN junction connector is a junction designed for CAN communication.

3. ECUS OR SENSORS WHICH COMMUNICATE VIA CAN COMMUNICATION SYSTEM

(a) ABS and brake actuator (Skid control ECU)

(b) Power steering ECU

(c) Steering sensor

(d) Yaw rate sensor

(e) ECM

(f) Center airbag sensor assembly

(g) Air conditioning amplifier

(h) Combination meter ECU

(i) Main body ECU

(j) Accessory Bus Buffer*

HINT
*: w/ Accessory

4. DIAGNOSTIC CODES FOR CAN COMMUNICATION SYSTEM

(a) DTCs for the CAN communication system are as follows: U0073, U0100, U0122, U0123, U0124, U0126, U0129 and B1499.

5. NOTES REGARDING FOR TROUBLESHOOTING

(a) Trouble in the CAN bus (communication line) can be checked through the DLC3 (except when there is a wire break other than in the branch wire of the DLC3).

NOTICE:
Do not connect the tester directly to the DLC3 connector. Be sure to use a service wire.

(b) DTCs relating to the CAN communication system can be checked using the Techstream.

(c) The CAN communication system cannot detect trouble in the DLC3 branch line even though the DLC3 is also connected to the CAN communication system.