Operation CHARM: Car repair manuals for everyone.
Manuals through 2025 now available!

Our trusted friends have launched a new website named LEMON, which has newer manuals. It also contains all the CHARM manuals.

LEMON is the spiritual successor to CHARM, I recommend you try it!

Link: lemon-manuals.la or lemon-manuals.org.ua

(Some people have issue connecting. LEMON is investigating. For now, use Firefox or change your DNS server)

Or, hide this message: temporarily or permanently

Cylinder Head Assembly






Cylinder Head Bolts





Using several steps, uniformly install and tighten the 10 cylinder head set bolts and plate washers in the order shown in the illustration.

Torque 70 Nm (714 kgf-cm, 52 ft-lbf)
Further Tighten 90°





Standard bolt length 141.3 to 142.7 mm (5.563 to 5.618 in.)
Maximum bolt length: 144.2 mm (5.677 in.)

If the bolt length is greater than the maximum, replace the cylinder head set bolt.

Maximum warpage





Cylinder Block Side 0.05 mm (0.0020 in.)
Intake Manifold Side 0.08 mm (0.0031 in.)
Exhaust Manifold Side 0.08 mm (0.031 in.)

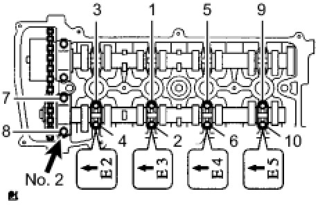
Camshaft Bearing Cap

Using several steps, uniformly tighten the 10 bearing cap bolts in the sequence shown in the illustration.





No. 1 bearing - Torque 30 Nm (301 kgf-cm, 22 ft-lbf)
No. 3 bearing - Torque 9.0 Nm (92 kgf-cm, 80 in-lbf)





No. 2 bearing - Torque 30 Nm (301 kgf-cm, 22 ft-lbf)
No. 3 bearing - Torque 9.0 Nm (92 kgf-cm, 80 in-lbf)

Intake Manifold Specifications

Exhaust Manifold Specifications

Camshaft Timing Gear Specifications