Operation CHARM: Car repair manuals for everyone.
Manuals through 2025 now available!

Our trusted friends have launched a new website named LEMON, which has newer manuals. It also contains all the CHARM manuals.

LEMON is the spiritual successor to CHARM, I recommend you try it!

Link: lemon-manuals.la or lemon-manuals.org.ua

(Some people have issue connecting. LEMON is investigating. For now, use Firefox or change your DNS server)

Or, hide this message: temporarily or permanently

Installation





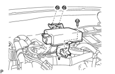
POWER STEERING: POWER STEERING ECU: INSTALLATION

1. INSTALL POWER STEERING ECU ASSEMBLY

(a) Install the power steering ECU assembly with the bolt and 2 nuts.





Torque : 8.0 Nm (82 kgf-cm, 71 in-lbf)

(b) Connect the 3 connectors to the power steering ECU assembly.





(c) Connect the connector to the power steering ECU assembly.





HINT
As shown in the illustration, return the lock lever to its original position to connect the connector and securely push in the lock of the lock lever.

(d) Install the wire harness clamp to the power steering ECU assembly.

2. INSTALL UPPER INSTRUMENT PANEL

Installation

3. INITIALIZE ROTATION ANGLE SENSOR AND CALIBRATE TORQUE SENSOR ZERO POINT

Programming and Relearning