Operation CHARM: Car repair manuals for everyone.
Manuals through 2025 now available!

Our trusted friends have launched a new website named LEMON, which has newer manuals. It also contains all the CHARM manuals.

LEMON is the spiritual successor to CHARM, I recommend you try it!

Link: lemon-manuals.la or lemon-manuals.org.ua

(Some people have issue connecting. LEMON is investigating. For now, use Firefox or change your DNS server)

Or, hide this message: temporarily or permanently

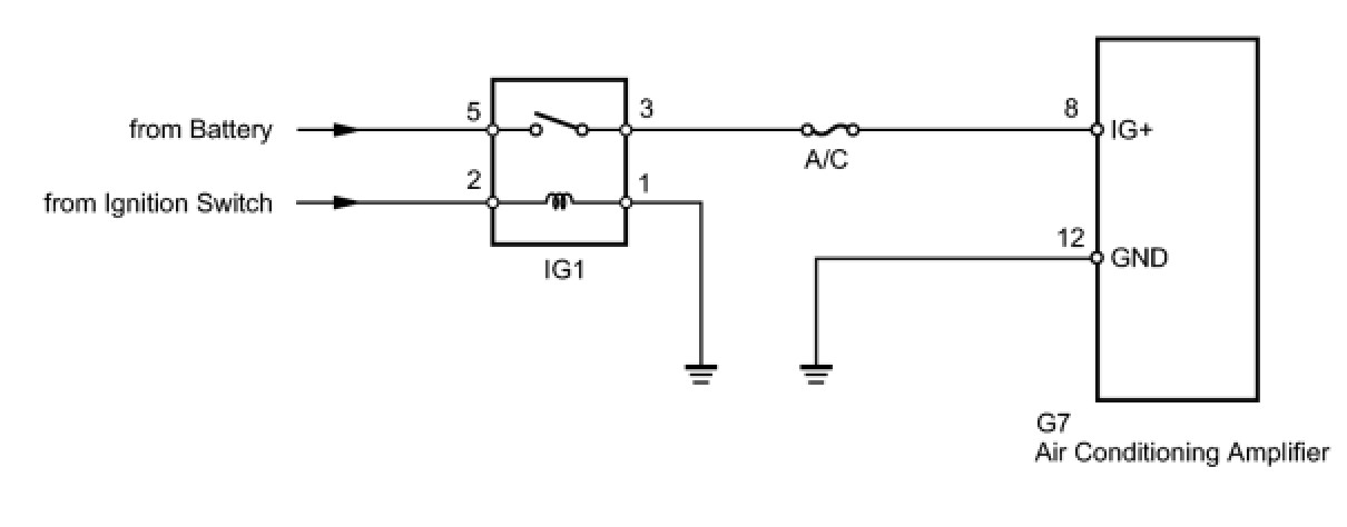
IG Power Source Circuit





AIR CONDITIONING: AIR CONDITIONING SYSTEM: IG Power Source Circuit
- IG Power Source Circuit

DESCRIPTION

The main power source is supplied to the air conditioning amplifier when the ignition switch is turned to ON.

The power source is used for operating the air conditioning amplifier and servo motor, etc.

WIRING DIAGRAM





INSPECTION PROCEDURE

HINT
Start the engine before inspection. Check the IG1 relay or battery if the engine does not start.

PROCEDURE

1. INSPECT FUSE (A/C)

(a) Remove the A/C fuse from the main body ECU.





(b) Measure the resistance according to the value(s) in the table below.

Standard resistance:





(c) Reinstall the A/C fuse.

NG -- REPLACE FUSE
OK -- Continue to next step.

2. INSPECT AIR CONDITIONING AMPLIFIER (IG+ - GND)

(a) Remove the air conditioning amplifier with the connectors still connected Removal.





(b) Turn the ignition switch to ON.

(c) Measure the voltage according to the value(s) in the table below.

Standard voltage:





(d) Reinstall the air conditioning amplifier.

NG -- CHECK HARNESS AND CONNECTOR (AIR CONDITIONING AMPLIFIER - BATTERY)

OK -- PROCEED TO NEXT CIRCUIT INSPECTION SHOWN IN PROBLEM SYMPTOMS TABLE Symptom Related Diagnostic Procedures

3. CHECK HARNESS AND CONNECTOR (AIR CONDITIONING AMPLIFIER - BATTERY)





(a) Disconnect the G7 air conditioning amplifier connector.

(b) Measure the voltage according to the value(s) in the table below.

Standard voltage:





(c) Reconnect the air conditioning amplifier connector.

NG -- REPAIR OR REPLACE HARNESS OR CONNECTOR
OK -- Continue to next step.

4. CHECK HARNESS AND CONNECTOR (AIR CONDITIONING AMPLIFIER - BODY GROUND)





(a) Disconnect the G7 air conditioning amplifier connector.

(b) Measure the resistance according to the value(s) in the table below.

Standard resistance:





(c) Reconnect the air conditioning amplifier connector.

NG -- REPAIR OR REPLACE HARNESS OR CONNECTOR

OK -- REPLACE AIR CONDITIONING AMPLIFIER Removal