CAN Main Wire For Disconnection
CAN COMMUNICATION: CAN COMMUNICATION SYSTEM: CAN Main Wire for Disconnection
- CAN Main Wire for Disconnection
DESCRIPTION
There may be an open circuit in the main wire and/or the DLC3 branch wire when the resistance between terminals 6 (CANH) and 14 (CANL) of the DLC3 is 69Ohms or higher.
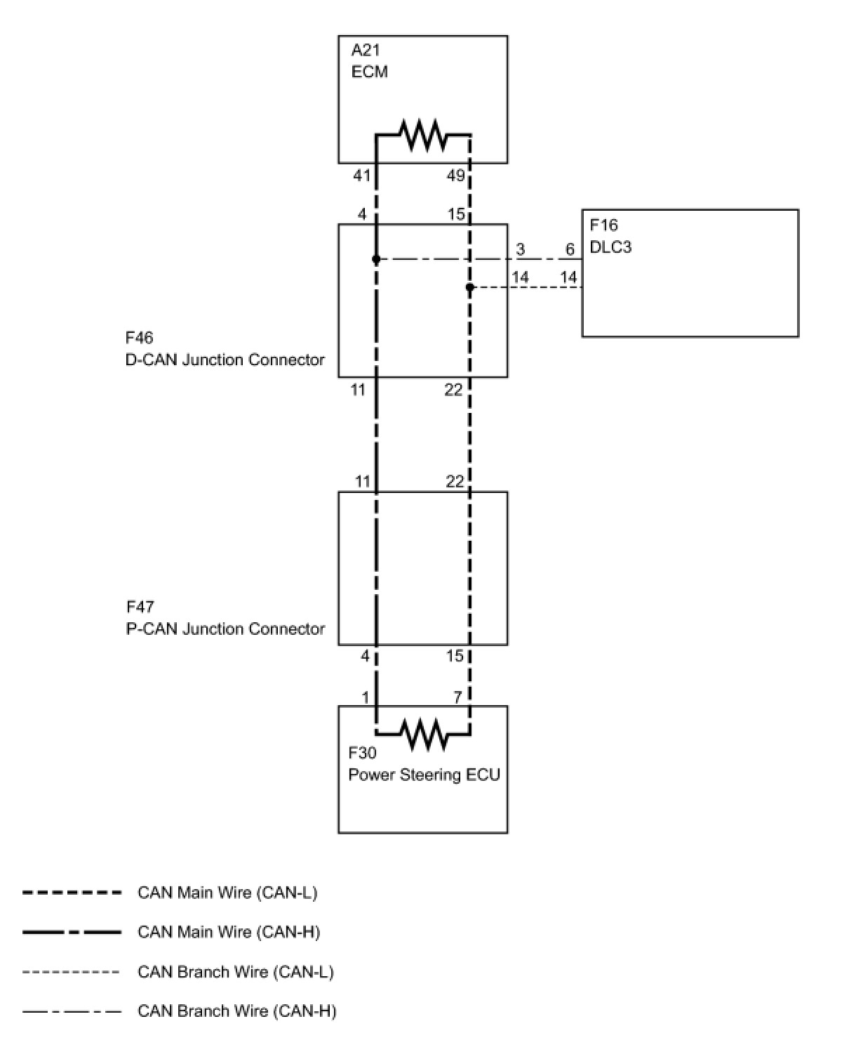
WIRING DIAGRAM
INSPECTION PROCEDURE
NOTICE:
* Turn the ignition switch off before measuring the resistances of the CAN main wire and the CAN branch wire.
* After the ignition switch is turned off, check that the key reminder warning system and light reminder warning system are not in operation.
* Before measuring the resistance, leave the vehicle as is for at least 1 minute and do not operate the ignition switch, any other switches or the doors. If doors need to be opened in order to check connectors, open the doors and leave them open.
HINT
Operating the ignition switch, any switches or any doors triggers related ECU and sensor communication with the CAN, which causes resistance variation.
PROCEDURE
1. CHECK DLC3
(a) Turn the ignition switch off.
(b) Measure the resistance according to the value in the table below.
Standard resistance:
NOTICE:
When the measured value is 132Ohms or higher and a CAN communication system diagnostic trouble code is output, there may be a fault besides disconnection of the DLC3 branch wire. For that reason, troubleshooting should be performed again from "HOW TO PROCEED WITH TROUBLESHOOTING" How to Proceed With Troubleshooting after repairing the trouble area.
NG -- REPAIR OR REPLACE CAN BRANCH WIRE CONNECTED TO DLC3 (CAN-H, CAN-L)
OK -- Continue to next step.
2. CHECK CAN MAIN WIRE OR CONNECTOR (P-CAN J/C SIDE)
(a) Turn the ignition switch off.
(b) Disconnect the F47 P-CAN junction connector.
(c) Measure the resistance according to the value in the table below.
Standard resistance:
NG -- CONNECT CONNECTOR
OK -- Continue to next step.
3. CONNECT CONNECTOR
(a) Reconnect the P-CAN junction connector.
NEXT -- Continue to next step.
4. CHECK CAN MAIN WIRE OR CONNECTOR (POWER STEERING ECU)
(a) Turn the ignition switch off.
(b) Disconnect the F30 power steering ECU connector.
(c) Measure the resistance according to the value in the table below.
Standard resistance:
NG -- CONNECT CONNECTOR
OK -- REPLACE POWER STEERING ECU Removal
5. CONNECT CONNECTOR
(a) Reconnect the P-CAN junction connector.
NEXT -- Continue to next step.
6. CHECK CAN MAIN WIRE OR CONNECTOR (ECM)
(a) Turn the ignition switch off.
(b) Disconnect the A21 ECM connector.
(c) Measure the resistance according to the value in the table below.
Standard resistance:
NG -- CONNECT CONNECTOR
OK -- REPLACE ECM Removal
7. CONNECT CONNECTOR
(a) Reconnect the ECM connector.
NEXT -- Continue to next step.
8. CHECK CAN MAIN WIRE OR CONNECTOR (D-CAN J/C - ECM)
(a) Turn the ignition switch off.
(b) Disconnect the F46 D-CAN junction connector.
(c) Measure the resistance according to the value in the table below.
Standard resistance::
NG -- REPAIR OR REPLACE CAN MAIN WIRE CONNECTED TO ECM (ECM - D-CAN J/C (CAN-H, CAN-L))
OK -- Continue to next step.
9. CHECK CAN MAIN WIRE OR CONNECTOR (D-CAN J/C - P-CAN J/C)
(a) Turn the ignition switch off.
(b) Disconnect the F46 D-CAN junction connector.
(c) Measure the resistance according to the value in the table below.
Standard resistance::
NG -- REPAIR OR REPLACE CAN MAIN WIRE OR CONNECTOR (D-CAN J/C - P-CAN J/C)
OK -- REPLACE D-CAN J/C
10. CONNECT CONNECTOR
(a) Reconnect the power steering ECU connector.
NEXT -- Continue to next step.
11. CHECK CAN MAIN WIRE CONNECTED TO POWER STEERING ECU (P-CAN J/C - POWER STEERING ECU)
(a) Turn the ignition switch off.
(b) Disconnect the F47 P-CAN junction connector.
(c) Measure the resistance according to the value in the table below.
Standard resistance:
NG -- REPAIR OR REPLACE CAN MAIN WIRE CONNECTED TO POWER STEERING ECU (CAN-H, CAN-L)
OK -- REPLACE P-CAN J/C (JUNCTION CONNECTOR)