Operation CHARM: Car repair manuals for everyone.
Manuals through 2025 now available!

Our trusted friends have launched a new website named LEMON, which has newer manuals. It also contains all the CHARM manuals.

LEMON is the spiritual successor to CHARM, I recommend you try it!

Link: lemon-manuals.la or lemon-manuals.org.ua

(Some people have issue connecting. LEMON is investigating. For now, use Firefox or change your DNS server)

Or, hide this message: temporarily or permanently

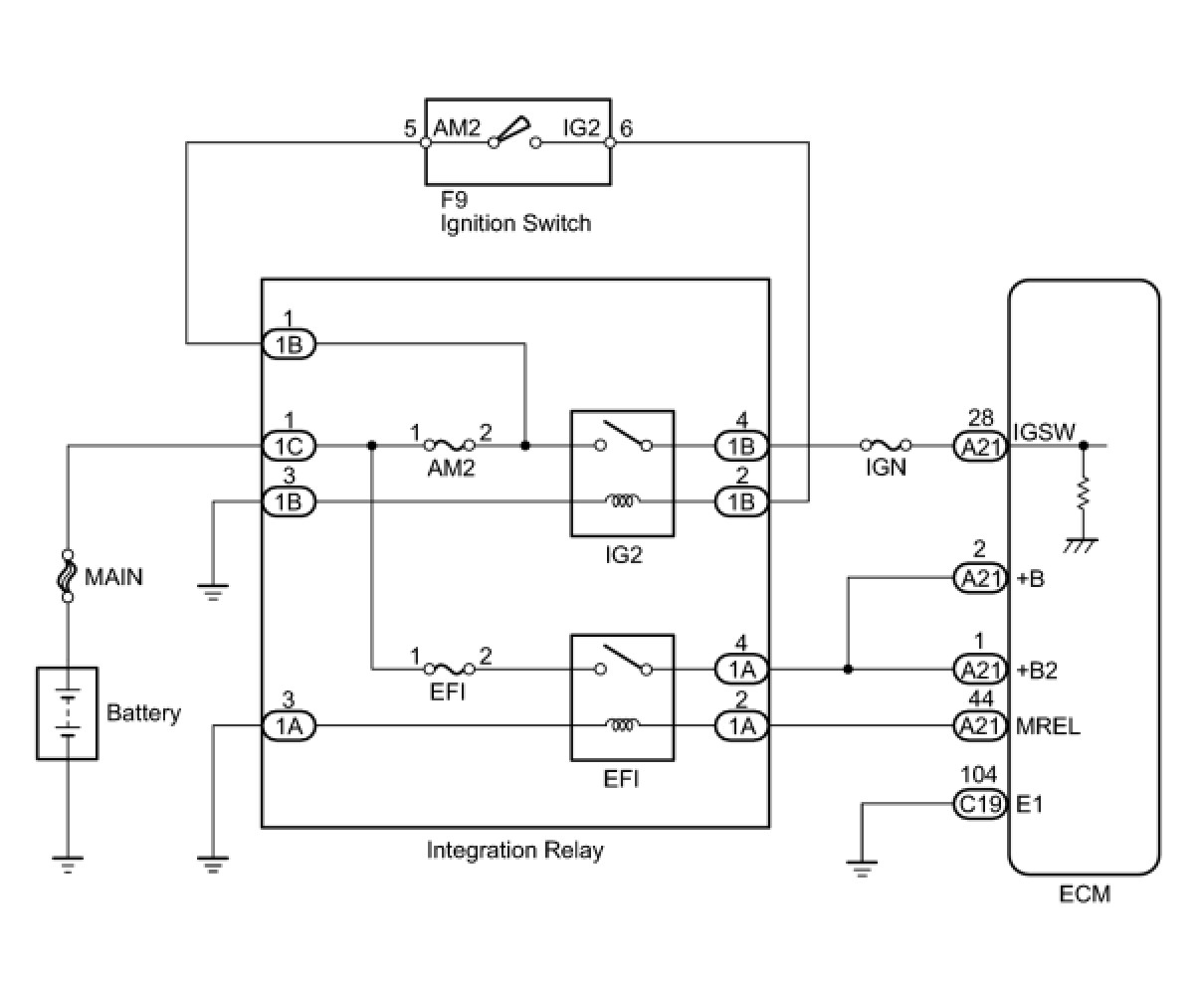
ECM Power Source Circuit





2ZR-FE ENGINE CONTROL SYSTEM: SFI SYSTEM: ECM Power Source Circuit
- ECM Power Source Circuit

DESCRIPTION

When the ignition switch is turned to ON, the battery voltage is applied to the IGSW terminal of the ECM. The output signal from the MREL terminal of the ECM causes a current to flow to the EFI relay coil, closing the EFI relay contacts and supplying power to terminal +B of the ECM.

WIRING DIAGRAM





INSPECTION PROCEDURE

PROCEDURE

1. INSPECT INTEGRATION RELAY (POWER SOURCE)





(a) Remove the integration relay from the engine room relay block.

(b) Measure the voltage according to the value(s) in the table below.

Standard Voltage:





(c) Reinstall the integration relay.

NG -- REPAIR OR REPLACE HARNESS OR CONNECTOR (INTEGRATION RELAY - BATTERY)
OK -- Continue to next step.

2. INSPECT INTEGRATION RELAY (AM2 FUSE AND EFI FUSE)





(a) Remove the AM2 fuse and EFI fuse from the integration relay.

(b) Measure the resistance according to the value(s) in the table below.

Standard Resistance:





(c) Reinstall the fuses.

NG -- CHECK FOR SHORT IN ALL HARNESSES AND CONNECTORS CONNECTED TO FUSE AND REPLACE FUSE
OK -- Continue to next step.

3. INSPECT INTEGRATION RELAY (EFI RELAY AND IG2 RELAY)





(a) Remove the integration relay from the engine room relay block.

(b) Measure the resistance according to the value(s) in the table below.

Standard Resistance:





(c) Reinstall the integration relay.

NG -- REPLACE INTEGRATION RELAY Removal
OK -- Continue to next step.

4. CHECK HARNESS AND CONNECTOR (INTEGRATION RELAY - ECM)





(a) Remove the integration relay from the engine room relay block.

(b) Disconnect the ECM connector.

(c) Measure the resistance according to the value(s) in the table below.

Standard Resistance (Check for Open):





Standard Resistance (Check for Short):





(d) Reinstall the integration relay.

(e) Reconnect the ECM connector.

NG -- REPAIR OR REPLACE HARNESS OR CONNECTOR
OK -- Continue to next step.

5. CHECK HARNESS AND CONNECTOR (ECM - BODY GROUND)





(a) Disconnect the ECM connector.

(b) Measure the resistance according to the value(s) in the table below.

Standard Resistance (Check for Open):





(c) Reconnect the ECM connector.

NG -- REPAIR OR REPLACE HARNESS OR CONNECTOR
OK -- Continue to next step.

6. INSPECT ECM (IGSW TERMINAL VOLTAGE)





(a) Disconnect the ECM connectors.

(b) Turn the ignition switch to ON.

(c) Measure the voltage according to the value(s) in the table below.

Standard Voltage:





(d) Reconnect the ECM connectors.

Result





B -- REPLACE ECM Removal
A -- Continue to next step.

7. INSPECT FUSE (IGN FUSE)





(a) Remove the IGN fuse from the main body ECU.

(b) Measure the resistance according to the value(s) in the table below.

Standard Resistance:





(c) Reinstall the IGN fuse.

NG -- CHECK FOR SHORT IN ALL HARNESSES AND CONNECTORS CONNECTED TO FUSE AND REPLACE FUSE
OK -- Continue to next step.

8. CHECK HARNESS AND CONNECTOR (ECM - INTEGRATION RELAY)





(a) Remove the integration relay from the engine room relay block.

(b) Disconnect the ECM connector.

(c) Measure the resistance according to the value(s) in the table below.

Standard Resistance (Check for Open):





Standard Resistance (Check for Short):





(d) Reinstall the integration relay.

(e) Reconnect the ECM connector.

Result





B -- CHECK HARNESS AND CONNECTOR (INTEGRATION RELAY - IGNITION SWITCH)

A -- REPAIR OR REPLACE HARNESS OR CONNECTOR

9. CHECK HARNESS AND CONNECTOR (INTEGRATION RELAY - IGNITION SWITCH)





(a) Remove the integration relay from the engine room relay block.

(b) Disconnect the ignition switch connector.

(c) Measure the resistance according to the value(s) in the table below.

Standard Resistance (Check for Open):





Standard Resistance (Check for Short):





(d) Reinstall the integration relay.

(e) Reconnect the ignition switch connector.

NG -- REPAIR OR REPLACE HARNESS OR CONNECTOR
OK -- Continue to next step.

10. INSPECT IGNITION SWITCH





(a) Remove the ignition switch.

(b) Measure the resistance according to the value(s) in the table below.

Standard Resistance:





(c) Reinstall the ignition switch.

NG -- REPLACE IGNITION SWITCH Removal

OK -- REPAIR OR REPLACE HARNESS OR CONNECTOR (IGNITION SWITCH - BATTERY)