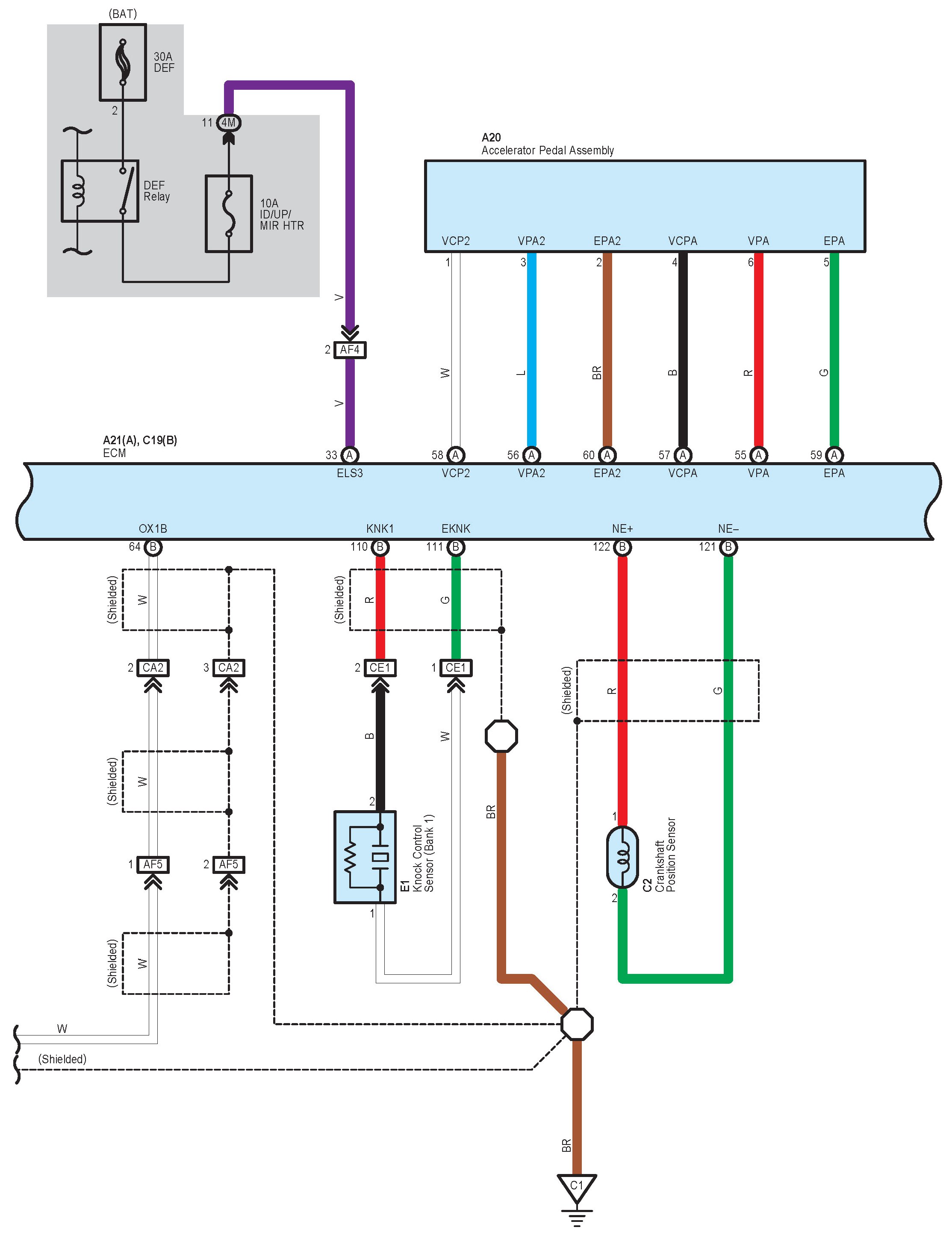
Engine Control Part 6
Engine Control Part 6:
Next Diagram Engine Control Part 7
Previous Diagram Engine Control Part 5
Locations: The locations of components, connectors, ground points, and splices referred to within these diagrams can be found at Vehicle Locations. Locations
Connector Views: Diagrams of the connectors referred to within these diagrams can be found at Connector Views by Connector Number. Connector Views By Connector Number