Operation CHARM: Car repair manuals for everyone.
Manuals through 2025 now available!

Our trusted friends have launched a new website named LEMON, which has newer manuals. It also contains all the CHARM manuals.

LEMON is the spiritual successor to CHARM, I recommend you try it!

Link: lemon-manuals.la or lemon-manuals.org.ua

(Some people have issue connecting. LEMON is investigating. For now, use Firefox or change your DNS server)

Or, hide this message: temporarily or permanently

Keyless Entry: Description and Operation







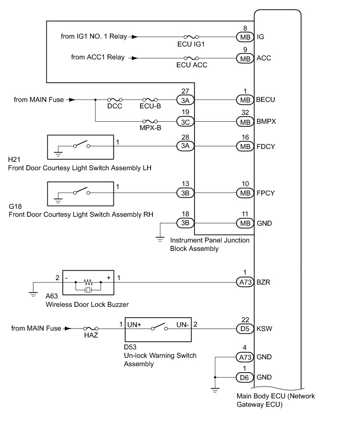
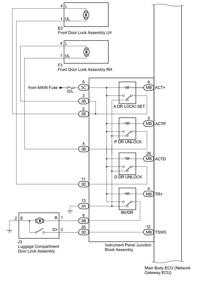
DOOR LOCK: WIRELESS DOOR LOCK CONTROL SYSTEM: SYSTEM DIAGRAM; 2013 MY FR-S [03/2012 -]













DOOR LOCK: WIRELESS DOOR LOCK CONTROL SYSTEM: SYSTEM DESCRIPTION; 2013 MY FR-S [03/2012 -]

1. WIRELESS DOOR CONTROL SYSTEM DESCRIPTION

(a) This system locks and unlocks the vehicle doors remotely. The wireless control system has the following features:

* The door control receiver performs the code identification procedure and the main body ECU (network gateway ECU) operates the door lock control. A serial data link is provided for communication between the receiver and main body ECU (network gateway ECU).

* A key-integrated type transmitter is used and it contains the following 4 switches: the door lock switch, door unlock switch, luggage open switch and panic switch.

2. FUNCTION OF MAIN COMPONENTS





3. SYSTEM FUNCTION

(a) The door control transmitter module set sub-assembly has door lock switch, door unlock switch, luggage open switch and panic switch. Operating these switches activates each function. The wireless door lock control system has the following functions:

HINT
The default setting of the functions are on. Some of these functions can be customized Customize Parameters.





* *: The default setting for the vehicle position sensing function is off.

4. TRANSMITTER RECOGNITION CODE REGISTRATION FUNCTION

(a) The table below shows the 3 ID registration function modes by which up to 6 different codes can be registered. The codes are electronically registered (written and stored) in the EEPROM that is contained in the door control receiver.





5. CONDITIONS THAT WIRELESS FUNCTIONS DO NOT OPERATE

(a) Lock function will not operate when either of the following conditions is met:

* Any of the doors is open.

* The key is inserted in the ignition key cylinder.

(b) Unlock function will not operate when the following condition is met:

* The key is inserted in the ignition key cylinder.