Operation CHARM: Car repair manuals for everyone.
Manuals through 2025 now available!

Our trusted friends have launched a new website named LEMON, which has newer manuals. It also contains all the CHARM manuals.

LEMON is the spiritual successor to CHARM, I recommend you try it!

Link: lemon-manuals.la or lemon-manuals.org.ua

(Some people have issue connecting. LEMON is investigating. For now, use Firefox or change your DNS server)

Or, hide this message: temporarily or permanently

Brake Shoe: Service and Repair

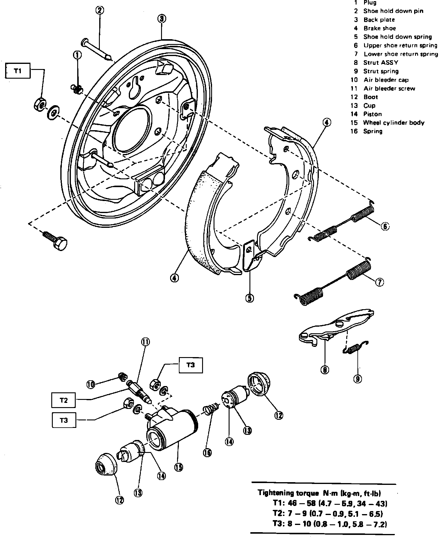
Fig. 1 Exploded view of drum brake assembly. Exc. 4 wheel drive models & Justy:




Fig. 2 Exploded view of drum brake assembly. 4 wheel drive models exc. Justy:





1. Loosen wheel nuts, raise and support rear of vehicle, then remove wheel assembly.
2. Remove brake drum.
3. Disconnect brake line from back plate.
4. Using suitable pliers, remove shoe hold down springs, Figs. 1 and 2.
5. Remove shoes.
6. Reverse procedure to install. Refer to Figs. 1 and 2 for torque specifications.