Hitachi Compressor Clutch
NUMBER: 15-20-85ALL 1983 & 1984 NON-TURBO VEHICLES AND 1985 HATCHBACK
APPLICABILITY AND BRAT VEHICLES EQUIPPED WITH HITACHI A/C DATE: 03-04-85
HITACHI COMPRESSOR CLUTCH
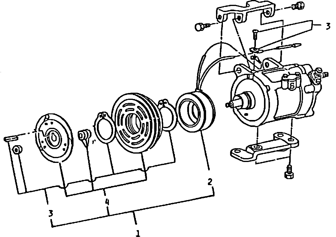
FIGURE 1 - Hitachi Compressor Clutch:
When replacing the clutch assembly on the MJS 170 compressor, please be aware that starting March 15, 1985, the clutch assembly will be available in separate component parts.
The compressor clutch parts breakdown is illustrated below in Figure 1.
NO. DESCRIPTION OLD PART NO. NEW PART NO.
1 Clutch Assembly SOA 204 729 SOA 204 836
2 Holding Coil N/A SOA 204 837
3 Clutch Install. Kit N/A SOA 204 839
4 Pulley/Bearing Assy. N/A SOA 204 838
A description of the parts is as follows:
SOA 204836 - Complete Clutch Assembly - The clutch is still available as a complete assembly.
SOA 204837 - Holding Coil - This is a one piece wire wound electromagnet which when energized, locks the friction surfaces together causing lock-up and clutch engagement.
SOA 204838 - Pulley/Bearing Assembly - Consists of a pulley with a non-serviceable sealed bearing, an outer friction clutch hub, and a shim package.
SOA 204839 - Clutch Installation Kit - Consists of snap rings, key way, and a new nut.
NOTE: IT IS NOT NECESSARY TO REMOVE THE COMPRESSOR TO SERVICE THE COMPRESSOR CLUTCH. If you should find it necessary to remove any refrigerant lines when performing any A/C service work, always cap off openings to prevent dirt and moisture contamination. Also any removed compressor should not be left on its side or upside down for any length of time as compressor oil will enter the low pressure chamber.
Before beginning service procedures, disconnect the battery cable. The compressor is serviced without discharging freon or removing the compressor from the vehicle by unbolting the compressor and tilting upward to allow access to the clutch. The upper compressor mounting bracket and the vehicle jack must be removed to gain compressor accessibility.
After the compressor is in an accessible position the clutch service procedure is as follows below:
FIGURE 2 - Hold the clutch hub from turning with a clutch hub spanner wrench.:
1.) Hold the clutch hub from turning with a clutch hub spanner wrench. (SOA 624 878 or equivalent). Remove compressor shaft nut. (See Figure 2)
FIGURE 3 - CLUTCH HUB PULLER:
2.) A clutch hub puller (SOA 624 880 or equivalent) can now be used to remove outer friction clutch hub. Thread the clutch hub puller into the clutch hub. Turn the clutch hub puller center bolt clockwise while holding the clutch hub stationary with the clutch hub spanner wrench. (See Figure 3).
FIGURE 4 - COMPRESSOR SHAFT:
3) Carefully note the number (usually 3), of adjusting shims and remove from the compressor shaft. These may also be located in the recess of the outer friction clutch hub. The same number of shims must be reinstalled on the compressor shaft before reinstallation of the outer friction clutch hub. (See Figure 4).
FIGURE 5 - Snap Ring Removal:
4) Remove the snap ring which retains the clutch hub pulley and bearing with a pair of external expanding snap ring pliers. (See Figure 5).
5) Remove pulley and bearing assembly. If assembly cannot be removed by hand, tap it gently with a plastic hammer. If this does not remove the assembly, use a commercially available puller such as a Kent Moore tool J-29884.
This completes the removal procedure for the pulley/bearing assembly. If the holding coil must be removed follow Step 6, otherwise go to Step 7 for reassembly procedures.
6) Disconnect the power lead to the compressor. Remove the Phillips head screw which retains the holding coil wires. Remove large snap ring in holding coil recess. NOTE: DO NOT REMOVE THE SMALLER SHAFT SEAL SNAP RING. The holding coil may now be easily replaced in the reverse order of disassembly. Replace the snap ring with the flat side against the holding coil. Note the locating dowel on the holding coil and fit into the corresponding hole in the compressor body when replacing assembly.
7) Using a plastic mallet, tap the new pulley and bearing assembly onto the nose of the compressor until seated. Install the snap ring with the flat side toward the pulley and bearing. Turn the pulley, making sure that there is no noise and that rotation is free.
8) Before installing the clutch hub, it is important that both friction surfaces are completely clean with no oil or grease residue remaining. A non-oil based solvent such as spray brake cleaner may be used to clean the surfaces. Fit the key into the key way on the compressor shaft if removed. Install the same number of shim spacers that were removed onto the compressor shaft. Place the clutch hub on the shaft.
9) Coat the shaft nut threads with non-hardening locktite (or equivalent) and torque to 15 ft.lbs. while holding the hub from turning with the clutch spanner wrench.
FIGURE 6 - Hub to Pulley Clearance:
10) The hub to pulley clearance should be .020 - .031 inches. If the specified clearance is not attained, adjust the number of shims to achieve the specified clearance. (See Figure 6)
NOTE: WHEN REPLACING THE COMPRESSOR CLUTCH ASSEMBLY IT IS IMPORTANT TO BREAK IN THE FRICTION SURFACES PROPERLY. This may be accomplished by engaging and disengaging the clutch approximately thirty times with the engine running. This break in operation raises the level of transmitted torque.
The Flat Rate Operation Number and Time for Clutch Assembly R&R is as follows:
012-011 Clutch Assembly - R&R and/or Overhaul 0.4 hrs.
As of March 15, 1985, claims submitted for complete clutch replacement when only a component part has failed, will not be considered.