Operation CHARM: Car repair manuals for everyone.
Manuals through 2025 now available!

Our trusted friends have launched a new website named LEMON, which has newer manuals. It also contains all the CHARM manuals.

LEMON is the spiritual successor to CHARM, I recommend you try it!

Link: lemon-manuals.la or lemon-manuals.org.ua

(Some people have issue connecting. LEMON is investigating. For now, use Firefox or change your DNS server)

Or, hide this message: temporarily or permanently

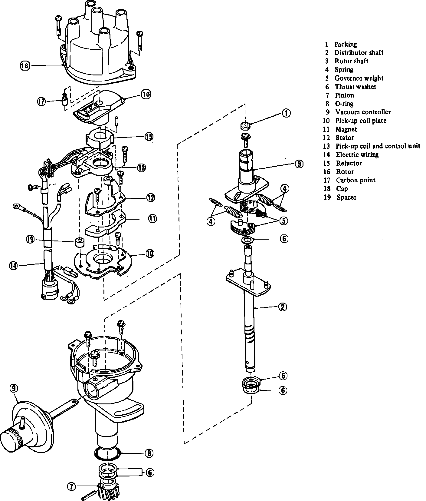
Distributor Service

Fig.4 Hitachi breakerless type distributor. Exploded view.:





1. Remove screw, distributor cap and rotor, FIG. 4.
2. Remove screw, ground terminal and vacuum controller.
3. Remove harness retaining screw and harness from distributor housing.
4. Using two suitable screwdrivers, carefully pry up and remove reluctor from distributor housing.
5. Remove breaker plate attaching screw, then the breaker plate assembly.
6. Remove igniter attaching screws, then the igniter and spacer as a unit.
7. Remove magnet and stator assembly.
8. Remove the roll pin from the shaft and pinion, then the shaft from distributor housing.
9. Remove rotor shaft.
10. Remove governor weight and spring assembly from the shaft.
11. Reverse the procedure to assemble.