Operation CHARM: Car repair manuals for everyone.
Manuals through 2025 now available!

Our trusted friends have launched a new website named LEMON, which has newer manuals. It also contains all the CHARM manuals.

LEMON is the spiritual successor to CHARM, I recommend you try it!

Link: lemon-manuals.la or lemon-manuals.org.ua

(Some people have issue connecting. LEMON is investigating. For now, use Firefox or change your DNS server)

Or, hide this message: temporarily or permanently

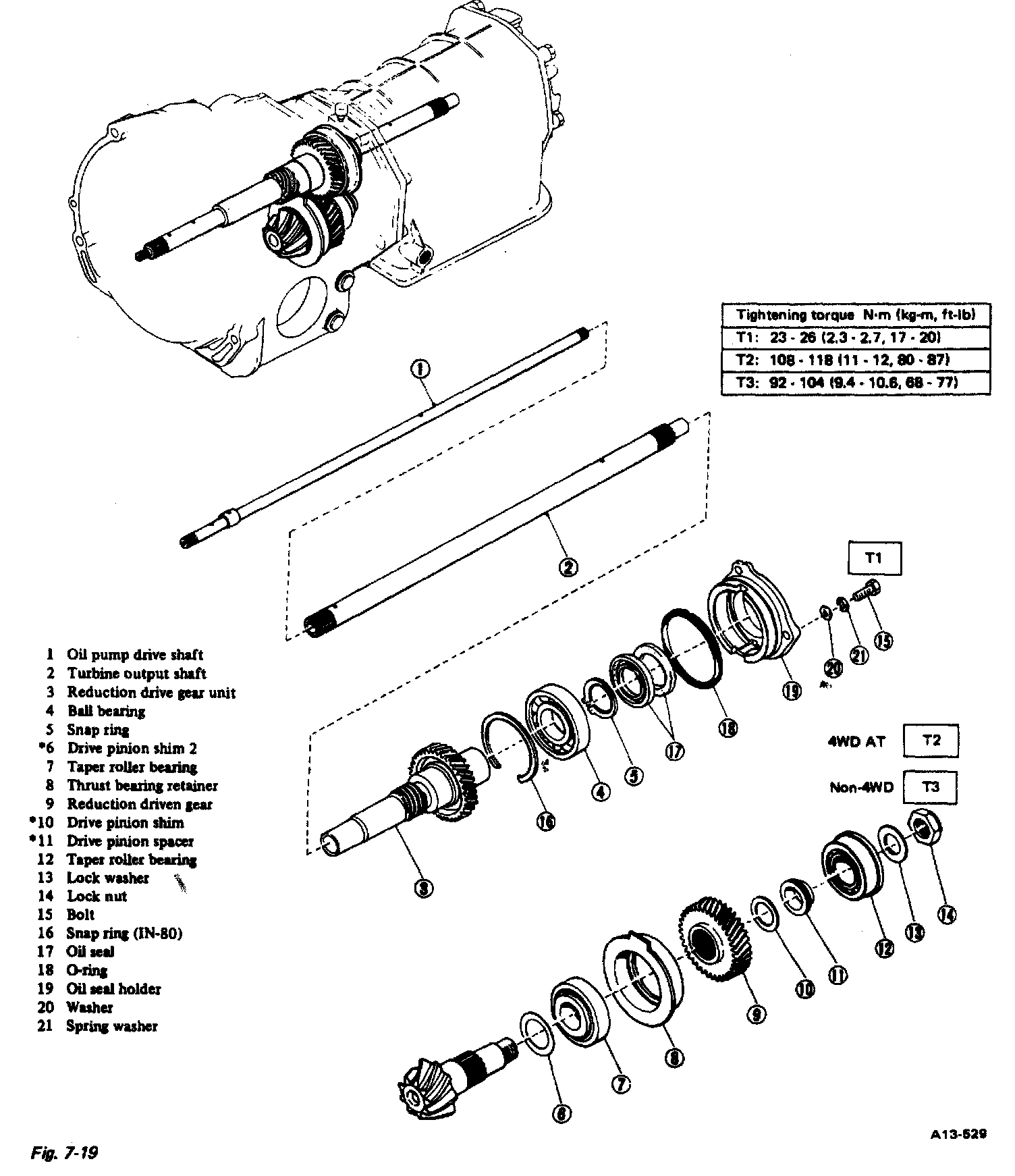
A/T Torque Data

3-spd A/T, Transmission Control System:



3-spd A/T, Transmission Extension Case:



3-spd A/T, Band Servo & Oil Pump:



3-spd A/T, Planetary Gear And Low & Reverse Brake:



3-spd A/T, Transmission Shaft & Reduction Gear:



3-spd M/T, Torque Converter & Housing And Gauge Piping System:



3-spd A/T, Extension Case:



3-spd A/T, Transmission Shaft & Reduction Gear: