Operation CHARM: Car repair manuals for everyone.
Manuals through 2025 now available!

Our trusted friends have launched a new website named LEMON, which has newer manuals. It also contains all the CHARM manuals.

LEMON is the spiritual successor to CHARM, I recommend you try it!

Link: lemon-manuals.la or lemon-manuals.org.ua

(Some people have issue connecting. LEMON is investigating. For now, use Firefox or change your DNS server)

Or, hide this message: temporarily or permanently

Brake Pad: Service and Repair

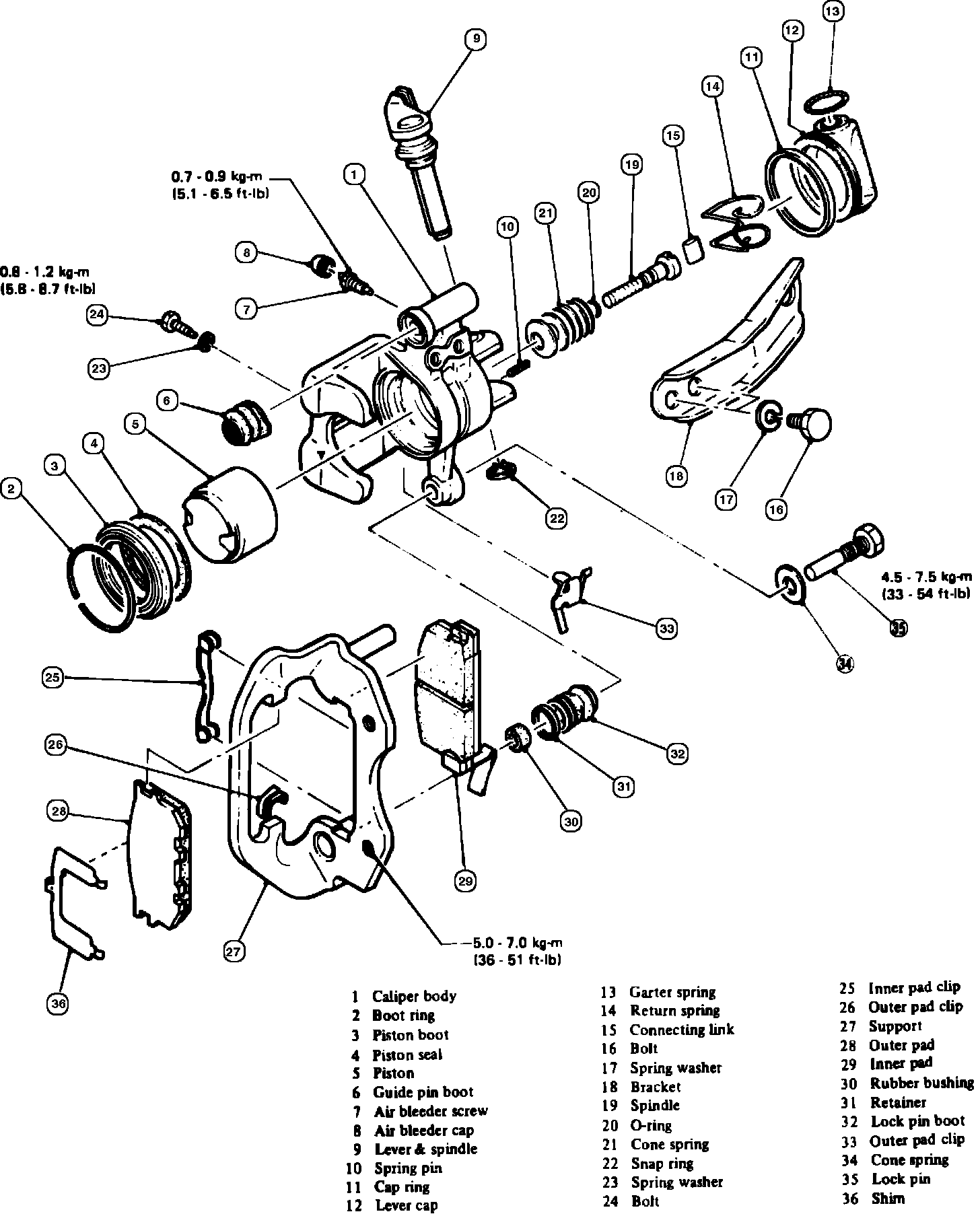
Fig. 2 Exploded view of front caliper assembly. 1985-88 (Typical):





Fig. 3 Positioning front caliper stop bolt for removal:





FRONT

1. Raise front of vehicle and remove wheels.
2. Remove outer parking brake cable clip, then disconnect cable, if applicable.
3. Remove bolt connecting support with caliper body, then loosen lock pin and pull out, Figs. 1. and 2. Do not pull out lock pin until loosened to position shown in Fig. 3.
4. Turn caliper body on guide pin and remove pads from support. Remove caliper.
5. Install new brake pads in support.
6. Using suitable tool, slowly rotate caliper piston into caliper bore. When piston is fully seated, rotate piston so notch in piston face is aligned with tab on brake pad backing plate.
7. Reverse procedure to install. Torque lock pin to 33-54 ft.lbs. on all models except Justy, or 16-23 ft.lbs. on Justy models.

Fig. 4 Exploded view of rear brake caliper assembly:





REAR

1. Raise and support rear of vehicle and remove wheels.
2. Remove lower caliper retaining bolt, then pivot caliper assembly upward.
3. Remove brake pads and springs from caliper support bracket, noting position of springs for installation, Fig. 4.
4. Compress piston into caliper body using suitable clamp. Loosen bleeder screw prior to compressing piston, and ensure bleed screw is securely tightened once piston has been compressed into caliper body.
5. Install springs and brake pads into caliper support bracket.
6. Rotate caliper down over brake pads, install lower bolt and torque both caliper retaining bolts to 16-23 ft.lbs. Depress brake pedal several times to press brake pads against rotor. If pedal stroke is excessive, check and bleed hydraulic system as needed.