Operation CHARM: Car repair manuals for everyone.
Manuals through 2025 now available!

Our trusted friends have launched a new website named LEMON, which has newer manuals. It also contains all the CHARM manuals.

LEMON is the spiritual successor to CHARM, I recommend you try it!

Link: lemon-manuals.la or lemon-manuals.org.ua

(Some people have issue connecting. LEMON is investigating. For now, use Firefox or change your DNS server)

Or, hide this message: temporarily or permanently

Assembly


Ensure all components are clean and free from foreign material, and that oil passages are clear. Coat all friction surfaces with oil or suitable assembly lubricant, and coat seal lips with grease prior to assembly. Replace all gaskets, seals and damaged fasteners during assembly. Components that are to be reused should be installed in original position.
1. Seat bearings in connecting rods and rod caps, then install connecting rods on crankshaft noting the following:
a. Ensure connecting rod and cap matching marks are aligned, and install connecting rod assemblies with crescent shaped mark facing forward.
b. Lubricate connecting rod bolt threads and ensure bolts are properly seated in cap and that caps are fully seated against connecting rods.
c. Evenly tighten connecting rod nuts until specified torque value is obtained.

Fig. 17 Piston ring installation. 1985-88 4-109/1800cc engine:






2. Install piston rings, staggering ring and oil expander gaps as shown in Fig. 17. Install compression rings with ``N'' or ``R'' mark facing up.

Fig. 18 Piston pin retainer installation. 1985-88 4-109/1800cc engine:






3. Install pin retainer in each piston as shown in Fig. 18.
4. Install new valve guide oil seals, valves, springs and retainers, noting the following:
a. Coat valve stems with oil prior to installation and take care not to damage seal lips when inserting valves.
b. Install valve springs with close-coiled end toward cylinder head.
c. After releasing spring tension against valve key, tap valve stem with suitable mallet to ensure keys are seated in retainer and valve stem grooves.
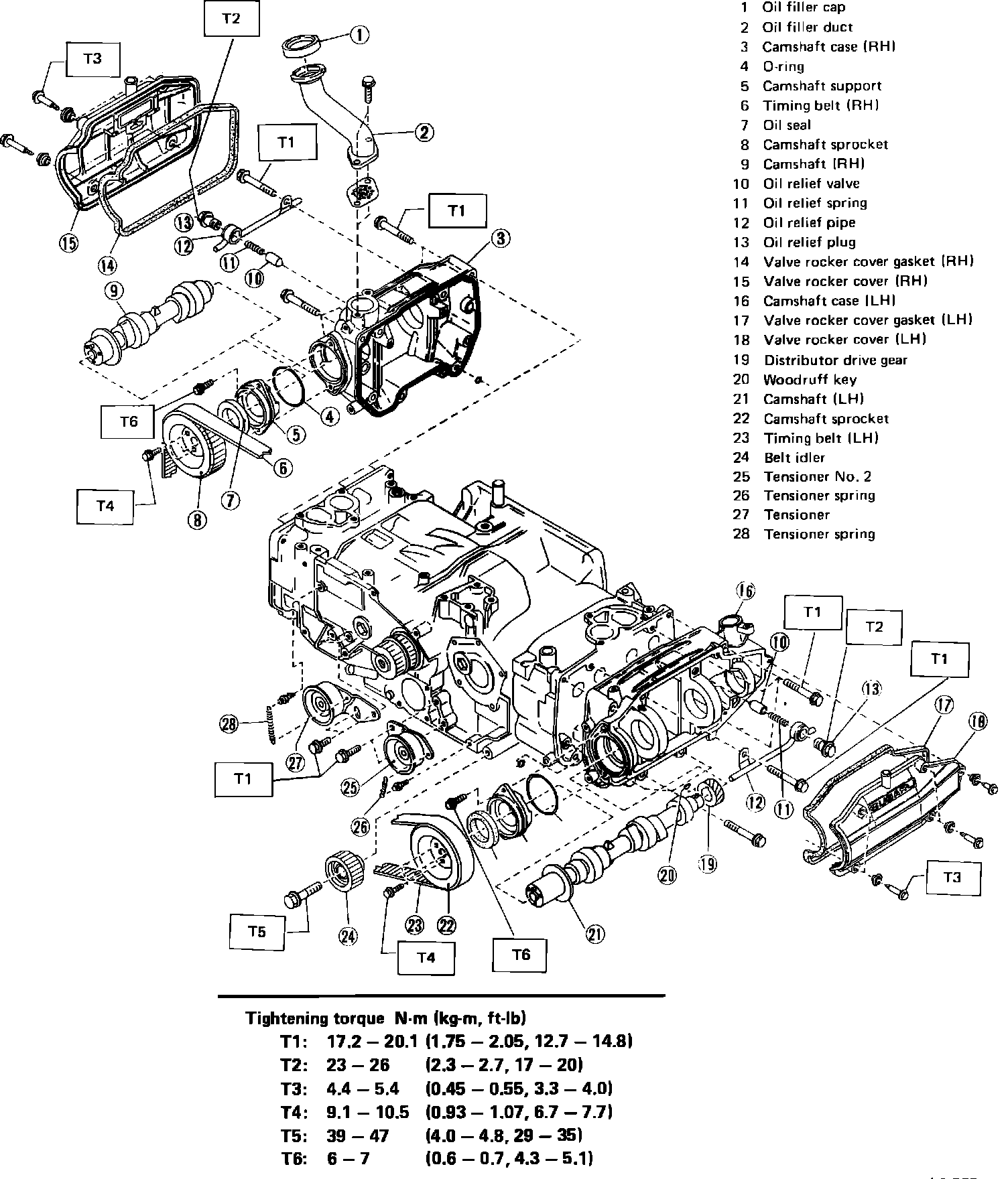
5. Press new seals into camshaft support plates and install new O-rings.
6. Install oil pressure relief valve, spring, pipe and plug, and torque plug to 17-20 ft.lbs.
7. Install woodruff key and press on distributor drive gear, if removed, securing camshaft in suitable holder. When pressing on distributor drive gear, do not support camshaft on end, as shaft may be distorted.

Fig. 15 Timing belt cover assembly. 1985-94 4-109/1800cc engine:






8. Insert camshafts into cases, install support plate, seal and O-ring assemblies, Fig. 15, then torque support plate bolts to 6.7-7.7 ft.lbs.
9. Mount cylinder block halves on stands 498027000 or equivalent, installing bolts marked ``R'' into cylinder 1 and 3 section and bolts marked ``L'' into cylinder 2 and 4 section.
10. Seat main bearings into cylinder block webs, ensuring that tangs are properly engaged and that oil holes are properly aligned.
11. Install coolant passage O-ring and support ring in groove in LH cylinder block.
12. Install crankshaft assembly into LH cylinder block.
13. Apply liquid gasket compound Three-bond 1215 or equivalent to cylinder block mating surfaces, then align connecting rods and install RH cylinder block assembly, ensuring that O-ring remains in place.

Fig. 10 Crankcase bolt tightening sequence:






14. Tighten cylinder block bolts evenly, then lay block down and torque 8 mm bolts to 17-20 ft.lbs. and 10 mm bolts to 29-35 ft.lbs. in sequence shown in Fig. 10.
15. Position cylinder block with cylinders 3 and 4 facing downward and rotate crankshaft until Nos. 1 and 2 connecting rods are at BDC. Take care not to mar cylinder walls when positioning connecting rods.

Fig. 11 Service hole location & piston pin guide tool:






16. Coat pistons and cylinder walls with assembly lubricant, install pistons No. 1 and 2, align pin bores in pistons and connecting rods using pin guide 399284300 or equivalent, Fig. 11, piston pins and retainers.
17. Invert cylinder block assembly, rotate crankshaft to position Nos. 3 and 4 connecting rods, then install Nos. 3 and 4 pistons, pins and retainers as outlined previously.
18. Apply Fuji-bond C sealer or equivalent to service access plugs, install new aluminum sealing gaskets and access plugs, and torque plugs to 46-56 ft.lbs.
19. Install new cylinder head gaskets and the cylinder heads, dip head bolts in oil and install all bolts hand tight.

Cylinder Head:






20. Torque cylinder head bolts to specifications in 3 steps, following sequence shown in Fig. 19.
21. On turbocharged models, install turbocharger coolant pipe and union along with new gasket, and torque bolts securing pipe to cylinder head to15.6-17.7 ft.lbs.
22. On all models, secure oil strainer to cylinder block with new retaining clips.
23. Install oil pan and clutch housing cover with gasket positioned in between, and torque retaining bolts to4 ft.lbs.
24. Press rear crankshaft seal into cylinder block using driver 499587000 or equivalent, then install flywheel housing and torque bolts to 25-30 ft.lbs
25. Install pitch stopper bracket on cylinder block and mount clip No. 3 on bracket.
26. On turbocharged models, install oil separator cover and new gasket on RH cylinder block and torque bolts to 4 ft.lbs.
27. Install flywheel or auto. trans. flex plate and reinforcement and torque bolts to specifications.
28. On manual trans. models, install clutch and pressure plate assembly, ensuring that ``0'' markings on flywheel and pressure plate are spaced 180 degrees apart, insert suitable alignment tool and evenly torque pressure plate bolts to 12 ft.lbs.
29. On all models, press seal into water pump, then install water pump along with new gasket.
30. Ensure excess sealer is removed from oil pump rotor housing in cylinder block, then install oil pump as follows:






a. Apply small amount of Three-bond 1215 sealer or equivalent to split line in housing as shown by arrows in Fig. 20.
b. Liberally coat housing with oil, then install outer rotor into housing in direction shown in Fig. 20.
c. Position oil pump pulley as shown in Fig. 20, then install pulley and front housing and ensure pulley rotates smoothly.
d. Install pressure switch or pressure gauge on oil pump, ensure gauge lead is properly routed along side of Nos. 1 and 3 cylinders and torque to 16-20 ft.lbs.

Fig. 15 Timing belt cover assembly. 1985-94 4-109/1800cc engine:






31. Install belt cover seal LH No. 3 on cylinder block, Fig. 15.
32. Press new front crankshaft seal into block using suitable driver.
33. Insert hydraulic lifters into proper bores, coat rocker arms with grease to aid retention, then mount rocker arms over lifters and valve stems.
34. Rotate crankshaft until timing mark on flywheel is aligned with pointer on housing and orient each camshaft pin so that pin faces up when assembly is installed on engine.
35. Install O-ring, if used and apply Three-bond sealer 1215 or equivalent to camshaft housing sealing groove.
36. Install camshaft and housing assemblies, then evenly torque retaining bolts to 12.7-14.8 ft.lbs.
37. Install camshaft cover gaskets and covers, then evenly torque retaining bolts to 3.1-4.1 ft.lbs.
38. Install belt cover LH seal, belt cover No. 4 LH seal and belt cover mount on cover RR, then mount assembly on cylinder block ensuring that spacers are properly positioned, Fig. 15, and torque bolts to 4 ft.lbs.
39. Install belt cover No. 2 LH seal and mount on belt cover No. 2 LH, then mount assembly on cylinder block and camshaft housing, Fig. 15, and torque bolts to 4 ft.lbs.
40. Install belt cover RH seal, No. 2 RH seal and mount on belt cover No. 2 RH, then mount assembly on cylinder head and camshaft cover, Fig. 15, and torque bolts to 4 ft.lbs.
41. Install camshaft sprockets and retaining bolts, hold position of sprocket with suitable wrench, then evenly torque retaining bolts to 7-8 ft.lbs. in several steps.

Fig. 16 Camshaft & belt drive installation. 1985-88 4-109/1800cc engine:






42. Install tensioner, Fig. 16, as follows:
a. Connect tensioner spring to tensioner and mount assembly on RH cylinder block, temporarily hand tightening bolts.
b. Connect tensioner spring to mounting stud, tighten inner tensioner mounting bolt, then loosen bolt 1/2 turn.
c. Push tensioner down to stop, then tighten inner tensioner mounting bolt to secure position.
43. Install tensioner No. 2, Fig. 16, as follows:
a. Connect tensioner spring to tensioner and mount assembly on LH cylinder block, temporarily hand tightening bolts.
b. Connect tensioner spring to mounting stud, tighten upper tensioner mounting bolt, then loosen bolt 1/2 turn.
c. Raise tensioner to stop using suitable lever, then tighten lower tensioner mounting bolt to secure position.
44. Install belt idler on cylinder block taking care not to damage seal, and torque bolts to 29-35 ft.lbs.






Camshaft Timing Marks, Left Side (DRIVER'S SIDE):






45. Install timing belt No. 2, Fig. 16, as follows:
a. Install sprocket No. 2 on crankshaft.
b. Ensure center mark on flywheel is aligned with housing pointer, Fig. 21, and that timing mark on camshaft sprocket is aligned with notch in belt cover, Fig. 22.
c. Route timing belt No. 2 over crankshaft sprocket, oil pump sprocket, belt idler and camshaft sprocket in order, noting belt rotation direction and avoiding downward slackening of belt.
d. Loosen lower mounting bolt on tensioner No. 2, 1/2 turn, and press in on belt to ensure smooth movement of belt tensioner.

Fig. 23 Timing belt tension specifications. 1985-88 4-109/1800cc engine:






e. Apply torque shown in Fig. 23 to camshaft sprocket in counterclockwise direction using belt tension wrench 499437000.
f. While holding tension on camshaft sprocket, temporarily tighten tensioner No. 2 mounting bolts to secure position. Applying torque to camshaft sprocket sets belt tension to specifications. Care must be taken not to apply excessive force to sprocket, as excessive tension will reduce belt life.
g. Torque tensioner No. 2 mounting bolts to 13-15 ft.lbs., tightening lower mounting bolt first.






Camshaft Timing Marks, Left Side (DRIVER'S SIDE):






h. Ensure camshaft and flywheel timing marks are still properly aligned, Figs. 21 and 22.
46. Install remaining timing belt as follows:
a. Rotate crankshaft 1 revolution in clockwise direction from position where No. 2 belt was installed, realigning center flywheel timing mark with pointer, Fig. 21.
b. Install sprocket on crankshaft and align timing mark on camshaft sprocket with notch in belt cover.
c. Install timing belt over crankshaft and camshaft sprockets, noting direction of rotation and avoiding slack on upper run of belt.
d. Loosen inner bolt securing tensioner No. 1, 1/2 turn, pushing on belt to ensure smooth movement of tensioner.

Fig. 23 Timing belt tension specifications. 1985-88 4-109/1800cc engine:






e. Apply torque shown in Fig. 23 to camshaft sprocket in counterclockwise direction, using belt tension wrench 499437000.
f. While holding tension on sprocket, temporarily tighten tensioner mounting bolts to secure position.
g. Torque tensioner bolts to 13-15 ft.lbs., tightening outer bolt first.
h. Ensure sprocket and flywheel timing marks are still aligned.

Fig. 15 Timing belt cover assembly. 1985-94 4-109/1800cc engine:






47. Install seals and plug on belt cover FR, Fig. 15, then mount belt cover on cylinder block.
48. Install crankshaft pulley and torque bolt to specifications.
49. Install water pump pulley and cover and temporarily tighten bolts.
50. Reverse remaining procedure to complete assembly, and install distributor as follows:






a. Rotate crankshaft until No. 1 piston is at TDC on compression stroke with timing marks aligned as shown in Fig. 24.
b. Align matching marks on distributor drive gear and housing to position distributor in firing position for No. 1 cylinder.
c. Insert distributor and ensure rotor contact points toward No. 1 cylinder contact in cap.