Operation CHARM: Car repair manuals for everyone.
Manuals through 2025 now available!

Our trusted friends have launched a new website named LEMON, which has newer manuals. It also contains all the CHARM manuals.

LEMON is the spiritual successor to CHARM, I recommend you try it!

Link: lemon-manuals.la or lemon-manuals.org.ua

(Some people have issue connecting. LEMON is investigating. For now, use Firefox or change your DNS server)

Or, hide this message: temporarily or permanently

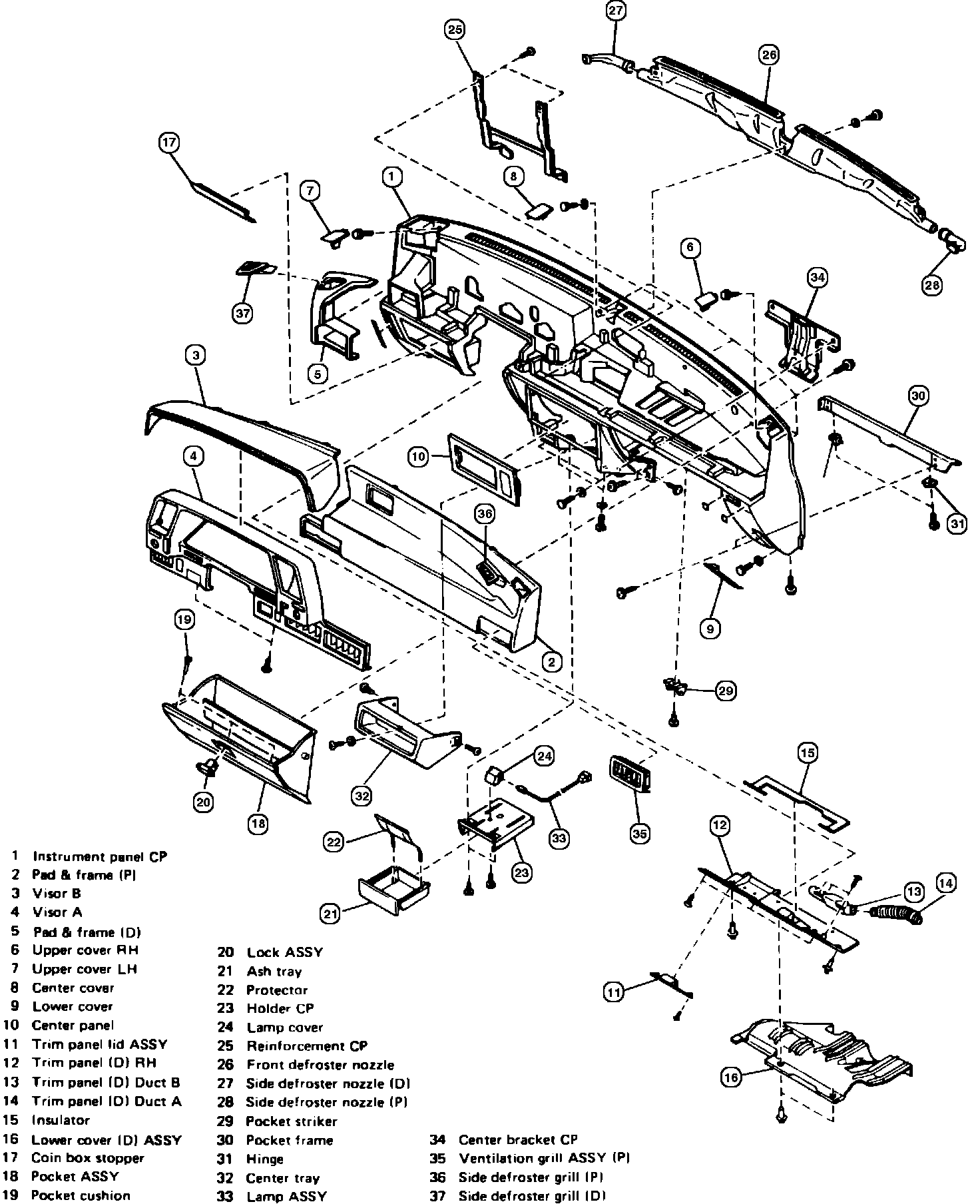
Except XT

Heater Core

Fig. 7 Exploded view of instrument panel. 1985-88 exc. XT Coupe:






1. Disconnect battery ground cable.
2. Disconnect heater hoses in engine compartment.
3. Drain as much coolant as possible from heater unit and plug disconnected hoses.
4. Disconnect heater control cable and vacuum hose from heater unit joint.
5. On all exc. XT coupe, remove instrument panel as follows:
a. Remove trim panel D from driver's side, Fig. 7.
b. Remove tapping screws from lower side of instrument panel in three places.
c. Remove clip from steering column shaft while lowering cover, if equipped.
d. Disconnect ventilation duct combined with trim panel from heater.
e. Remove fuse box attaching bolts and fuse box.
f. Disconnect fresh air ventilation cable on driver's side by removing cable from clamp on rear left side of instrument panel and disconnecting cable from fresh air ventilation lever rod.
g. Disconnect heater control cable by removing cable from clamp on left side of heater unit and disconnecting cable from select lever rod.
h. Disconnect vacuum hoses.
i. Disconnect instrument and body harness connectors on driver's side.
j. Remove steering wheel and disconnect steering column from vehicle body.
k. Disconnect speedometer cable from rear side of combination meter.
l. Remove center tray attaching screws and tray.
m. Remove console box.
n. Remove trim panel on passenger side by removing resin clips from lower end of instrument panel in two places, removing resin clip on pillar side and detaching trim panel from heater side.
o. Remove glove box pocket by remove screws holding hinges to lower end of pocket and detaching lock from striker.
p. Disconnect blower motor vacuum hose from upper rear side of pocket frame.
q. Disconnect electrical connectors on passenger side.
r. Remove instrument panel covers.
s. Remove instrument panel attaching bolts.
t. Disconnect radio antenna lead from rear side of instrument panel.
u. Carefully remove lower instrument panel.
6. Remove heater unit.
7 Remove heater core from heater unit.
8. Reverse procedure to install, noting the following:
a. Fitting length of heater hose to pipe is .79-.98 inch.
b. On all except XT Coupe models, fitting length of vacuum hose must exceed .31 inch.
c. Torque heater unit attaching bolts to 4.0-6.9 ft.lbs.