A/T Control System - Manual Revision
NUMBER: 16-27-87DATE: 9-11-87
APPLICABILITY:
1987 XT MODELS EQUIPPED WITH 4EAT TRANSMISSIONS
SUBJECT:
AUTOMATIC TRANSMISSION CONTROL SYSTEM
THIS BULLETIN IS FOR INFORMATION ONLY
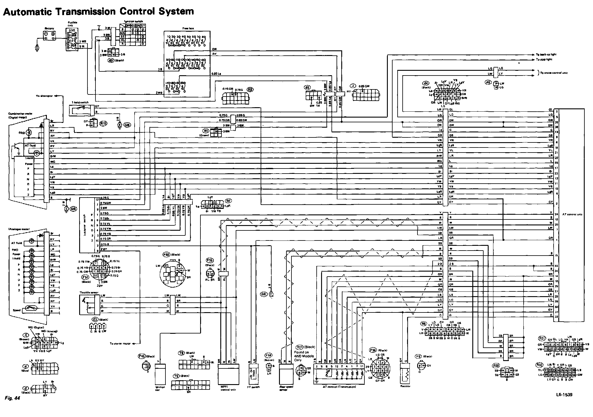
The following corrections should be made to section 6-3, page 87, Wiring Diagram and Troubleshooting of the 1987 XT Service Manual.
Connector E23 (Black) should be connector E21 (Black) which is found on 4WD vehicles only.
Connector R30 is listed twice. The 5-Pin R30 connector is correct. The 20-Pin R30 connector is incorrect, this should be labeled connector R31.
The 16-Pin R31 connector is listed incorrectly, this is connector R32.
SEE WIRING DIAGRAM, PAGE 87, WITH THE SCHEMATIC CORRECTED.