Operation CHARM: Car repair manuals for everyone.
Manuals through 2025 now available!

Our trusted friends have launched a new website named LEMON, which has newer manuals. It also contains all the CHARM manuals.

LEMON is the spiritual successor to CHARM, I recommend you try it!

Link: lemon-manuals.la or lemon-manuals.org.ua

(Some people have issue connecting. LEMON is investigating. For now, use Firefox or change your DNS server)

Or, hide this message: temporarily or permanently

4-SPD A/T

4-spd A/T, Transmission Control System:



4-spd A/T, Transfer & Extension:



4-spd A/T, Transmission Reduction Gear:



4-spd A/T, Forward Clutch And Low & Reverse Brake:



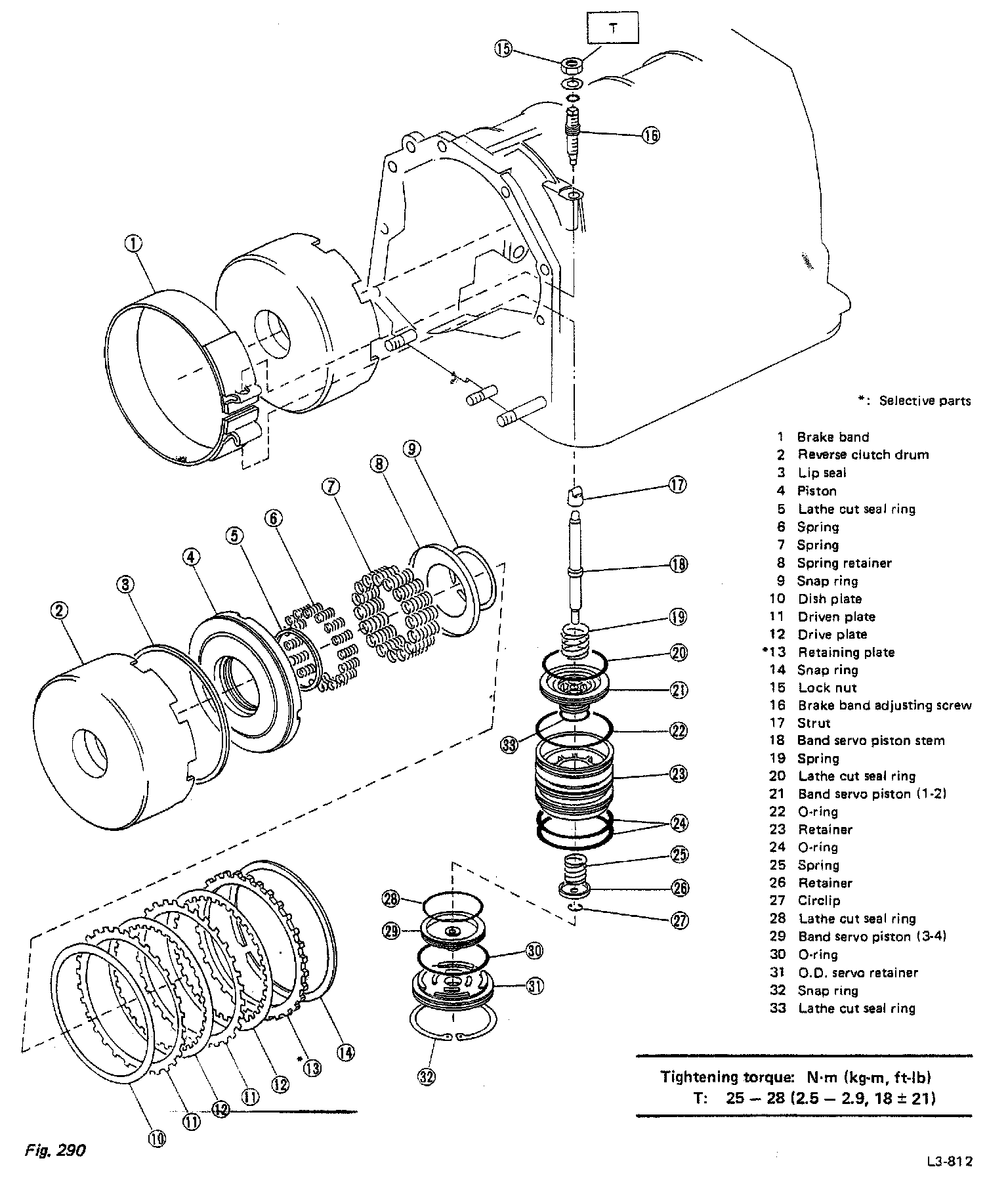
4-spd A/T, Reverse Clutch & Band Brake:



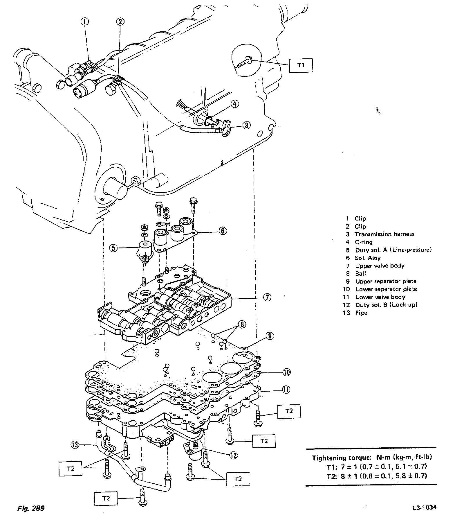
4-spd A/T, Control Valve & Harness Routing:



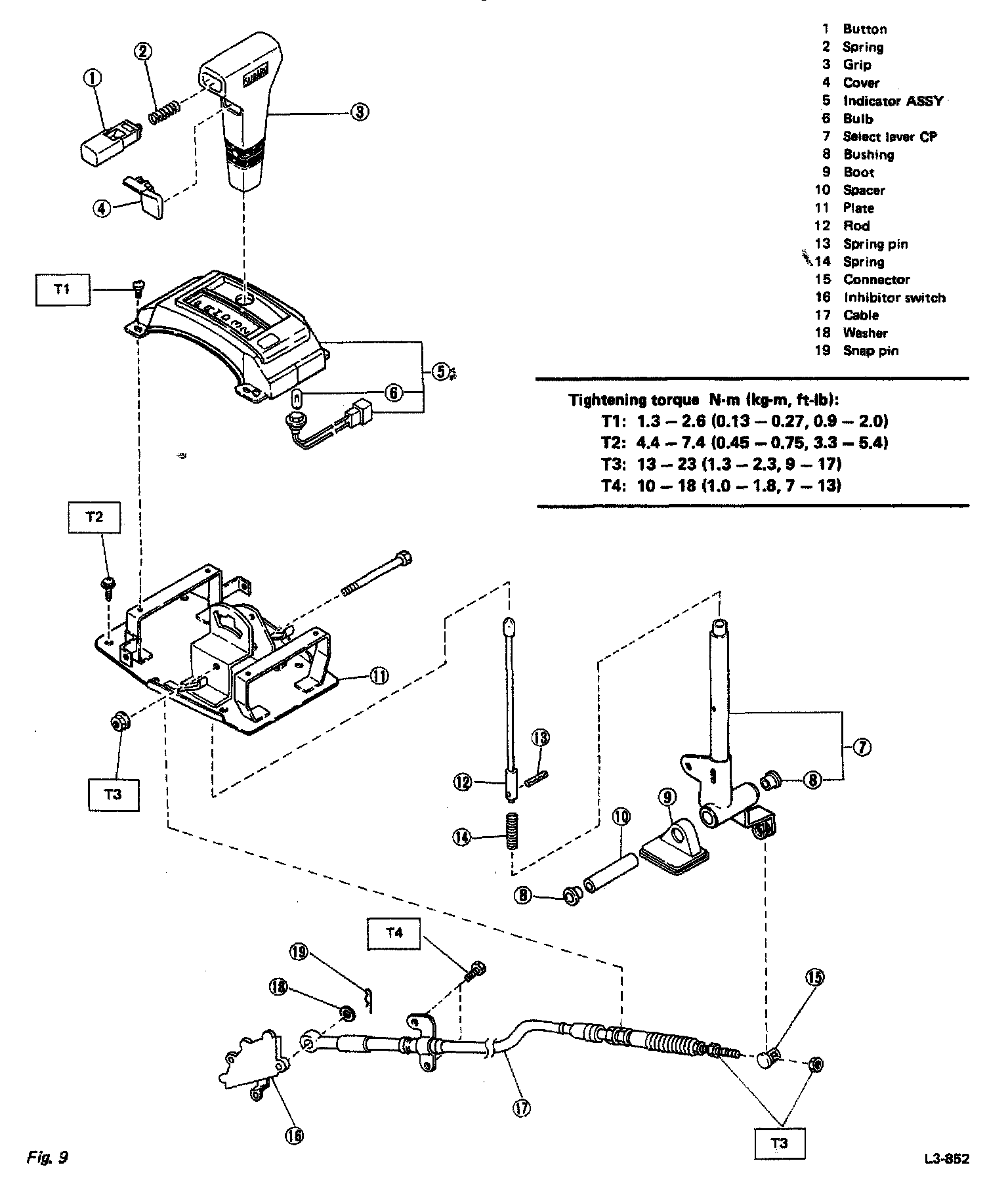
4-spd A/T, Transmission Case, Transmission Cover & Control Device:



4-spd A/T, Transmission Oil Pump:



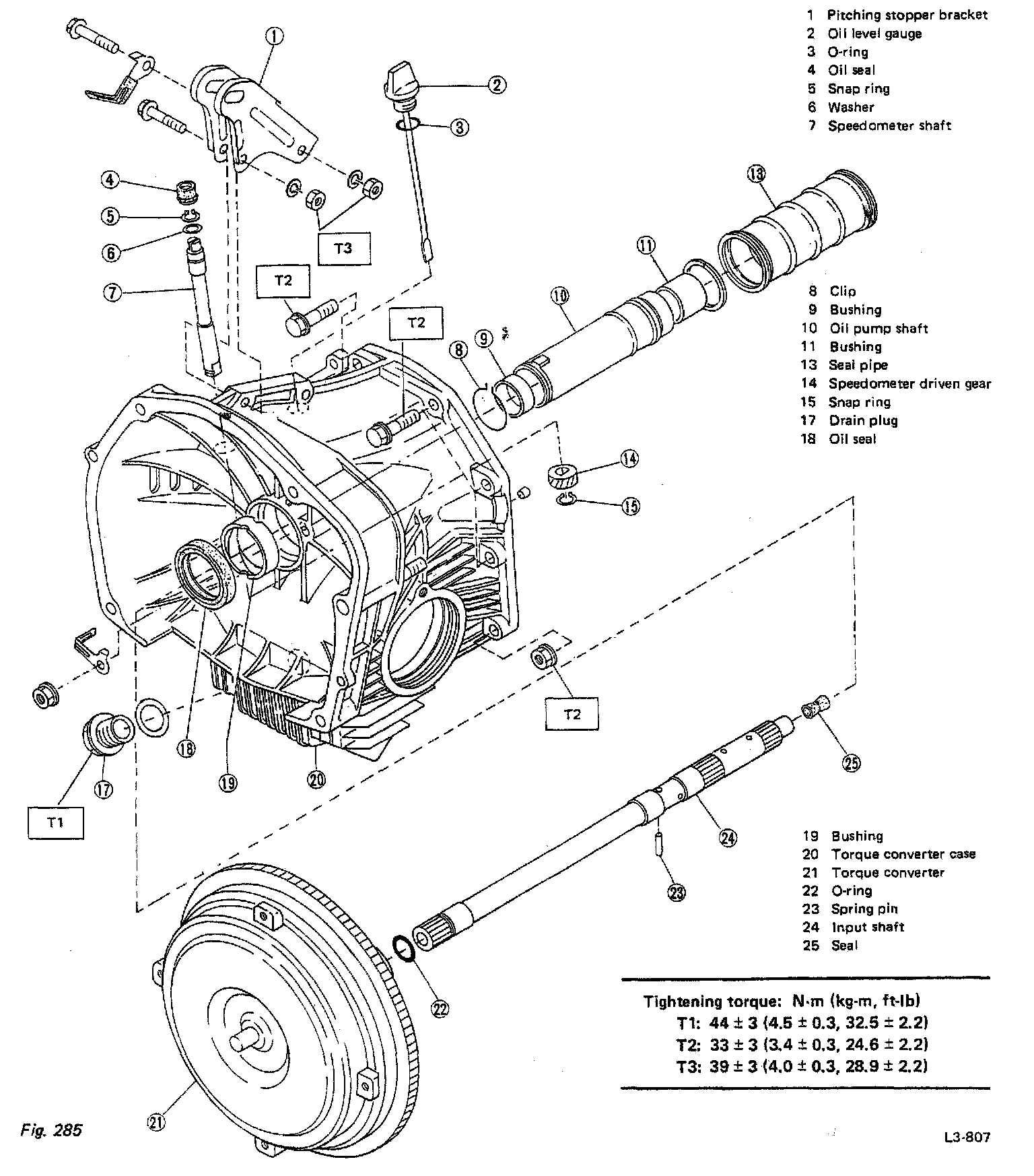
4-spd A/T, Torque Converter And Converter Case: