Operation CHARM: Car repair manuals for everyone.
Manuals through 2025 now available!

Our trusted friends have launched a new website named LEMON, which has newer manuals. It also contains all the CHARM manuals.

LEMON is the spiritual successor to CHARM, I recommend you try it!

Link: lemon-manuals.la or lemon-manuals.org.ua

(Some people have issue connecting. LEMON is investigating. For now, use Firefox or change your DNS server)

Or, hide this message: temporarily or permanently

Torque Specifications

TORQUE SPECIFICATIONS





Cylinder Block





Crankshaft, Piston and Flywheel





Cylinder Head and Flywheel Housing





Cylinder Head Torque Sequence





Camshaft and Timing Belt





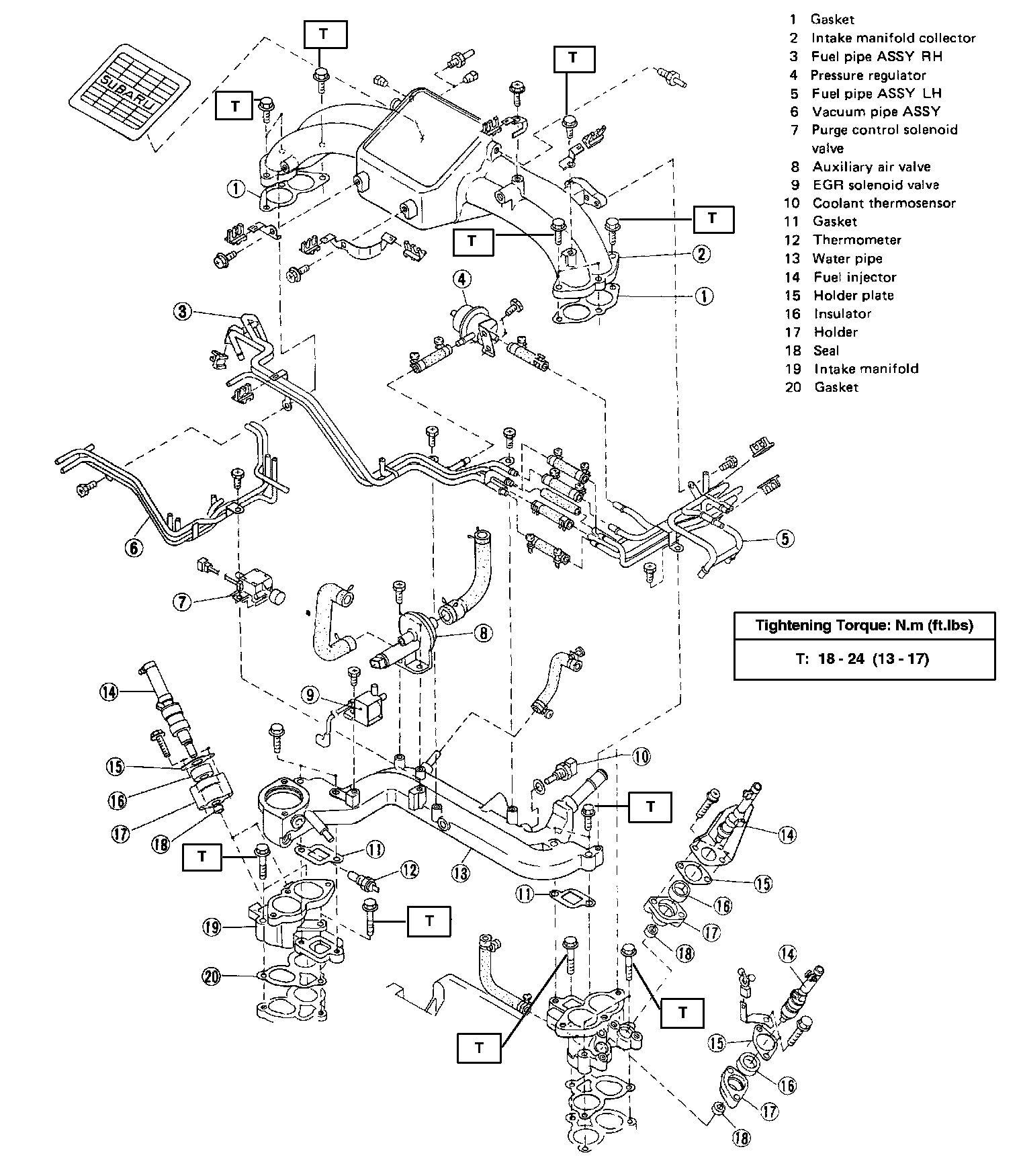
Intake Manifold





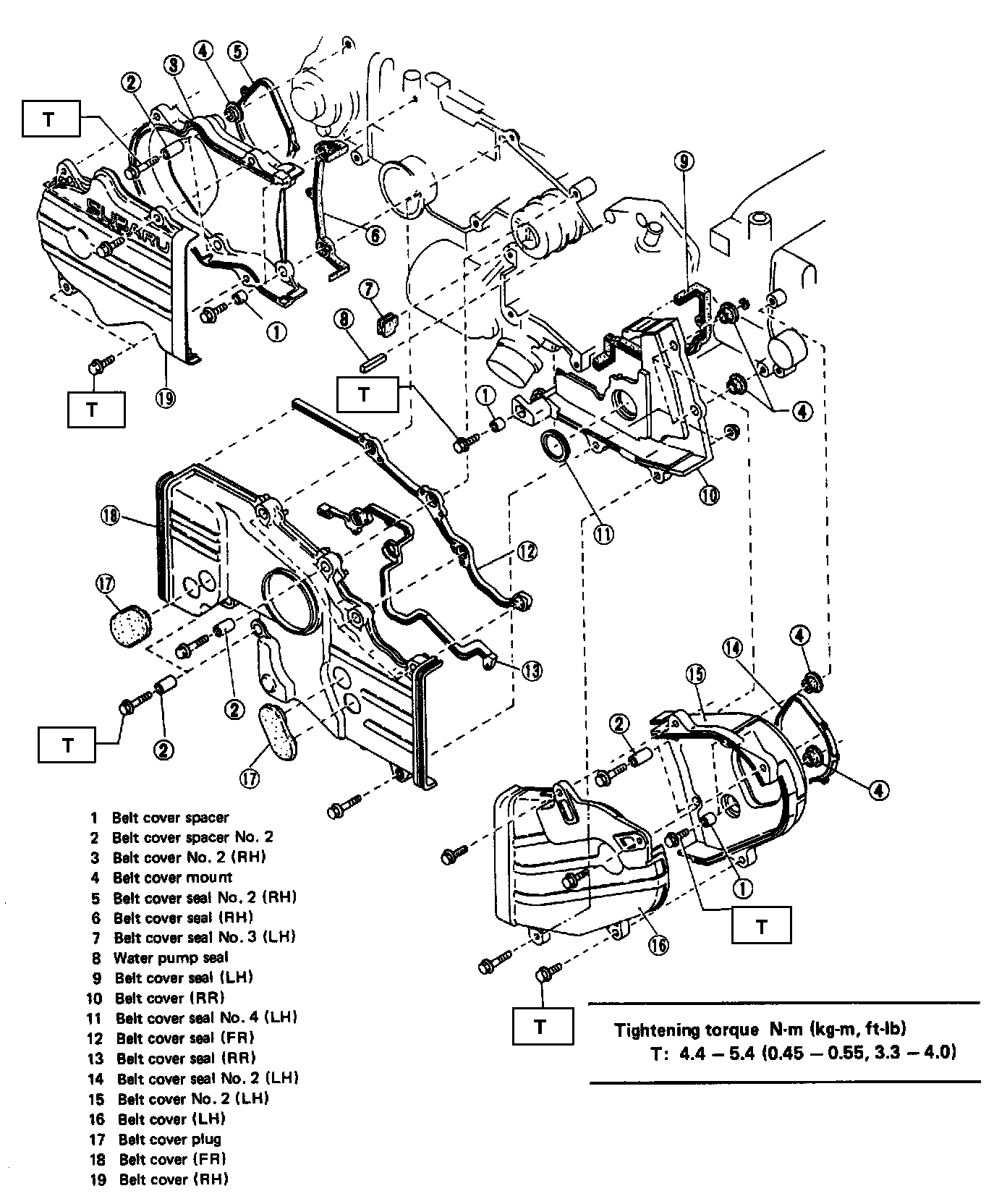
Timing Belt Covers





Oil Pump and Oil Pan





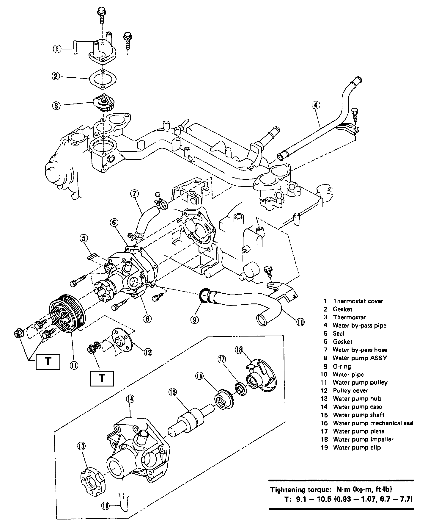
Cooling System





Electrical Components