Operation CHARM: Car repair manuals for everyone.
Manuals through 2025 now available!

Our trusted friends have launched a new website named LEMON, which has newer manuals. It also contains all the CHARM manuals.

LEMON is the spiritual successor to CHARM, I recommend you try it!

Link: lemon-manuals.la or lemon-manuals.org.ua

(Some people have issue connecting. LEMON is investigating. For now, use Firefox or change your DNS server)

Or, hide this message: temporarily or permanently

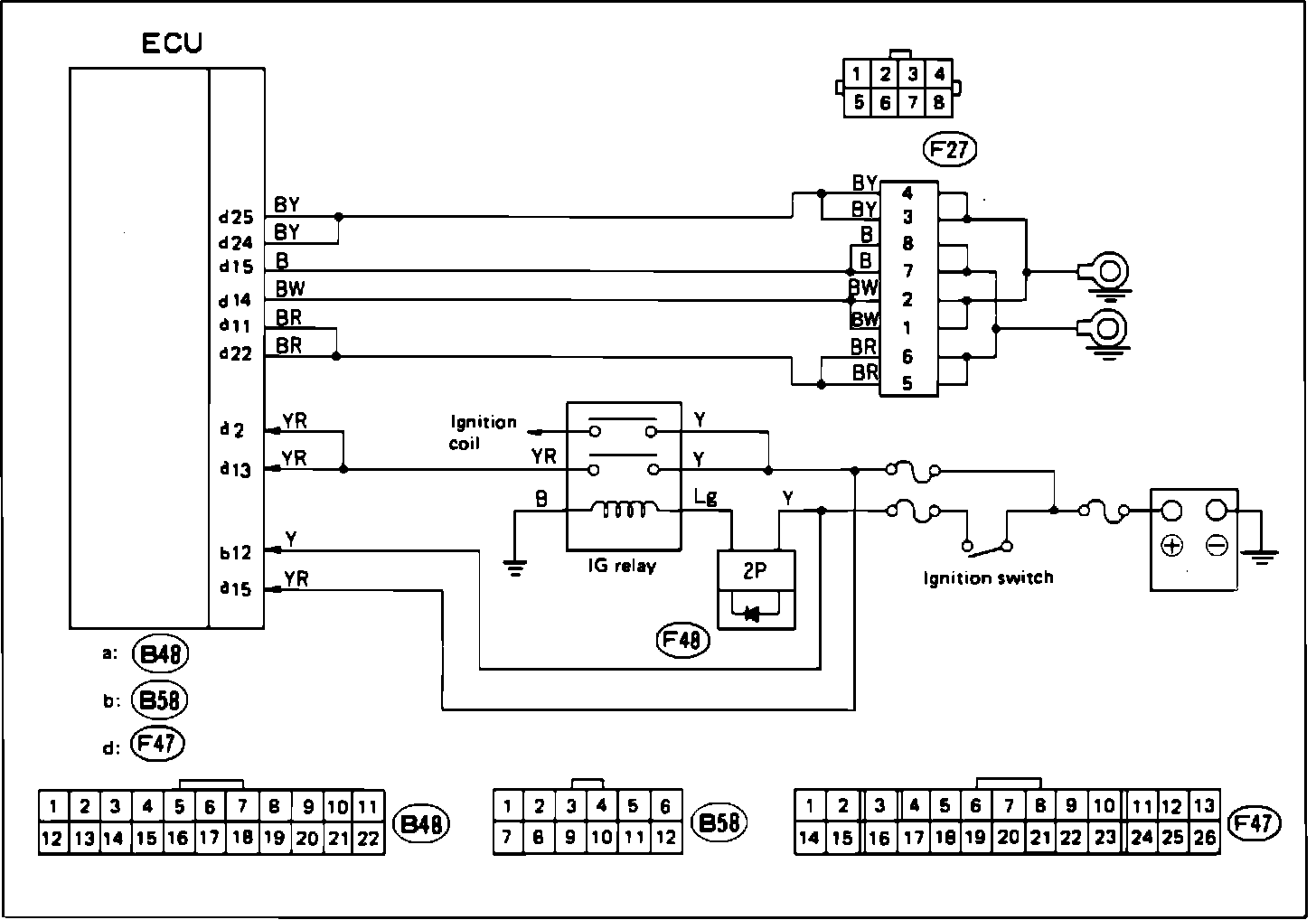
Electronic Control Unit (ECU)

ECU Power Supply And Ground Circuit:






NOTE: Never connect or disconnect the control unit or any sensors with the ignition "ON" unless specifically instructed to do so by a test procedure. Failure to follow this precaution could result in damage to electronic components.

While there is no specific test for the ECU, nor does it set a trouble code if a fault occurs in its own circuitry, many of the component tests lead to the control unit if no other problems are detected.

Apparent ECU problems can result from power supply and ground circuit problems. Therefore, these should be checked if a faulty ECU is suspected.

ECU POWER SUPPLY CHECK

ECU Ground Circuit Check:





ECU Power Supply Check:





With ignition switch "ON," voltage between these ECU connector terminals and ground should be a minimum of 10V:

Connector: Terminal:
B58 12
B48 15
B48 2
B48 13


ECU GROUND CIRCUIT CHECK
With ignition switch "OFF," disconnect ECU connector. There should be continuity between these ECU connector terminals and ground:

Connector: Terminal:
F47 24
F47 25
F47 14
F47 15
B48 11
B48 22