Operation CHARM: Car repair manuals for everyone.
Manuals through 2025 now available!

Our trusted friends have launched a new website named LEMON, which has newer manuals. It also contains all the CHARM manuals.

LEMON is the spiritual successor to CHARM, I recommend you try it!

Link: lemon-manuals.la or lemon-manuals.org.ua

(Some people have issue connecting. LEMON is investigating. For now, use Firefox or change your DNS server)

Or, hide this message: temporarily or permanently

Brake Bleeding: Service and Repair

Fig. 44 ABS Unit Bleeding Locations:




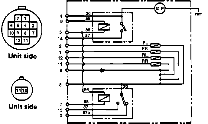
Fig. 45 AV Signal Wiring Diagram:





1. Bleed air from brake lines of primary side as if you were changing a master cylinder.
2. Bleed air from secondary side by replacing cone screw with a bleeder Fig. 44.
3. Depress brake pedal and intermittently apply AV signal to magnet valve. Do not apply signal for more than five seconds.
4. Release pedal at end of stroke. Repeat until air disappears, then repeat normal bleeding operations. Bleed air from other secondary circuits following above procedure.
5. To produce a AV signal disconnect terminals from battery, then hydraulic connectors 2P and 12P, Refer to Fig. 45.
6. Connect 12P hydraulic unit connectors terminal 1 and 3 to ground, and connect 12P connectors terminals five and seven to battery positive. Do not short these terminals together.