Operation CHARM: Car repair manuals for everyone.
Manuals through 2025 now available!

Our trusted friends have launched a new website named LEMON, which has newer manuals. It also contains all the CHARM manuals.

LEMON is the spiritual successor to CHARM, I recommend you try it!

Link: lemon-manuals.la or lemon-manuals.org.ua

(Some people have issue connecting. LEMON is investigating. For now, use Firefox or change your DNS server)

Or, hide this message: temporarily or permanently

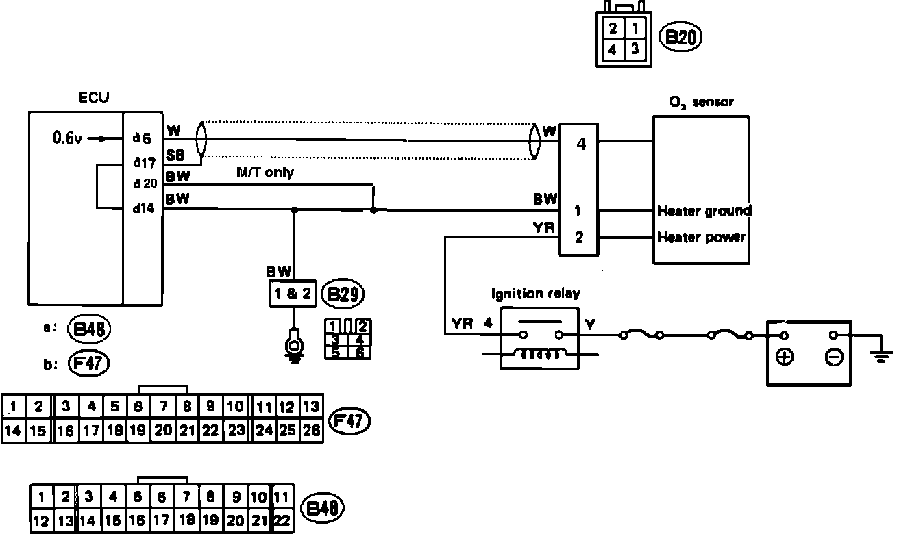
Oxygen Sensor: Testing and Inspection

Oxygen Sensor Schematic:





A faulty oxygen sensor will set code 32 in the on-board diagnostic system. Refer to the schematic diagram and test the sensor with the diagnostic chart.

Wire color code identification:

L: Blue
B: Black
Y: Yellow
G: Green
R: Red
W: White
Br: Brown
Lg: Light green
Gr: Gray

Oxygen Sensor Diagnostic Chart:





OXYGEN SENSOR DIAGNOSTIC CHART

Oxygen Sensor Testing:





CHECK ECU VOLTAGE

With engine warmed up and idling, measure voltage between ECU connector terminal (B48)6 and ground. It should read 0.1-1.0V.

NOTE: Problems with the oxygen sensor heater circuit will cause the sensor to deactivate.

CHECK OXYGEN SENSOR

1. With engine idling at operating temperature, disconnect oxygen sensor connector.
2. Measure voltage between oxygen sensor terminal #4 and ground. It should read 0.1-1.0V.

CHECK HARNESS BETWEEN ECU AND OXYGEN SENSOR

1. Disconnect ECU and oxygen sensor connectors.
2. Measure resistance between ECU and oxygen sensor connectors and ground as follows:

Connector & terminal: Resistance:
(B48)6-(B20)4 0 Ohms
(B20)4-Ground 1M Ohms min.