Operation CHARM: Car repair manuals for everyone.
Manuals through 2025 now available!

Our trusted friends have launched a new website named LEMON, which has newer manuals. It also contains all the CHARM manuals.

LEMON is the spiritual successor to CHARM, I recommend you try it!

Link: lemon-manuals.la or lemon-manuals.org.ua

(Some people have issue connecting. LEMON is investigating. For now, use Firefox or change your DNS server)

Or, hide this message: temporarily or permanently

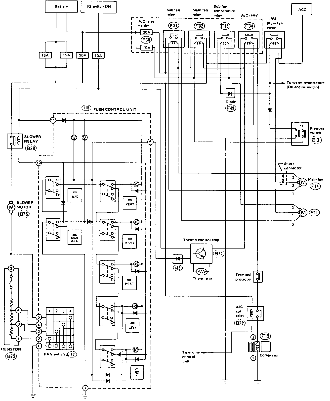
Compressor Control System

Compressor Control System





When the A/C switch and fan switch are turned ON, the A/C relay activates. The compressor and F.I.C.D. are turned on, and then the main and sub fans also operate. Blower relay operates to direct the air flowrate determined by FAN switch position.