Operation CHARM: Car repair manuals for everyone.
Manuals through 2025 now available!

Our trusted friends have launched a new website named LEMON, which has newer manuals. It also contains all the CHARM manuals.

LEMON is the spiritual successor to CHARM, I recommend you try it!

Link: lemon-manuals.la or lemon-manuals.org.ua

(Some people have issue connecting. LEMON is investigating. For now, use Firefox or change your DNS server)

Or, hide this message: temporarily or permanently

SVX Security System Installation Concerns


91subaru04

NUMBER: 15-90-91


DATE: 09-04-91


APPLICABILITY SVX

SUBJECT SVX SECURITY SYSTEM PRECAUTION


The SVX Security System must be programmed immediately after installation of the # 23 ("20A - Light SW") fuse in the under hood fuse panel or the module will be damaged.

You will notice that the parking lights start to flash immediately after installation of the fuse. This flashing will continue until the system is programmed. If the flashing is allowed to continue, the battery will discharge. As the battery discharges, with the lights flashing, the relay inside the Security System Module will be damaged.

Reprogramming is also necessary after disconnecting the vehicle battery for any reason.

Programming or Reprogramming the Remote Transmitters

1. Re-connect the negative battery cable and install # 23 fuse.

NOTE: The electronic module will click and the parking lights will flash, signalling the need to program the remote tranmitters.








The antenna for the system is located behind the glove box. The remotes should be pointed at the center of the vehicle from any angle. It is important that the transmitter buttons be pressed firmly and slowly to ensure the module recognizes each signal.

NOTE: The electronic module must receive five (5) transmitter codes for the system to operate.

2. If using two (2) remote transmitters, press the button on each remote transmitter twice and once more on either one of the transmitters, for a total of five (5) times. The system will respond by turning on the parking lights each time the button is pressed.

If using more than two (2) remote transmitters, press each remote in any combination to total five (5) signals.

If the customer is using multiple transmitters, all transmitters must be used in the programming. Up to five (5) remote transmitters can be used on one vehicle but each one must be used in the programming procedure.

NOTE: The remote transmitter codes must be reprogrammed whenever the battery or wiring connector for the Electronic Module has been disconnected. The electronic module will click and the parking lights will flash signaling the need to reprogram codes.





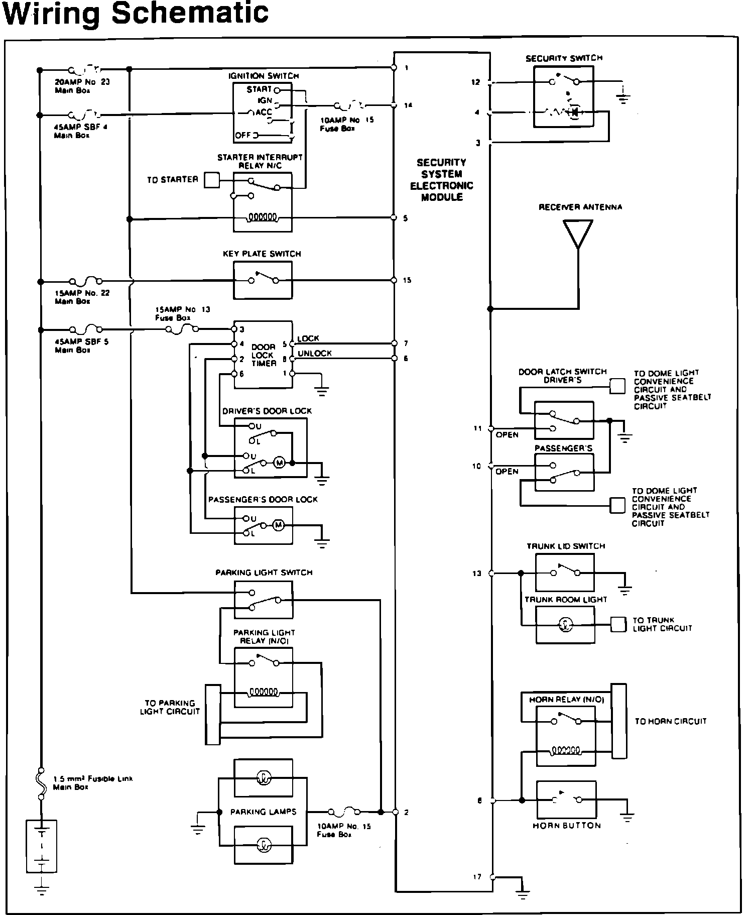
The wiring schematic for the SVX Security System is attached.