Operation CHARM: Car repair manuals for everyone.
Manuals through 2025 now available!

Our trusted friends have launched a new website named LEMON, which has newer manuals. It also contains all the CHARM manuals.

LEMON is the spiritual successor to CHARM, I recommend you try it!

Link: lemon-manuals.la or lemon-manuals.org.ua

(Some people have issue connecting. LEMON is investigating. For now, use Firefox or change your DNS server)

Or, hide this message: temporarily or permanently

Images

Band Servo & Oil Pump, 3 Speed:



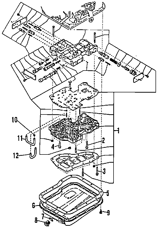
Control Valve & Oil Pan, 3 Speed:



Differential, 4 Speed:



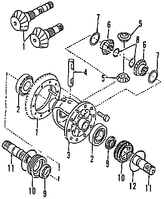
Differential Gear, 3 Speed:



Forward Clutch & Reversee Clutch, 3 Speed:



Front Clutch Assembly, 4 Speed:



Front Pump Assembly, 4 Speed:



Planetary Gear & Low/Reverse Clutch, 3 Speed:



Planetary Gears & Clutch, 4 Speed:



Rear Clutch & Band Assembly, 4 Speed:



Reduction Case & Governor, 3 Speed:



Reduction Gear, 4 Speed:



Torque Converter & Housing, 3 Speed:



Torque Converter & Housing, 4 Speed:



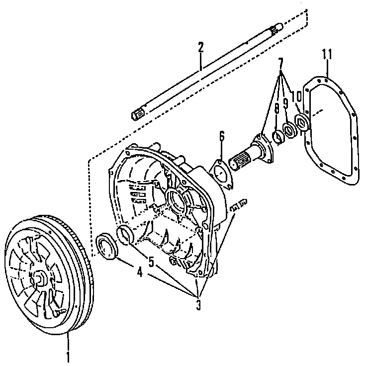
Transfer Case & Extension, 4 Speed:



Transfer Case Y Extension, 3 Speed:



Transmission Case, 3 Speed:



Transmission Case, Pan & Valve Body, 4 Speed:



Turbine Shaft & Reduction Gear, 3 Speed: