Operation CHARM: Car repair manuals for everyone.
Manuals through 2025 now available!

Our trusted friends have launched a new website named LEMON, which has newer manuals. It also contains all the CHARM manuals.

LEMON is the spiritual successor to CHARM, I recommend you try it!

Link: lemon-manuals.la or lemon-manuals.org.ua

(Some people have issue connecting. LEMON is investigating. For now, use Firefox or change your DNS server)

Or, hide this message: temporarily or permanently

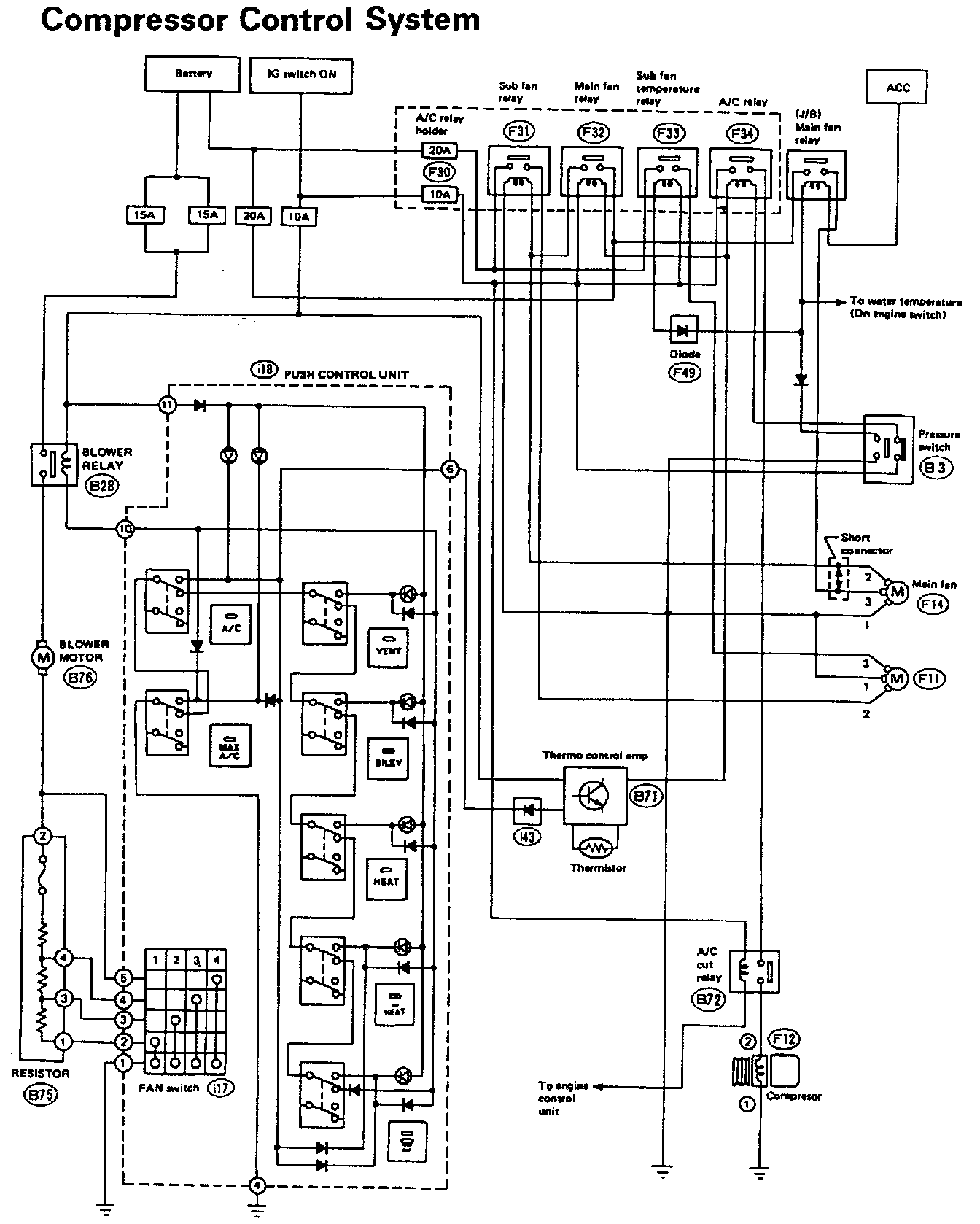
Compressor Control System

Compressor Control System




1) When the A/C switch and fan switch are turned ON, the A/C relay activates. The compressor and F.I.C.D. are turned on, and then the main and sub fans also operate. Blower relay operates to direct the airflow rate determined by FAN switch position.
2) The thermo amplifier activates to stop the compressor clutch, F.I.C.D., and main and sub fans.
3) When the "High-Low" pressure switch operates, the compressor clutch and F.I.C.D. stop but the main and sub fans are operating.
4) When the fan control switch operates, both the main and sub fans operate rapidly.


Compressor Clutch "ON" Delay System



When air conditioning system relay operates, a signal is entered into engine control unit. Engine control unit then judges engine operation and activates A/C cut relay. Maximum clutch "ON" delay occurs 0.8 seconds after A/C cut relay activates.


Thermo Control Amplifier







The thermo control amplifier disconnects the magnet clutch circuit to prevent the evaporator from becoming frosted when the temperature of the evaporator fin drops close to 0°C (32°F). As the evaporator is cooled, the thermistor (located on the evaporator fin) interrupts the "base" current of the amplifier. This in turn de-energizes the A/C relay coil, which in turn disconnects the magnet clutch circuit.

Acceleration Cut System




The A/C switch turns the A/C system on or off. The on-off operation of the switch is transmitted to the ECU. The A/C cut relay breaks the current flow to the compressor, through the use of an output signal from the ECU, for a certain period of time when a "full-throttle" signal (emitted from the throttle sensor) enters the ECU while the compressor is operating. This prevents the degradation of acceleration performance and stabilizes the main fuse box located on the left side of the engine compartment.